Curiosii for ever!
: Car repair manuals for everyone.
Home
>>
Chevrolet
>>
2010
>>
Corvette V8-6.2L SC
>>
Repair and Diagnosis
>>
Power and Ground Distribution
>>
Diagrams
>>
Electrical Diagrams
>>
Power Distribution Schematics
>>
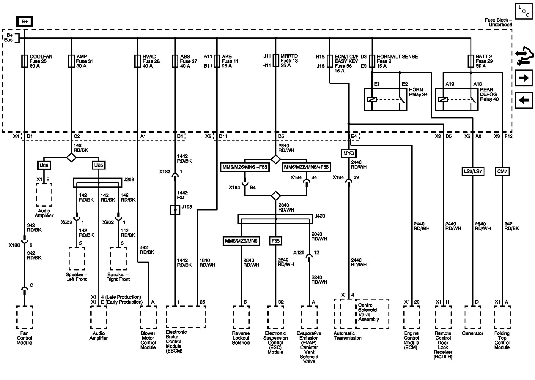
Power Distribution Schematic 3
Power Distribution Schematic 3
Power Distribution Schematics
ABS, AMP, BATT2, COOLFAN, ECM/TCM/EASY
KEY
, HORN/
ALT
SENSE, HVAC, and MRRTD Fuses