Curiosii for ever!
: Car repair manuals for everyone.
Home
>>
Chevrolet
>>
2010
>>
Corvette V8-6.2L SC
>>
Repair and Diagnosis
>>
Power and Ground Distribution
>>
Diagrams
>>
Electrical Diagrams
>>
Power Distribution Schematics
>>
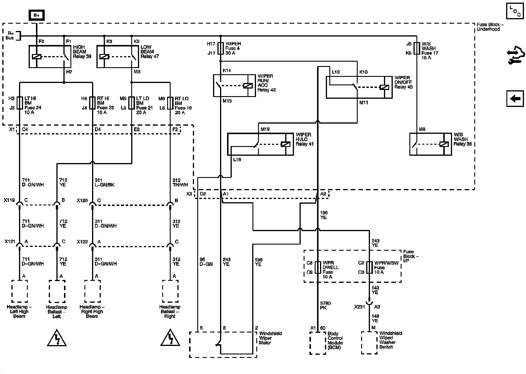
Power Distribution Schematic 13
Power Distribution Schematic 13
Power Distribution Schematics
LT HI BM, LT LO BM, RT HI BM, RT LO BM, WIPER, WPR DWELL, WPR/WSW, and W/S WASH Fuses