Curiosii for ever!: Car repair manuals for everyone.

29. Engine Block Plug Removal




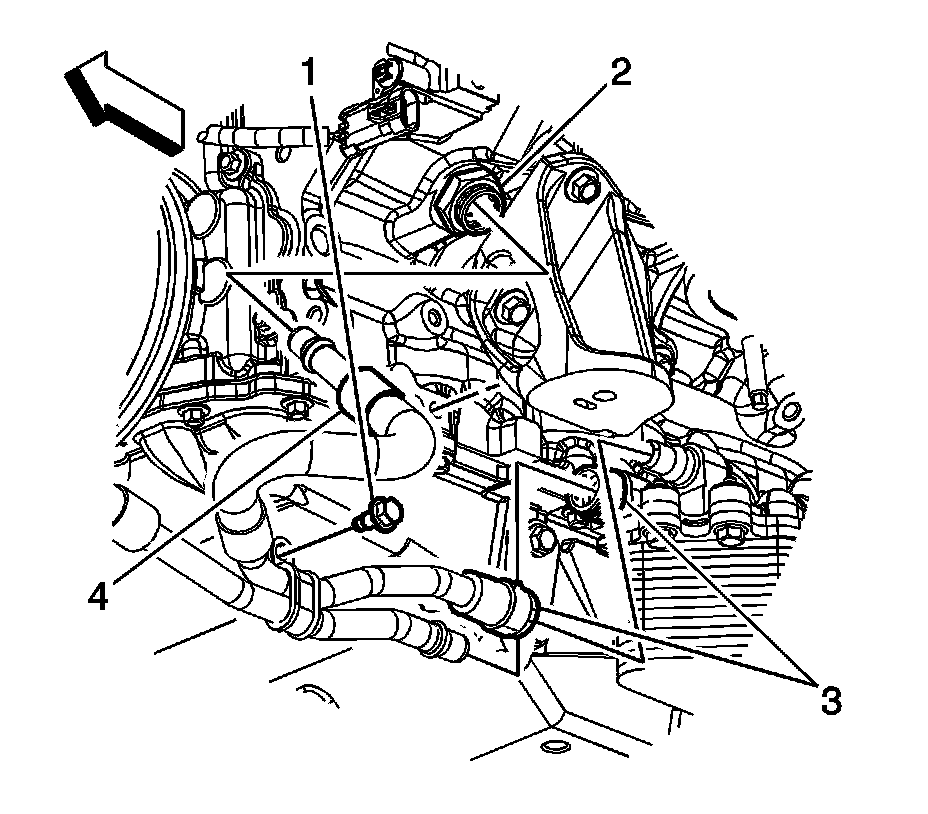
Engine Block Plug Removal




1. Remove the engine coolant drain hole plug, or the engine oil cooler coolant fitting (2), if equipped.




2. Remove the engine block right rear coolant drain hole plug and seal.




3. Remove the engine block left front oil gallery plug (116) and seal (117).




4. Remove the oil level indicator tube hole plug (1), if required - LS3 with Z52 option.




5. Remove the engine block left rear oil gallery plug (112) and seal (113).
If the block plug and coolant heater sealing washers are not damaged, they may be used during assembly.




6. Remove the engine block rear oil gallery plug (111) and seal.
7. Inspect the O-ring seal of the rear oil gallery plug.
If the O-ring seal is not cut or damaged, the plug and O-ring seal may be used during assembly.





Note: Remove the front oil gallery plug, only if service is required. If the front oil gallery plug is removed, a NEW oil gallery plug must be installed.

8. Remove the engine block front oil gallery plug (101).




9. Remove the left side knock sensor (718) and bolt (739).




10. Remove the right side knock sensor (718) and bolt (739).




11. Remove the piston oil nozzles (1) from the block - 6.2L LS9/LSA.