Curiosii for ever!
: Car repair manuals for everyone.
Home
>>
Chevrolet
>>
2010
>>
Corvette V8-6.2L SC
>>
Repair and Diagnosis
>>
Diagrams
>>
Electrical Diagrams
>>
Steering
>>
Steering Column
>>
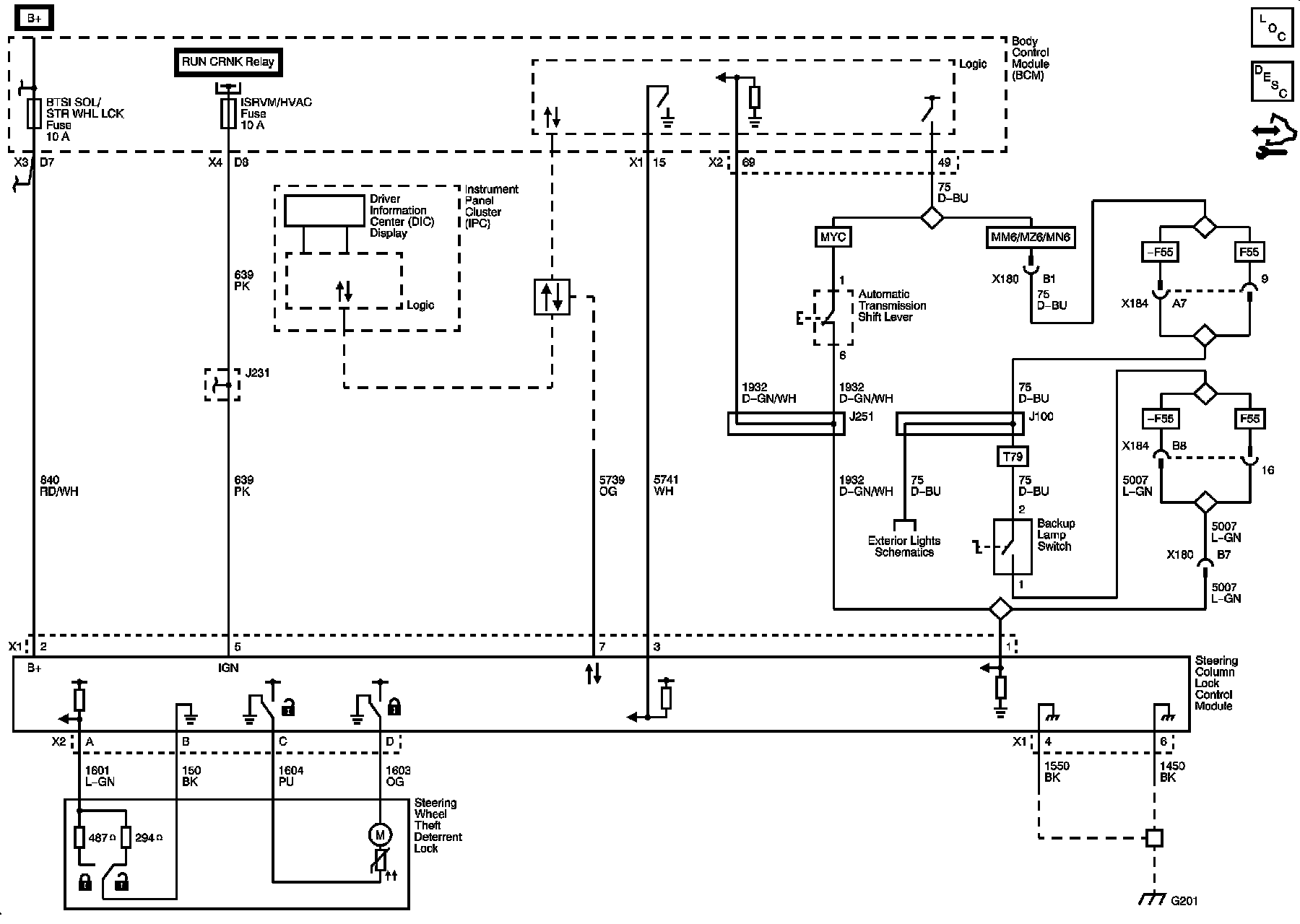
Column Lock Schematics
Column Lock Schematics
Column Lock Schematics