Curiosii for ever!
: Car repair manuals for everyone.
Home
>>
Chevrolet
>>
2010
>>
Corvette V8-6.2L SC
>>
Repair and Diagnosis
>>
Diagrams
>>
Electrical Diagrams
>>
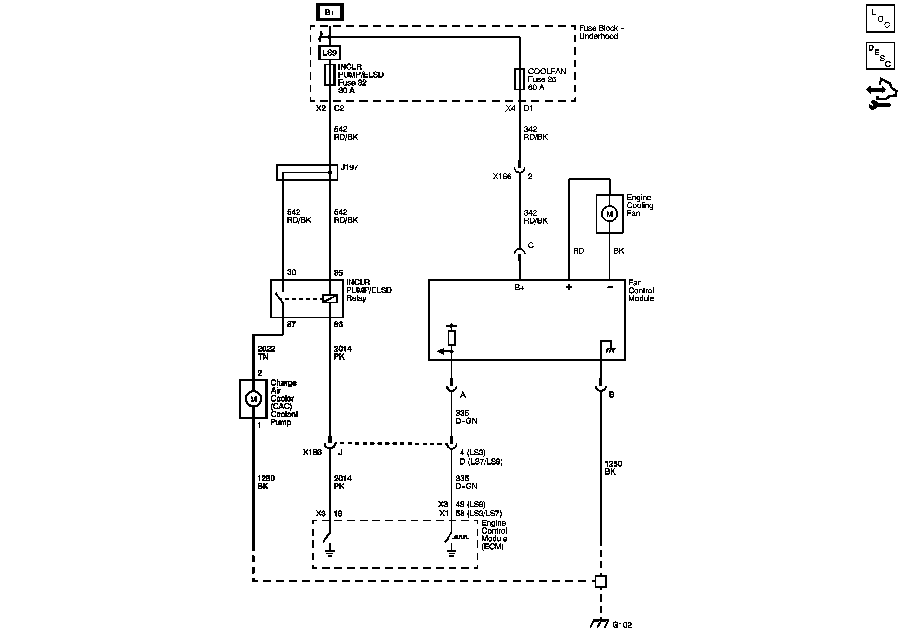
Cooling System
Cooling System
Engine Cooling Schematics