Curiosii for ever!
: Car repair manuals for everyone.
Home
>>
Chevrolet
>>
2010
>>
Cobalt L4-2.2L
>>
Repair and Diagnosis
>>
Starting and Charging
>>
Power and Ground Distribution
>>
Diagrams
>>
Electrical Diagrams
>>
Power Distribution Schematics
>>
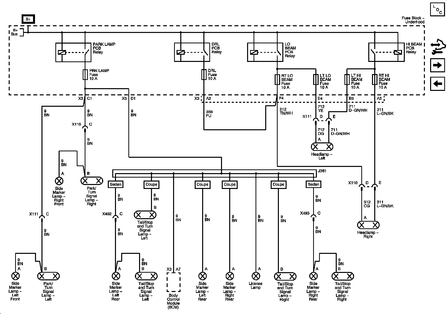
Power Distribution Schematic 7
Power Distribution Schematic 7
Power Distribution Schematics
DRL, LT HI BEAM, LT LO BEAM, PRK LAMP, RT HI BEAM, and RT LO BEAM Fuses