Curiosii for ever!: Car repair manuals for everyone.

Coolant Temperature Sensor/Switch (For Computer): Service and Repair




Engine Coolant Temperature Sensor Replacement

Removal Procedure

Caution: Use care when handling the coolant sensor. Damage to the coolant sensor will affect the operation of the fuel control system.




1. Drain the cooling system. Refer to Cooling System Draining and Filling (Static Fill LE5, L61) (Cooling System Draining and Filling (Static Fill))Cooling System Draining and Filling (Static Fill LNF) (Cooling System Draining and Filling (Static Fill))Cooling System Draining and Filling (GE 47716 Fill) (Cooling System Draining and Filling (GE 47716 Fill)).
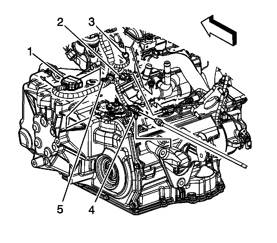
2. If equipped with regular production option (RPO) MN5, disconnect the engine harness electrical connector (3) from the engine coolant temperature (ECT) sensor.




3. If equipped with RPO M86, disconnect the engine harness electrical connector (3) from the ECT sensor.




4. Carefully remove the ECT sensor.

Installation Procedure

Caution: Use care when handling the coolant sensor. Damage to the coolant sensor will affect the operation of the fuel control system.




1. If you are reinstalling the original sensor, or if you are installing a NEW sensor without a sealer, coat the threads with sealant. Refer to Adhesives, Fluids, Lubricants, and Sealers (Adhesives, Fluids, Lubricants, and Sealers).

Caution: Refer to Component Fastener Tightening Caution (Component Fastener Tightening Caution).

2. Install the ECT sensor and tighten to 20 Nm (15 lb ft).




3. If equipped with RPO M86, connect the engine harness electrical connector (3) to the ECT sensor.




4. If equipped with RPO MN5, connect the engine harness electrical connector (3) to the ECT sensor.
5. Fill the cooling system. Refer to Cooling System Draining and Filling (Static Fill LE5, L61) (Cooling System Draining and Filling (Static Fill))Cooling System Draining and Filling (Static Fill LNF) (Cooling System Draining and Filling (Static Fill))Cooling System Draining and Filling (GE 47716 Fill) (Cooling System Draining and Filling (GE 47716 Fill)).