Curiosii for ever!
: Car repair manuals for everyone.
Home
>>
Chevrolet
>>
2010
>>
Cobalt L4-2.2L
>>
Repair and Diagnosis
>>
Power and Ground Distribution
>>
Diagrams
>>
Electrical Diagrams
>>
Power Distribution Schematics
>>
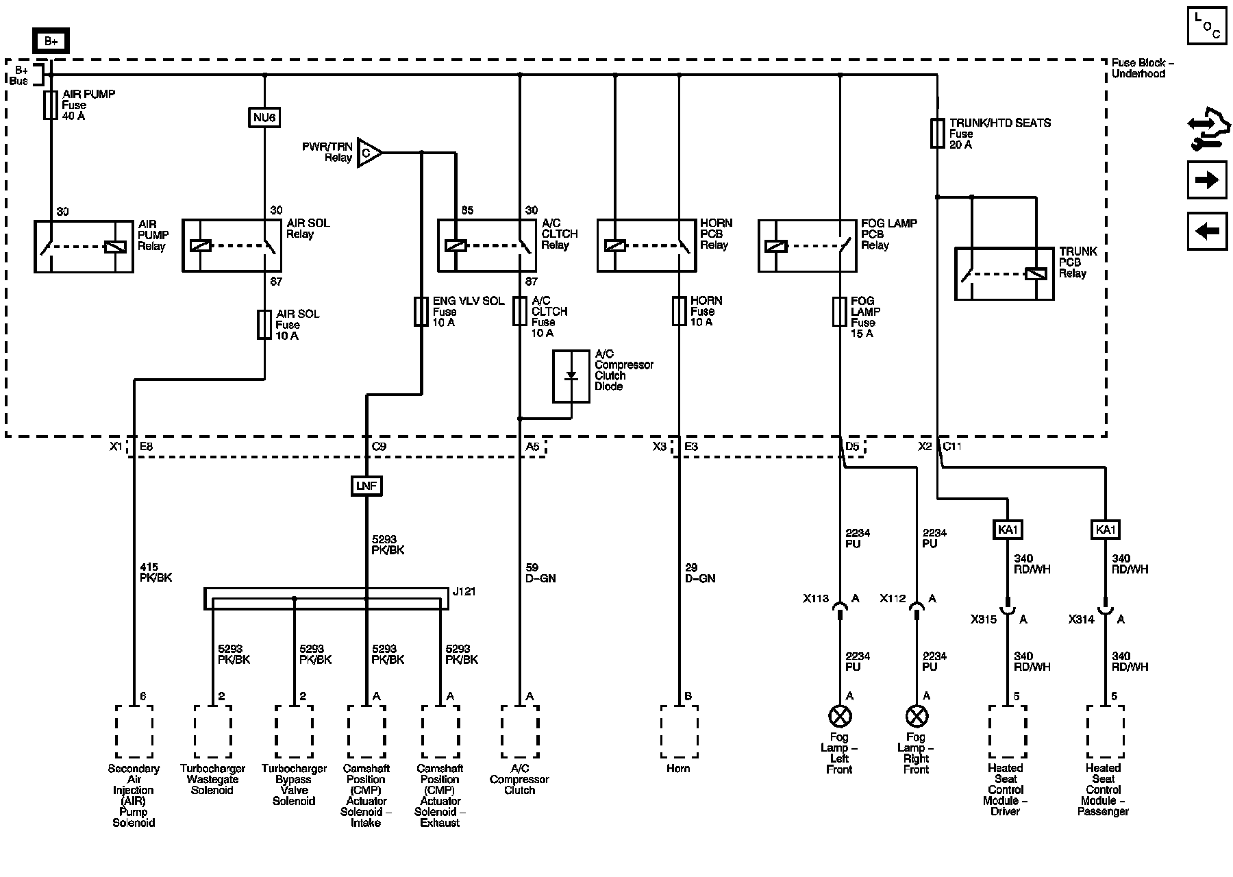
Power Distribution Schematic 6
Power Distribution Schematic 6
Power Distribution Schematics
A/C CLTCH, AIR PUMP, AIR SOL, ENG VLV SOL, FOG LAMP, HORN, and TRUNK/HTD SEATS Fuses