Curiosii for ever!
: Car repair manuals for everyone.
Home
>>
Chevrolet
>>
2010
>>
Cobalt L4-2.2L
>>
Repair and Diagnosis
>>
Diagrams
>>
Electrical Diagrams
>>
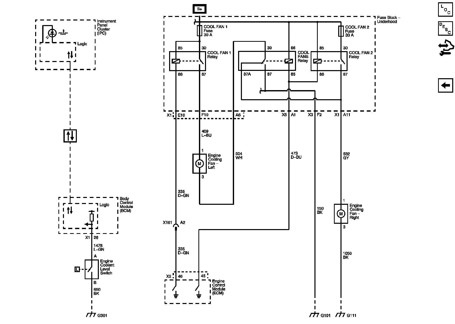
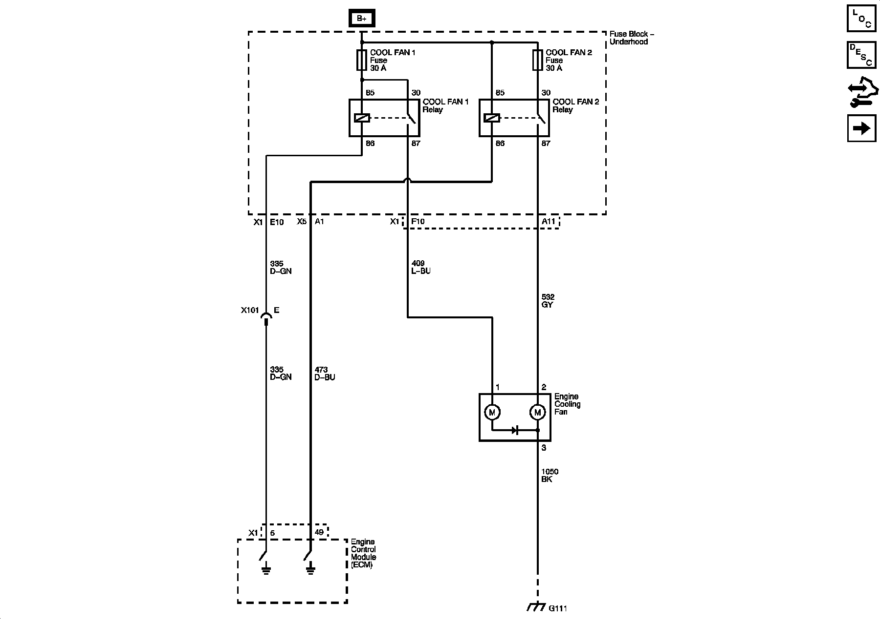
Cooling System
Cooling System
Engine Cooling Schematics
LAP
LNF