Curiosii for ever!
: Car repair manuals for everyone.
Home
>>
Chevrolet
>>
2010
>>
Camaro V8-6.2L
>>
Repair and Diagnosis
>>
Starting and Charging
>>
Power and Ground Distribution
>>
Diagrams
>>
Electrical Diagrams
>>
Power Distribution Schematics
>>
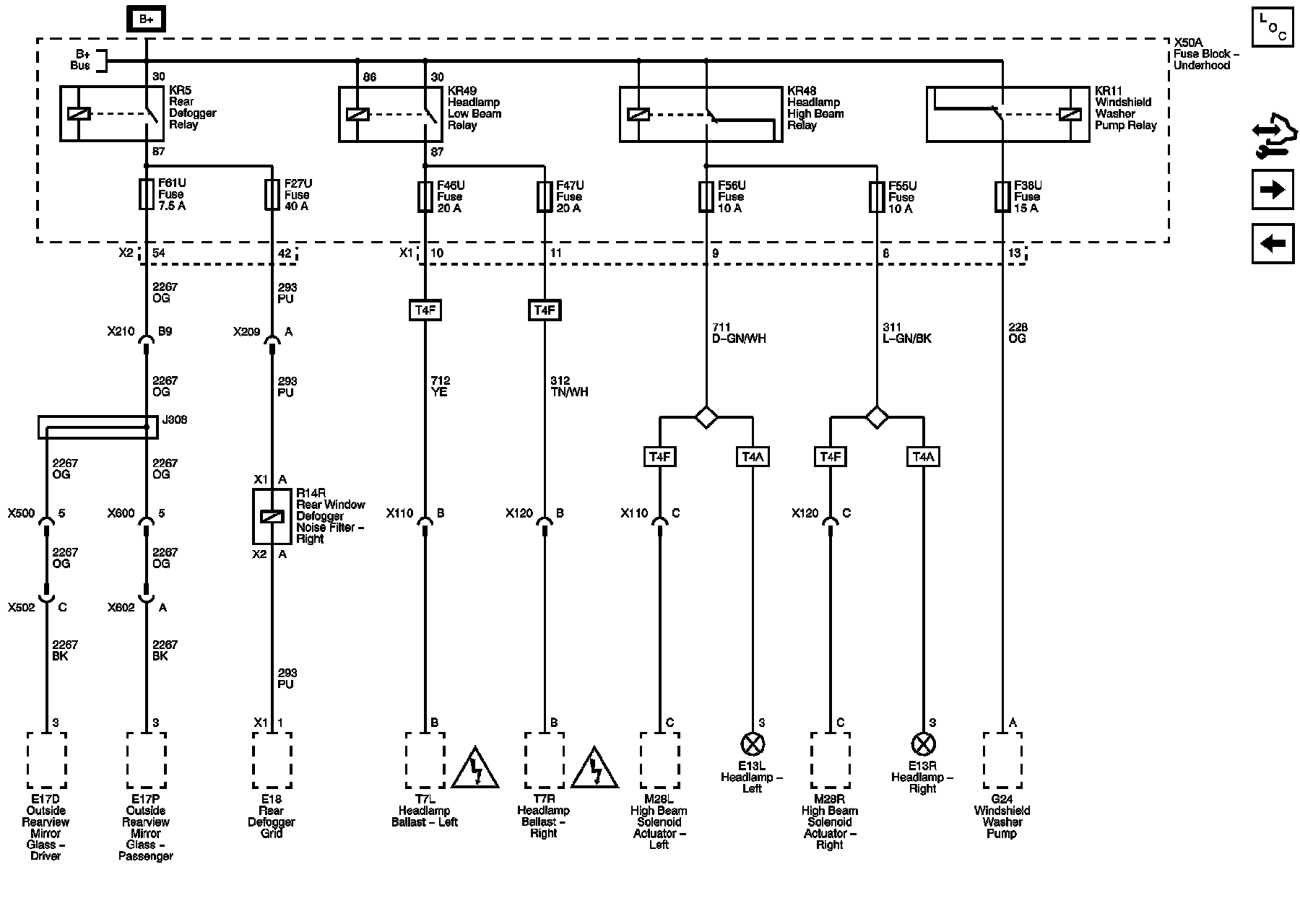
Power Distribution Schematic 11
Power Distribution Schematic 11
Power Distribution Schematics
Fuse Block
- Underhood - BCM (RVC) Fuse 61, REAR DEFOG Fuse 27, LO BEAM - LT Fuse 46, LO BEAM - RT Fuse 47, HI BEAM - LT Fuse 56, HI BEAM - RT Fuse 55, and WSW PUMP FRT Fuse 38