Battery Positive Cable Replacement
Battery Positive Cable Replacement
Removal Procedure
1. Disconnect the negative battery cable. Refer to Battery Negative Cable Disconnection and Connection (Battery Negative Cable Disconnection and Connection).
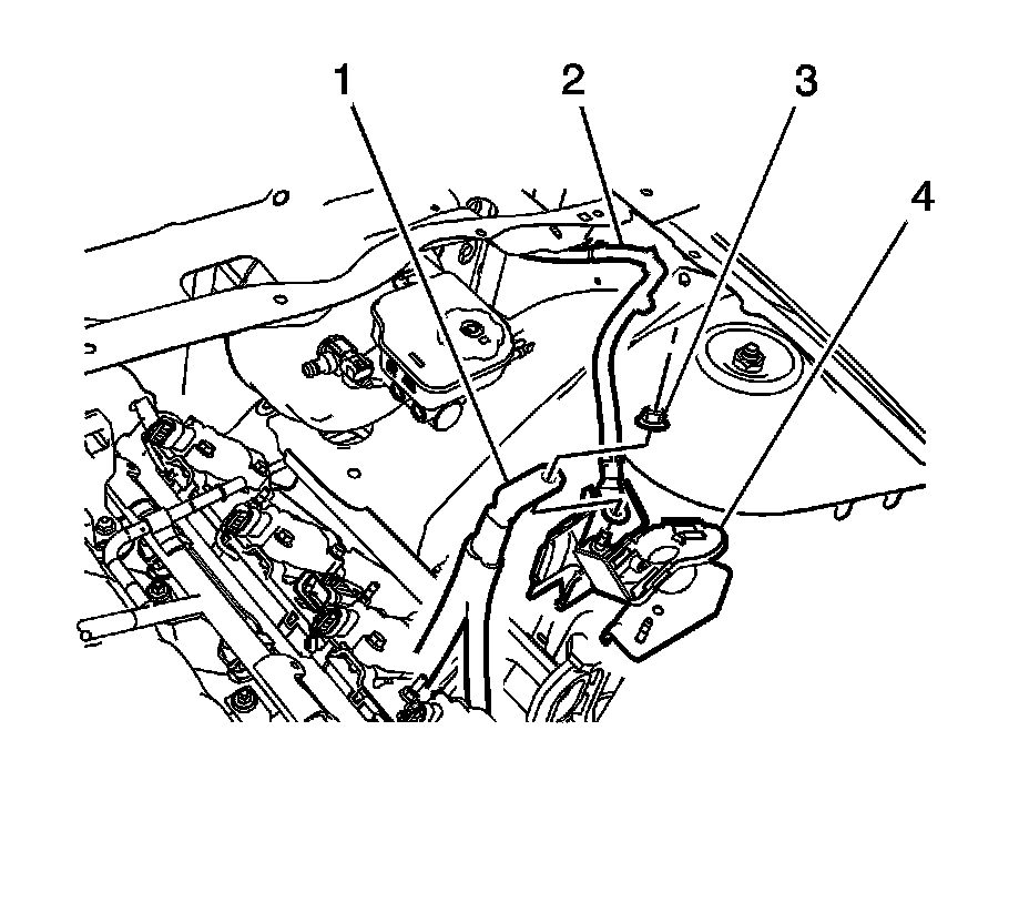
2. Remove the junction block cover (4).
3. Remove the junction block nut (3).
4. Remove the positive battery to starter cable from the junction block terminal (1).
5. Remove the positive battery cable (2).
6. Disengage all remaining cable retainers under the hood.
7. Remove the floor console. Refer to Front Floor Console Replacement (Front Floor Console Replacement).
8. Remove rear seat lower cushion. Refer to Rear Seat Cushion Replacement ().
9. Remove left side quarter trim panel. Refer to Quarter Trim Panel Replacement (Quarter Trim Panel Replacement).
10. Reposition rear compartment side trim panel as required.
11. Disconnect the pass-through grommet (1) from the floor plenum.
12. Disconnect cable retainers (2) from the floor plenum.
13. Working through the openings in the floor carpet, disconnect all remaining retainers (1).
14. Pull the battery positive cable through the carpet. Note the cable routing for installation purposes.
15. Loosen the battery terminal nut (2).
16. Open the positive battery cable terminal cover.
17. Remove the battery positive terminal.
18. Pull the positive battery cable (1) from the passenger compartment into the trunk area.
Installation Procedure
Caution: Refer to Fastener Caution (Fastener Caution).
1. Install the battery positive cable (1) to the battery post and tighten battery positive cable nut (2) to 5.5 Nm (4 lb ft).
2. Attach battery positive cable retainers to rear compartment and route cable through rear seat back body panel into rear passenger compartment.
3. Attach battery positive cable retainers along left rear quarter trim area and in front of rear seat.
4. Route battery positive cable under floor carpet and attach retainers along the left side of floor console (1).
5. Install the pass-through grommet and fasten battery positive cable retainers to lower floor plenum.
6. Install left side quarter trim panel. Refer to Quarter Trim Panel Replacement (Quarter Trim Panel Replacement).
7. Install rear seat lower cushion. Refer to Rear Seat Cushion Replacement ().
8. Install the floor console. Refer to Front Floor Console Replacement (Front Floor Console Replacement).
9. Route battery positive cable (2) along engine compartment and attach remaining fasteners.
10. Install battery positive cable to the junction block terminal.
11. Install the battery positive starter cable (1) to the junction block terminal and tighten nut (3) to 15 Nm (11 lb ft).
12. Attach the positive battery cable terminal cover (4).
13. Connect the negative battery cable. Refer to Battery Negative Cable Disconnection and Connection (Battery Negative Cable Disconnection and Connection).