Curiosii for ever!
: Car repair manuals for everyone.
Home
>>
Chevrolet
>>
2010
>>
Camaro V8-6.2L
>>
Repair and Diagnosis
>>
Power and Ground Distribution
>>
Diagrams
>>
Electrical Diagrams
>>
Power Distribution Schematics
>>
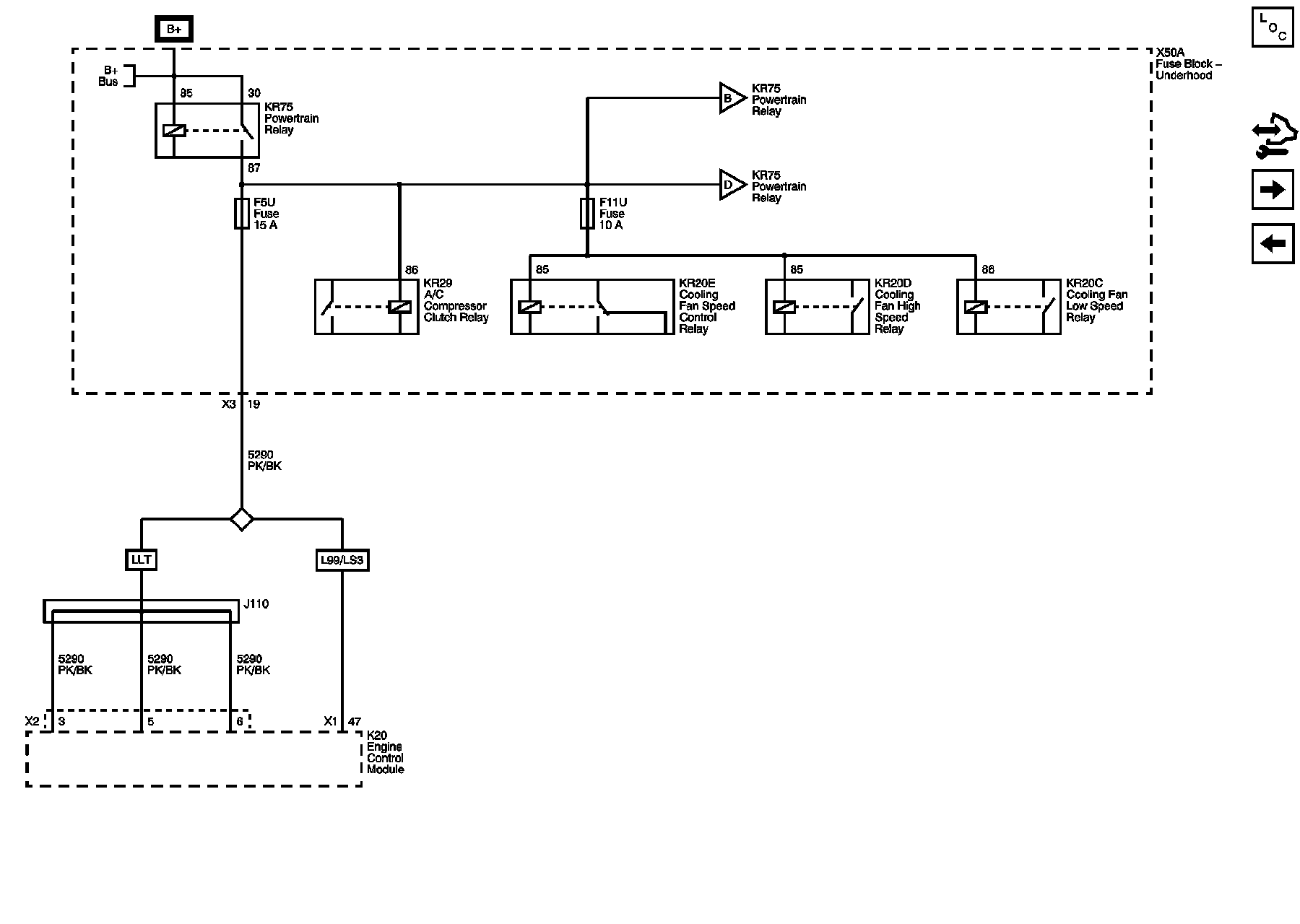
Power Distribution Schematic 5
Power Distribution Schematic 5
Power Distribution Schematics
Fuse Block
- Underhood - PWR/TRN Relay K26, ECM Fuse 5, and COOL FAN RLY Fuse 11