Curiosii for ever!
: Car repair manuals for everyone.
Home
>>
Chevrolet
>>
2010
>>
Camaro V8-6.2L
>>
Repair and Diagnosis
>>
Heating and Air Conditioning
>>
Compressor HVAC
>>
Service and Repair
>>
Removal and Replacement
Removal and Replacement
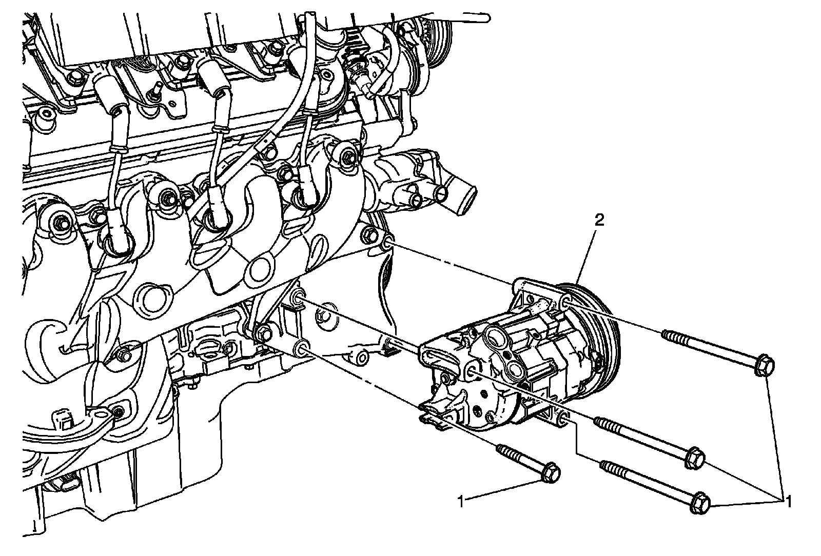
Air Conditioning Compressor Replacement