Curiosii for ever!: Car repair manuals for everyone.

Electrical Diagrams



Engine Controls Schematics

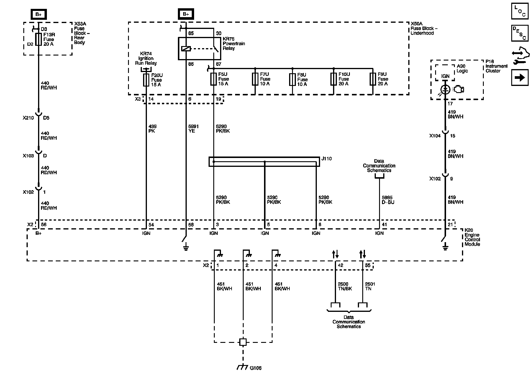
Module Power, Ground, Serial Data, and MIL






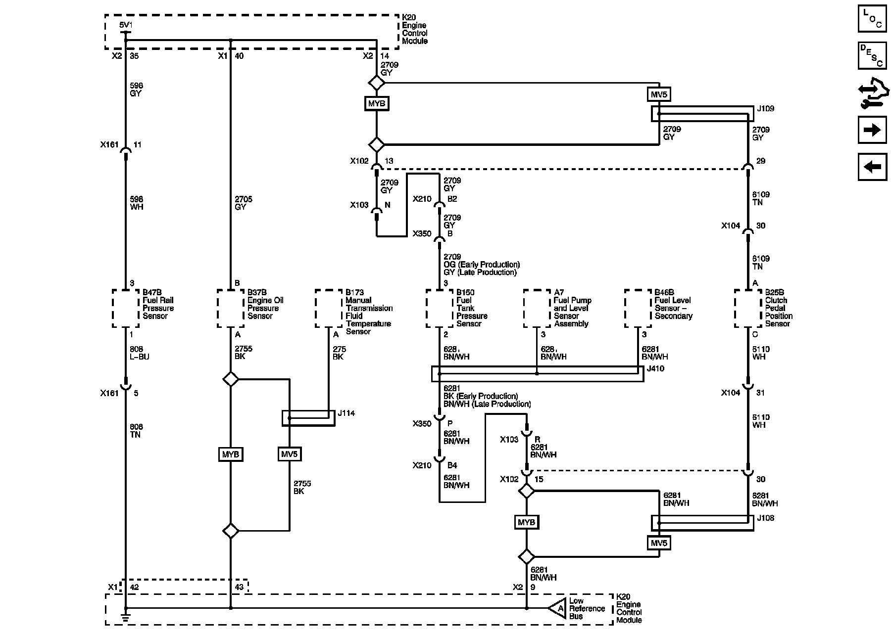
5-Volt and Low Reference - 1 of 2






5-Volt and Low Reference - 2 of 2






Engine Data Sensors - Pressure, Temperature, and Throttle Controls






Engine Data Sensors - Oxygen Sensors






Ignition Controls - Bank 1 Ignition System






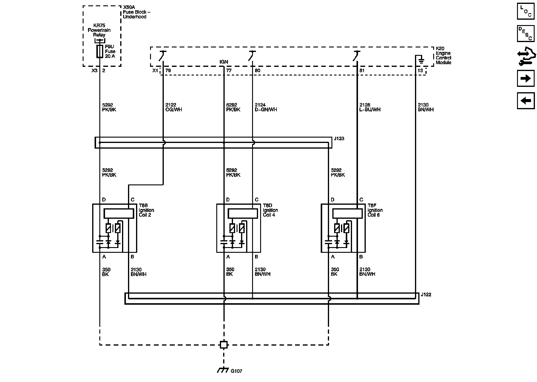
Ignition Controls - Bank 2 Ignition System






Ignition Controls - CKP/CMP/KS Sensors and CMP Actuator Solenoids






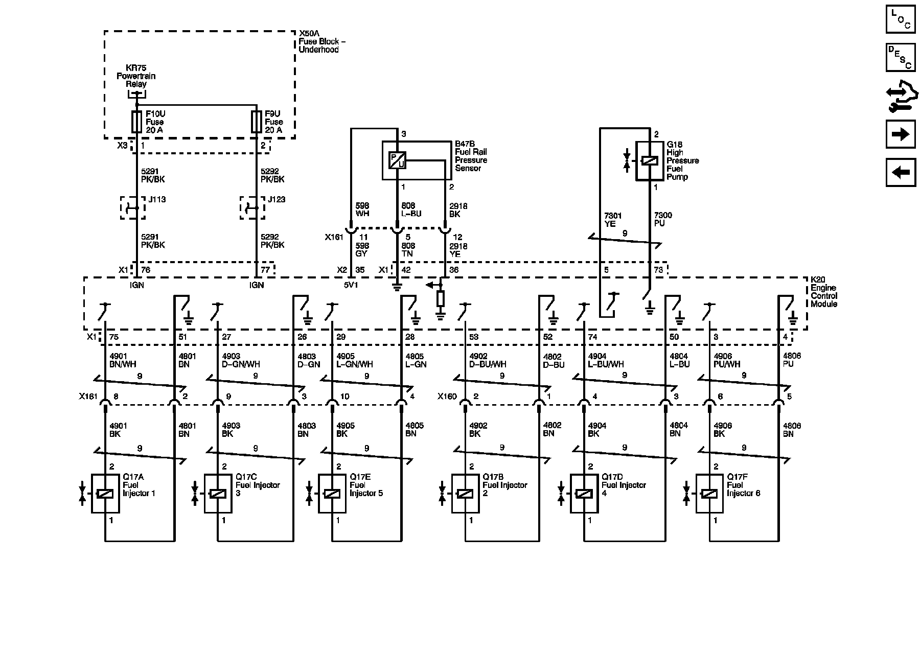
Fuel Controls - Fuel Injectors






Fuel Controls - Fuel Pump Flow Control






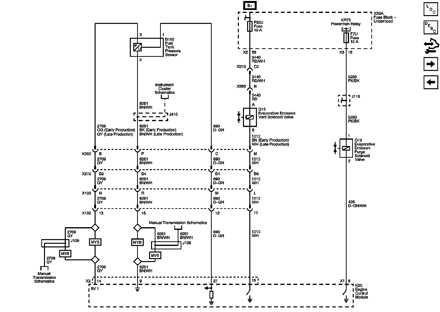
Fuel Controls - EVAP Controls






Subsystem References