Curiosii for ever!
: Car repair manuals for everyone.
Home
>>
Chevrolet
>>
2010
>>
Aveo L4-1.6L
>>
Repair and Diagnosis
>>
Powertrain Management
>>
Computers and Control Systems
>>
Information Bus
>>
Diagrams
>>
Electrical Diagrams
>>
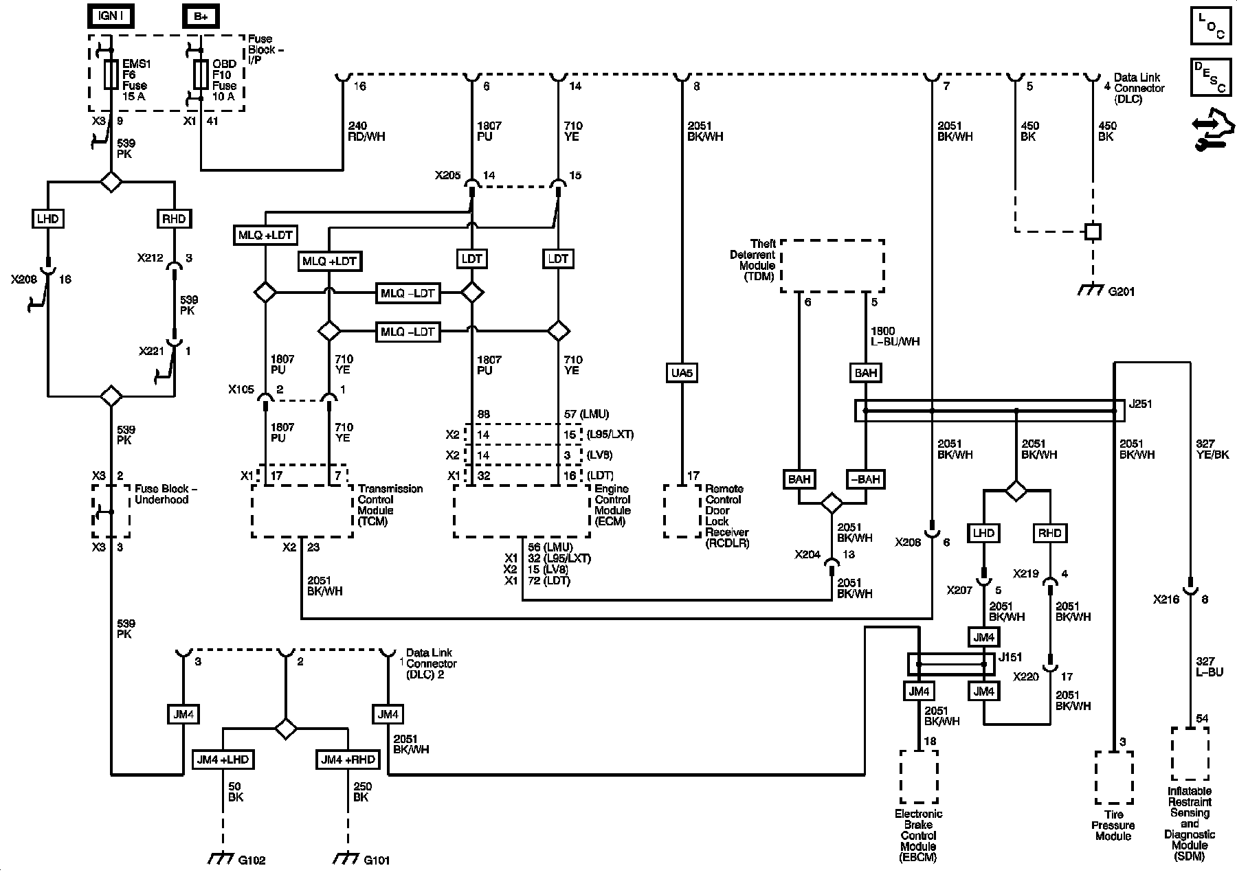
Data Communication Schematics (without WHB)
Data Communication Schematics (without WHB)
Data Communication Schematics (without WHB)
Power, Ground, Data Link Connector