Curiosii for ever!: Car repair manuals for everyone.

Intake Manifold Replacement




Intake Manifold Replacement

Removal Procedure

Note: The intake manifold, throttle body, fuel rail, and injectors may be removed as an assembly. If not servicing the individual components, remove the manifold as a complete assembly.




1. Remove the throttle body. Refer to Throttle Body Assembly Replacement (Removal and Replacement).
2. Remove the fuel injectors. Refer to Fuel Injector Replacement (Service and Repair).
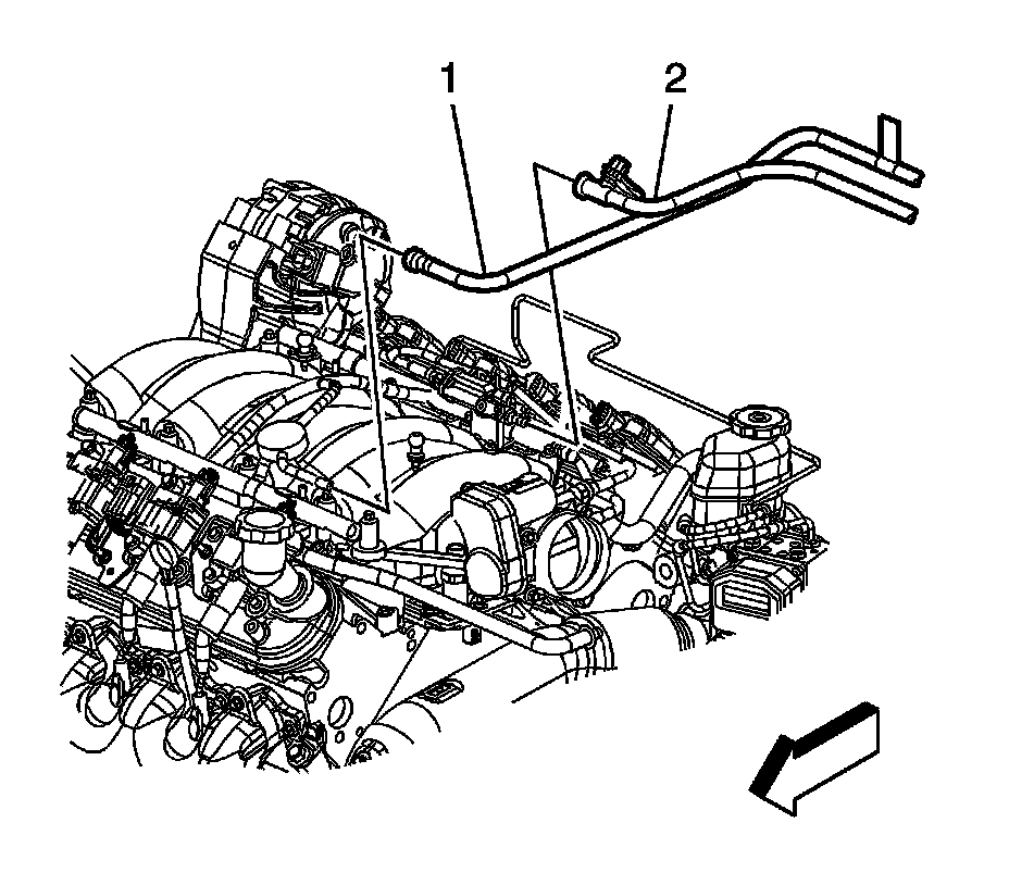
3. Remove the brake booster vacuum hose (1) from the intake manifold (2) and the booster check valve (3).




4. Remove the positive crankcase ventilation (PCV) clean air tube from the air intake duct and valve rocker arm cover. Refer to Plastic Collar Quick Connect Fitting Service (Plastic Collar Quick Connect Fitting Service).




5. Remove the PCV foul air tube from the intake manifold and valve rocker arm cover. Refer to Plastic Collar Quick Connect Fitting Service (Plastic Collar Quick Connect Fitting Service).




6. Remove the evaporative emission (EVAP) purge solenoid tube (2) from the solenoid and reposition. Refer to Plastic Collar Quick Connect Fitting Service (Plastic Collar Quick Connect Fitting Service).




7. Disconnect the following electrical connectors:

* EVAP purge solenoid (1)
* Manifold absolute pressure (MAP) sensor (2)
* Oil pressure sensor (4)
* Valve lifter oil manifold (5)




8. Remove the MAP sensor (714) from the intake manifold.




9. Remove the EVAP purge solenoid valve and bracket.




10. Remove the intake manifold bolts (512).
11. Remove the intake manifold (500).




12. Remove and discard the intake manifold gaskets (514).

Installation Procedure




1. Install the NEW intake manifold gaskets (514).




2. Install the intake manifold (500).
3. Apply a band of threadlock to the threads of the intake manifold bolts (512).





Caution: Refer to Fastener Caution (Fastener Caution).

4. Install the intake manifold bolts.

* Tighten the bolts a first pass in sequence to 5 Nm (44 lb in).
* Tighten the bolts a first pass in sequence to 10 Nm (89 lb in).




5. Install the EVAP purge solenoid bracket and solenoid.




6. Install the MAP sensor (714) to the intake manifold.




7. Connect the following electrical connectors:

* EVAP purge solenoid (1)
* MAP sensor (2)
* Oil pressure sensor (4)
* Valve lifter oil manifold (5)




8. Position and install the EVAP purge solenoid tube (2) to the solenoid. Refer to Plastic Collar Quick Connect Fitting Service (Plastic Collar Quick Connect Fitting Service).




9. Install the PCV foul air tube to the intake manifold and valve rocker arm cover. Refer to Plastic Collar Quick Connect Fitting Service (Plastic Collar Quick Connect Fitting Service).




10. Install the PCV clean air tube to the air intake duct and valve rocker arm cover. Refer to Plastic Collar Quick Connect Fitting Service (Plastic Collar Quick Connect Fitting Service).




11. Install the brake booster vacuum hose (1) to the intake manifold (2) and the booster check valve (3).
12. Install the fuel injectors. Refer to Fuel Injector Replacement (Service and Repair).
13. Install the throttle body. Refer to Throttle Body Assembly Replacement (Removal and Replacement).