Curiosii for ever!
: Car repair manuals for everyone.
Home
>>
Chevrolet
>>
2009
>>
Impala V6-3.9L
>>
Repair and Diagnosis
>>
Heating and Air Conditioning
>>
Air Duct
>>
Service and Repair
>>
Air Inlet Assembly Replacement
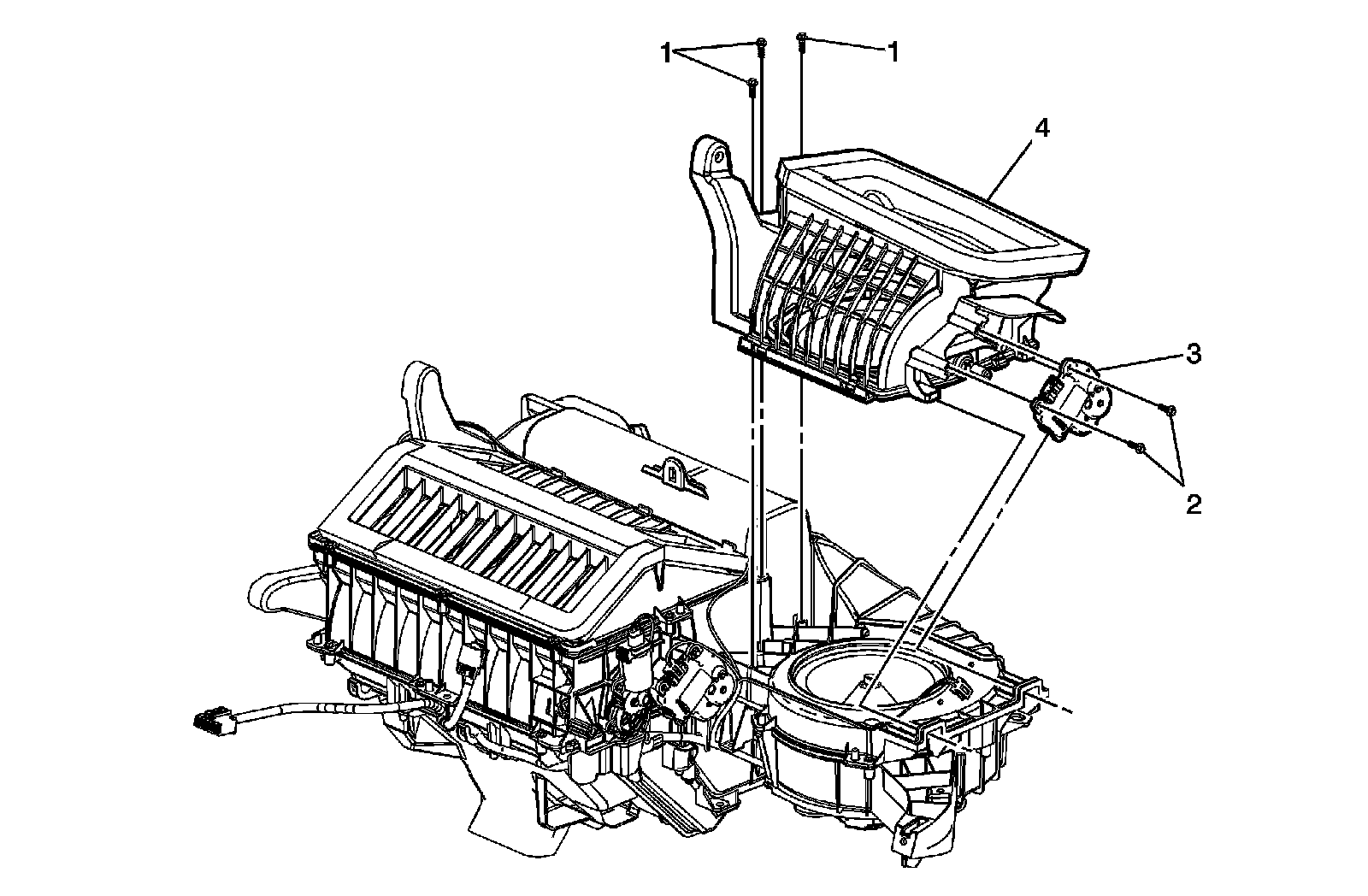
Air Inlet Assembly Replacement
Air Inlet Assembly Replacement