Curiosii for ever!: Car repair manuals for everyone.

Negative: Service and Repair




Battery Positive and Negative Cable Replacement (LS3) (6.2L)

Removal Procedure

1. Disconnect the negative cable lead from the battery. Refer to Battery Negative Cable Disconnection and Connection (LS7 or LS9) (Service and Repair)Battery Negative Cable Disconnection and Connection (LS3) (Service and Repair).




2. Disconnect the positive cable lead (2) from the battery.
3. Remove the battery positive cable to fuse/relay center nut (6) and disconnect the cable (5) from the stud.
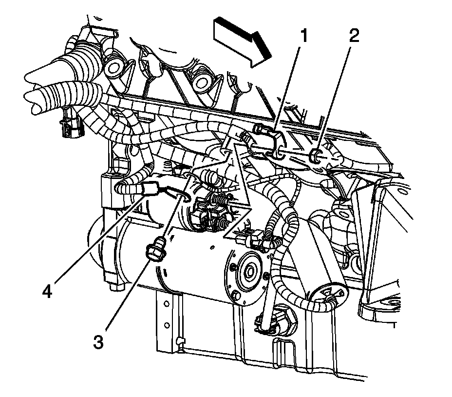
4. Remove the battery ground cable nut (4) and disconnect the cable (3) from the stud.
5. Raise and support the vehicle. Refer to Lifting and Jacking the Vehicle (Service and Repair).




6. Remove the battery positive/negative cable to engine bolt (3).
7. Remove the positive battery cable to starter solenoid nut and disconnect the cable (1) from the stud.
8. Remove the battery positive/negative cable from the vehicle.

Installation Procedure

1. Position the battery positive/negative cable to the vehicle.





Caution: Refer to Fastener Caution (Fastener Caution).

2. Install the positive battery cable (1) to the stud and install the positive battery cable to starter solenoid nut (2) and tighten to 10 Nm (89 lb in).
3. Position the negative battery cable (4) and install the battery positive/negative cable to engine bolt and tighten to 40 Nm (30 lb ft).
4. Lower the vehicle.




5. Position the battery ground cable (3) and install the battery ground cable nut (4) and tighten to 8 Nm (71 lb in).
6. Position the battery positive cable (5) to the stud and install the battery positive cable to fuse/relay center nut (6) and tighten to 10 Nm (89 lb in).
7. Connect the positive cable lead (2) to the battery and tighten to 8 Nm (71 lb in).
8. Connect the negative cable lead to the battery. Refer to Battery Negative Cable Disconnection and Connection (LS7 or LS9) (Service and Repair)Battery Negative Cable Disconnection and Connection (LS3) (Service and Repair).