Curiosii for ever!
: Car repair manuals for everyone.
Home
>>
Chevrolet
>>
2009
>>
Corvette V8-6.2L SC
>>
Repair and Diagnosis
>>
Wiper and Washer Systems
>>
Wiper Motor
>>
Service and Repair
>>
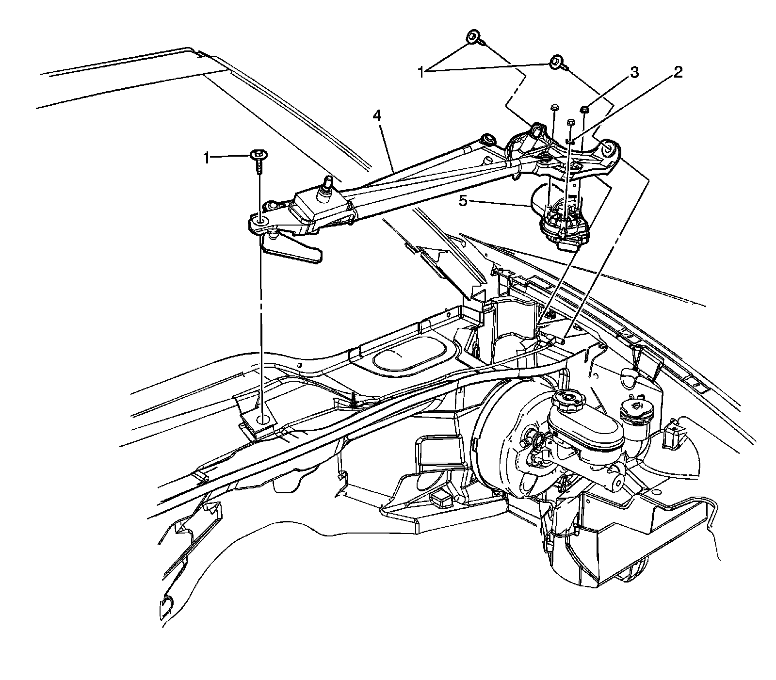
Windshield Wiper System Module Replacement
Windshield Wiper System Module Replacement
Windshield Wiper System Module Replacement