Curiosii for ever!
: Car repair manuals for everyone.
Home
>>
Chevrolet
>>
2008
>>
Malibu Classic V6-3.5L
>>
Repair and Diagnosis
>>
Diagrams
>>
Electrical Diagrams
>>
Powertrain Management
>>
Computers and Control Systems
>>
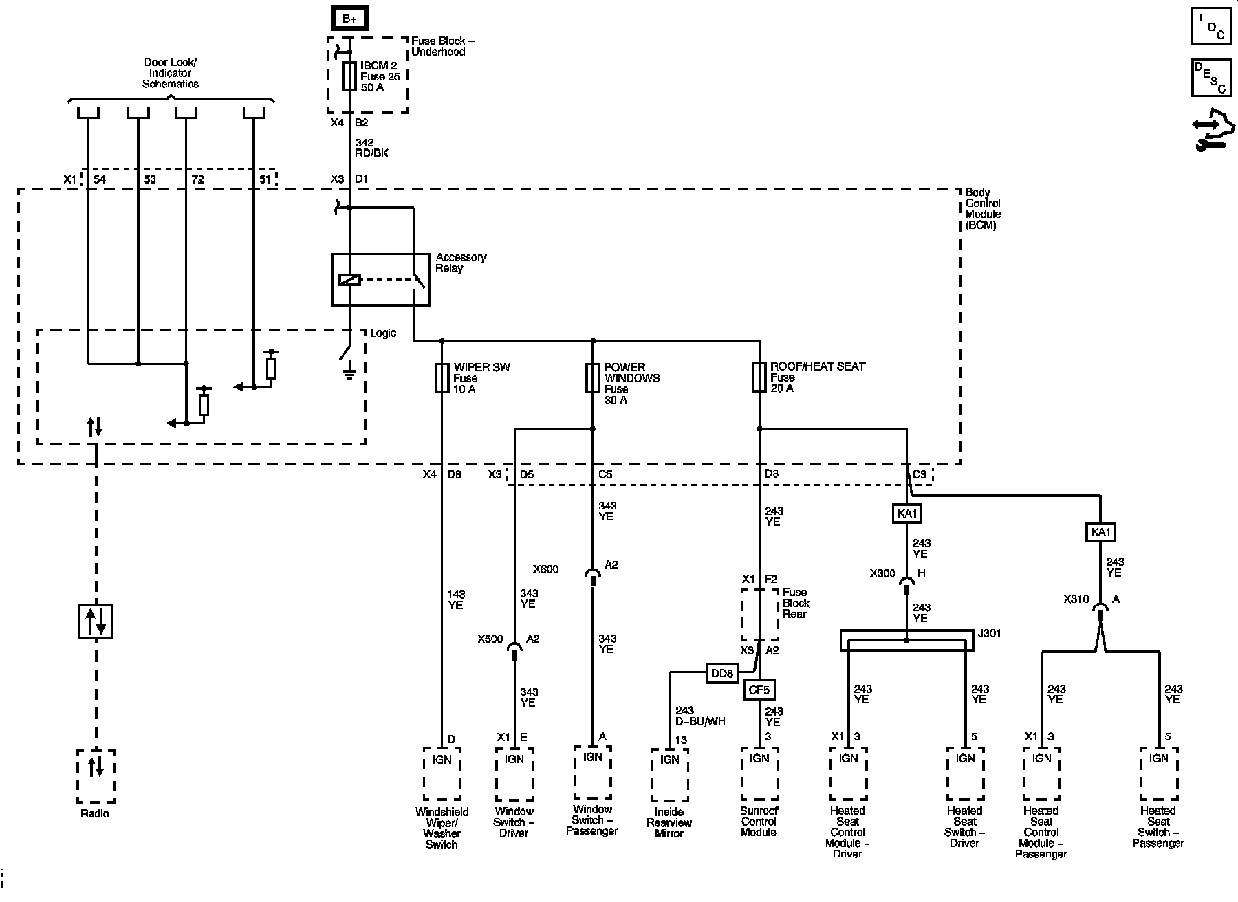
Body Control Module
Body Control Module
Power Moding Schematics
Retained Accessory Power (RAP)