Curiosii for ever!: Car repair manuals for everyone.

Starter Motor: Service and Repair



Starter Motor Replacement (L61)

Removal Procedure




1. Disconnect the negative battery cable.
2. Raise and support the vehicle. Refer to Vehicle Lifting.
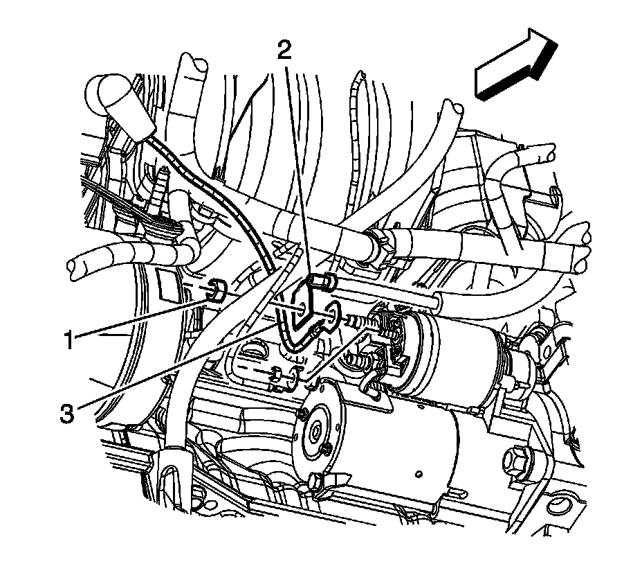
3. Remove the positive battery cable nut (1) from the starter solenoid.
4. Remove the positive battery cable (2) and the engine wiring harness (3) terminal from the starter solenoid.




5. Remove the starter solenoid "S" terminal nut (1) from the starter solenoid.
6. Remove the engine wiring harness terminal (2) from the starter solenoid.




7. Remove the starter motor bolts.
8. Remove the starter motor.

Installation Procedure




1. Position the starter motor to the engine block.

Notice: Refer to Fastener Notice.

2. Install the starter motor bolts.

Tighten the bolts to 53 N.m (39 lb ft).




3. Install the engine wiring harness terminal (2) to the starter solenoid.
4. Install the starter solenoid "S" terminal nut (1) to the starter solenoid.

Tighten the nut to 3 N.m (27 lb in).




5. Install the engine wiring harness (3) terminal and the positive battery cable (2) to the starter solenoid.
6. Install the positive battery cable nut (1) to the starter solenoid.

Tighten the nut to 10 N.m (89 lb in).

7. Lower the vehicle.
8. Connect the negative battery cable.