Curiosii for ever!: Car repair manuals for everyone.

Electrical Diagrams



ENGINE CONTROLS SCHEMATICS

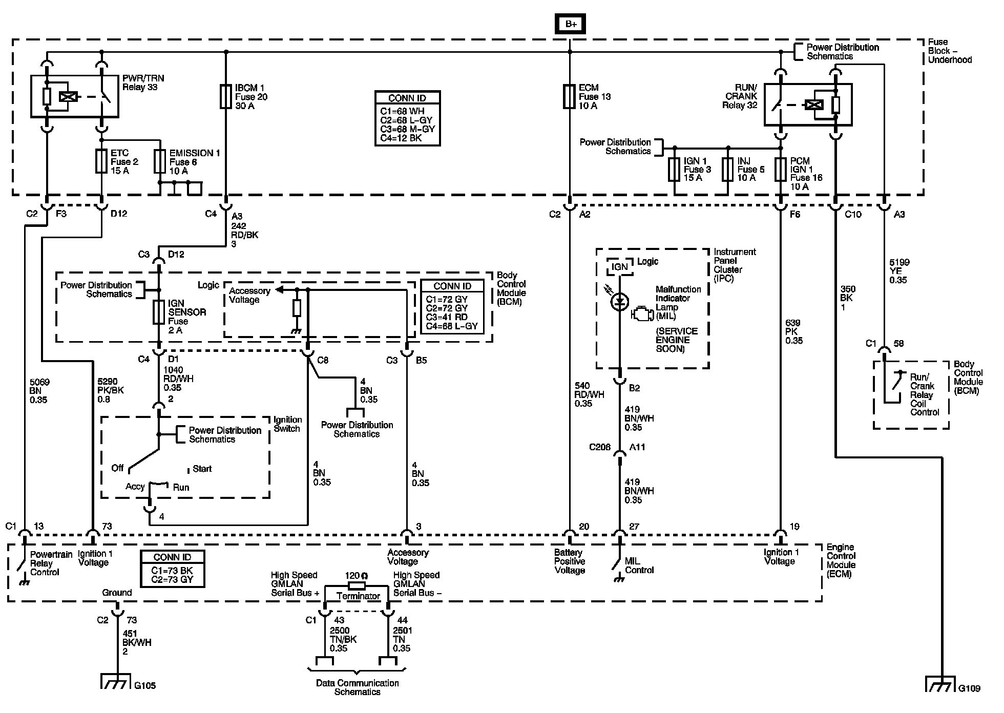
Power, Ground, Serial Data and MIL







5-Volt and Low References







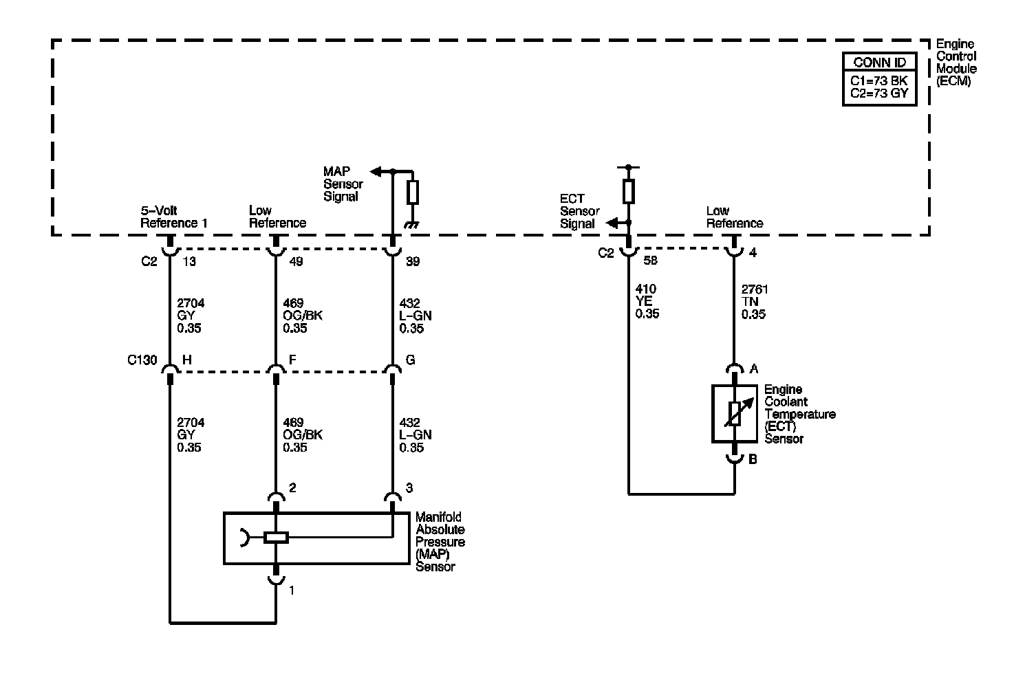
ECT and MAP Sensors







Heated Oxygen Sensors







Electronic Throttle Controls







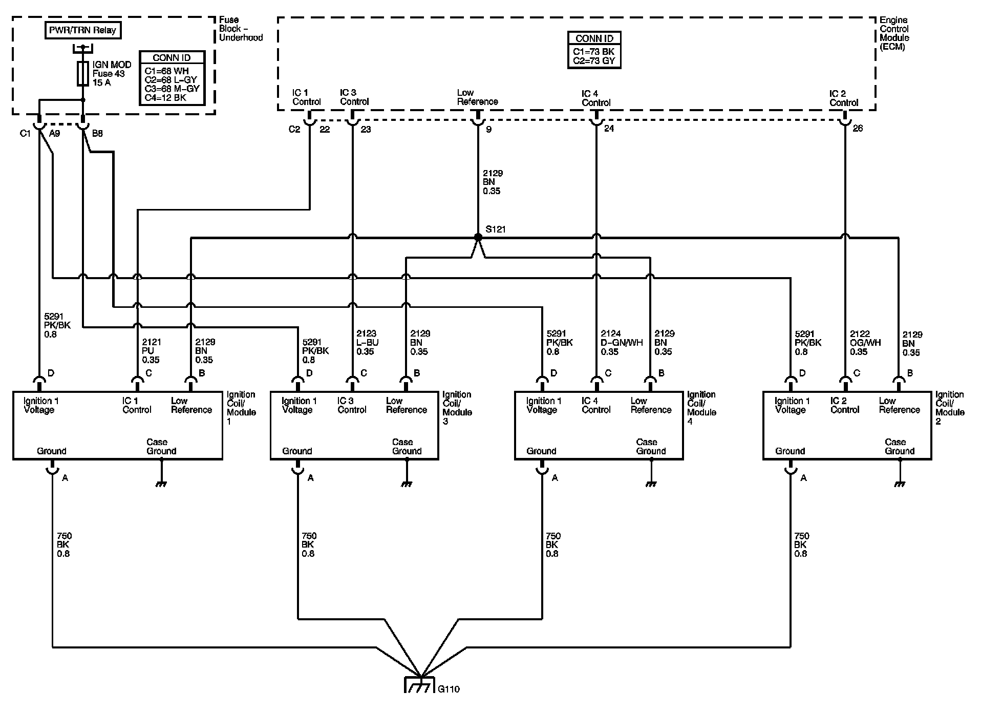
Ignition Coils/Modules







CMP, CKP and KS Sensors







Fuel Pump Controls







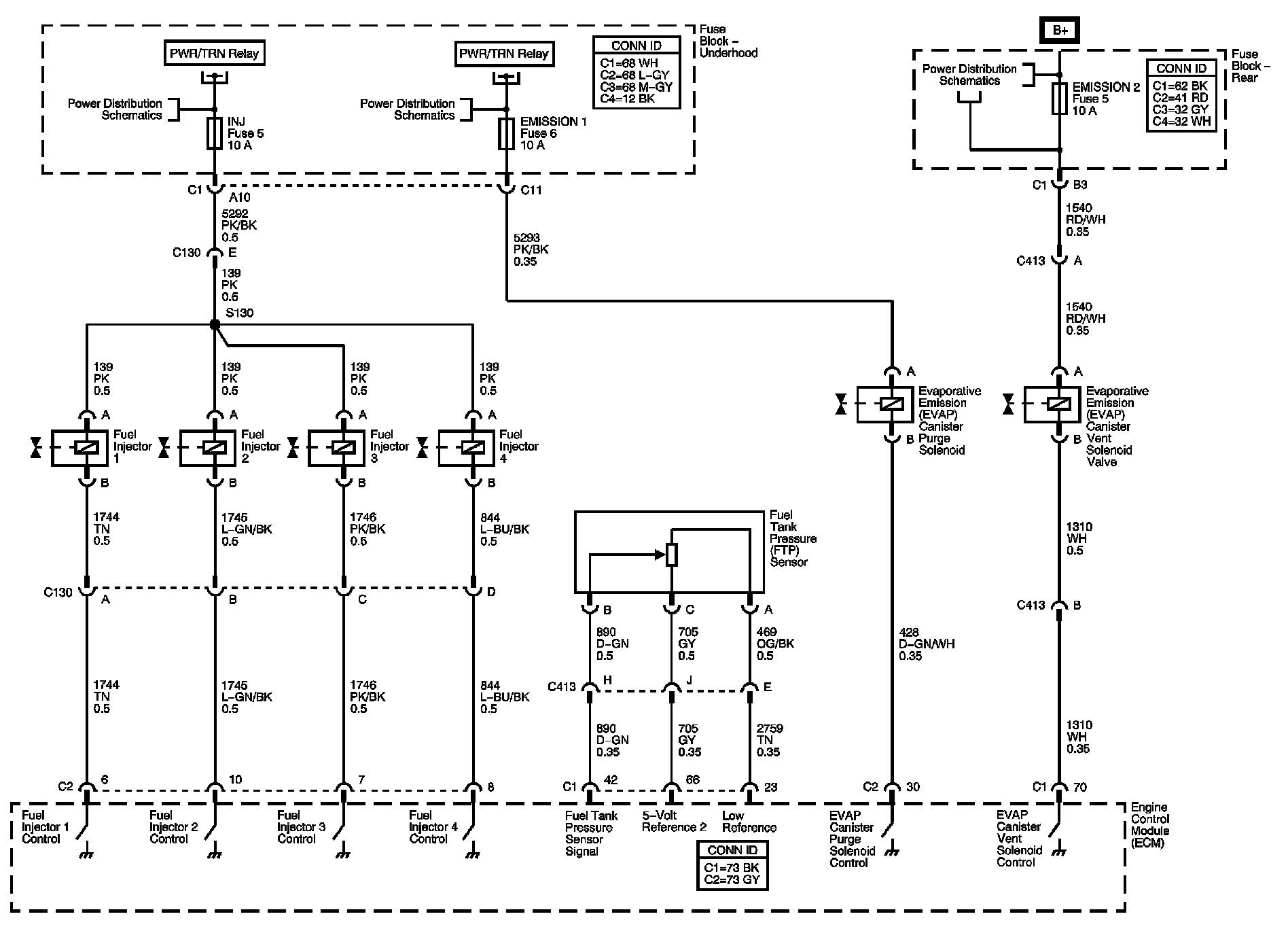
EVAP Controls, Fuel Injectors and FTP Sensor







Controlled/Monitored Subsystem References







Locations: The locations for the Connectors, Grounds, Splices, and Grommets shown within these diagrams can be found via their numbers at Vehicle Locations. Locations