Curiosii for ever!: Car repair manuals for everyone.

System Diagram



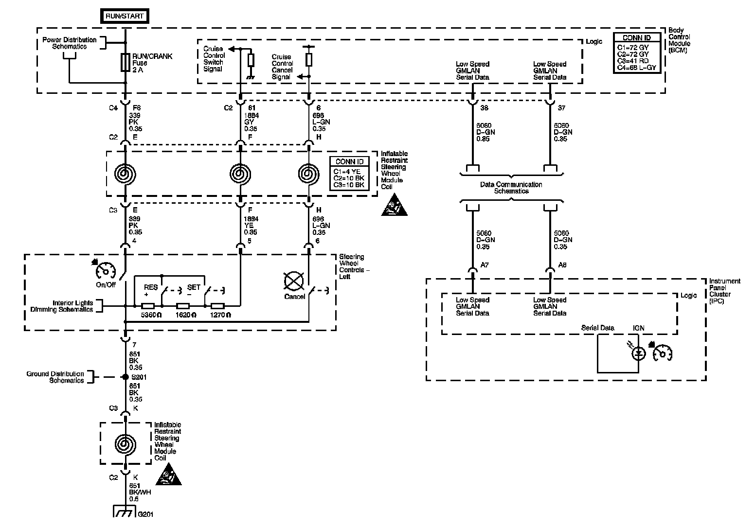
Cruise Control Schematics

Steering Wheel Controls (3-Spoke)






Steering Wheel Controls (4-Spoke)






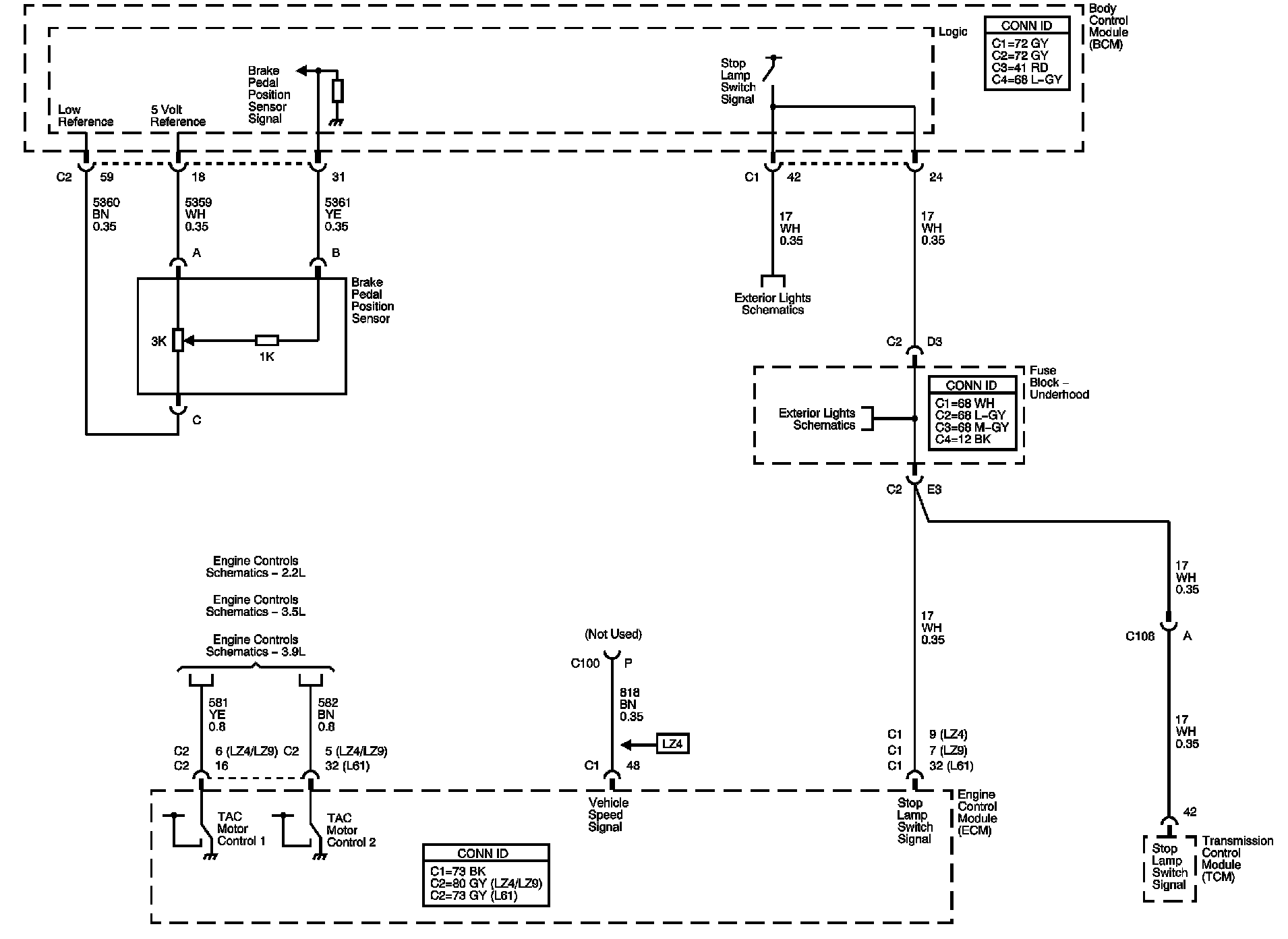
Brake Pedal Position Sensor and Stop Lamp Switch Signal






Locations: The locations for the Connectors, Grounds, Splices, and Grommets shown within these diagrams can be found via their numbers at Vehicle Locations. Locations