Curiosii for ever!: Car repair manuals for everyone.

Electrical Diagrams



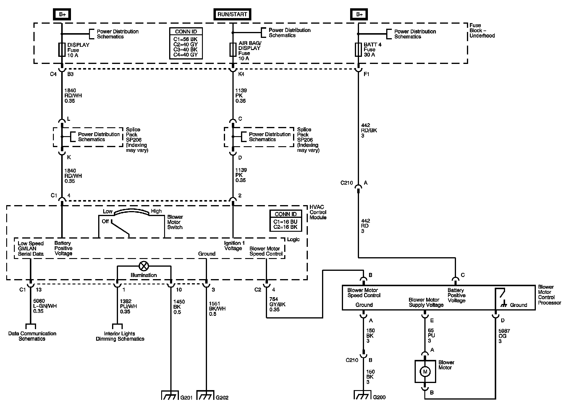
HVAC Schematics

Power, Ground, and Blower Motor Control






A/C Compressor Controls






Mode and Air Temperature Controls






Locations: The locations for the Connectors, Grounds, Splices, and Grommets shown within these diagrams can be found via their numbers at Vehicle Locations. Locations