Curiosii for ever!
: Car repair manuals for everyone.
Home
>>
Chevrolet
>>
2007
>>
Impala V8-5.3L
>>
Repair and Diagnosis
>>
Brakes and Traction Control
>>
Disc Brake System
>>
Brake Caliper
>>
Service and Repair
>>
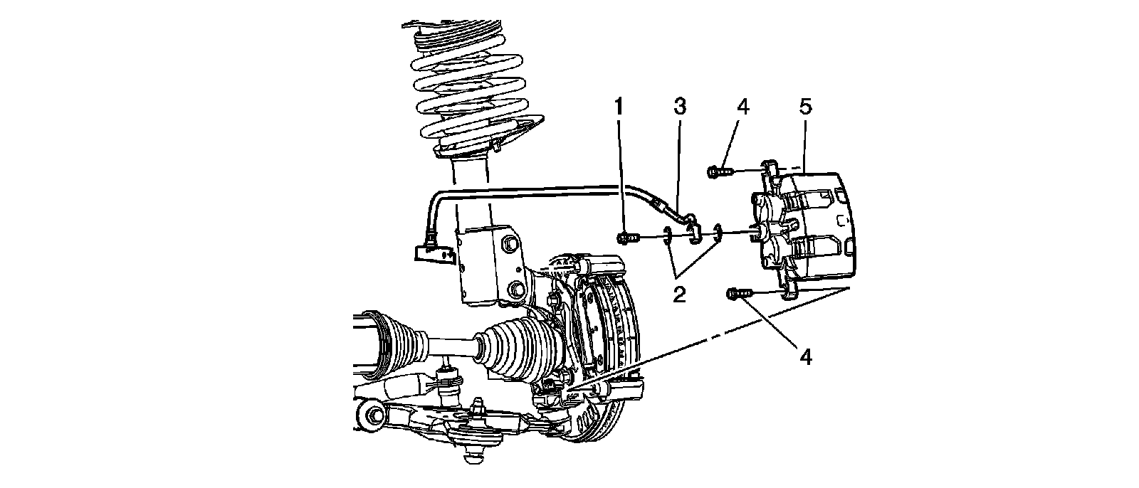
Front Brake Caliper Replacement
Front Brake Caliper Replacement
Front
Brake Caliper
Replacement