Curiosii for ever!
: Car repair manuals for everyone.
Home
>>
Chevrolet
>>
2007
>>
Impala V6-3.9L
>>
Repair and Diagnosis
>>
Steering and Suspension
>>
Steering
>>
Steering Column
>>
Service and Repair
>>
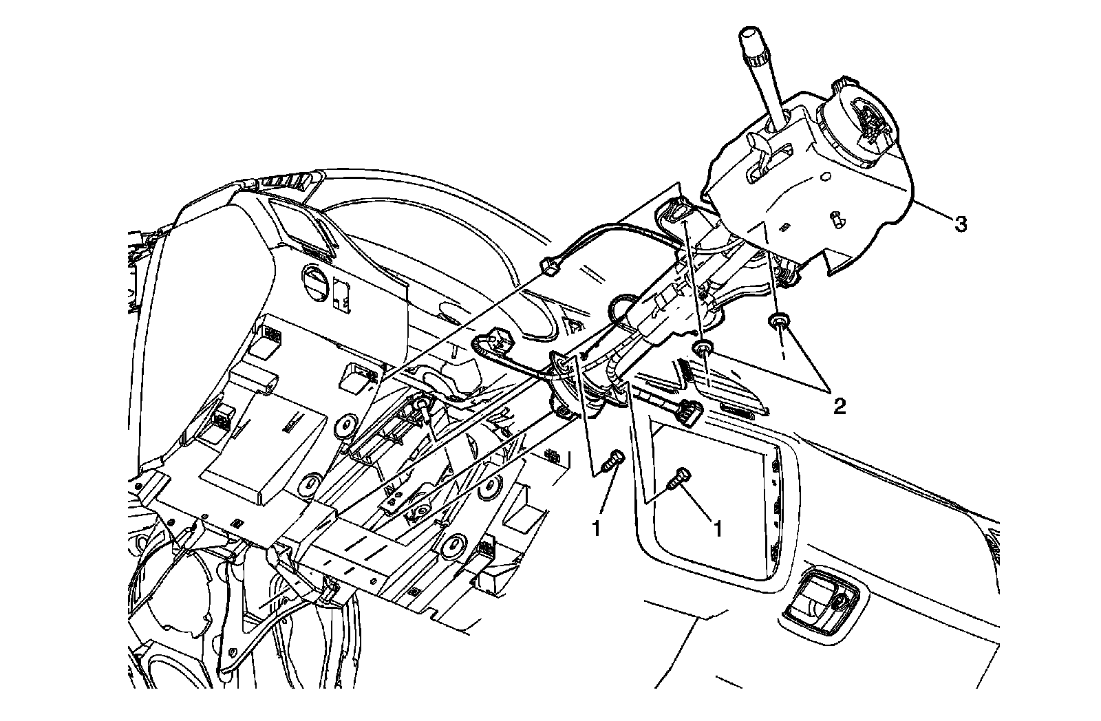
Steering Column Replacement
Steering Column Replacement
Steering Column
Replacement