Curiosii for ever!: Car repair manuals for everyone.

Electrical Diagrams



ENGINE CONTROLS SCHEMATICS

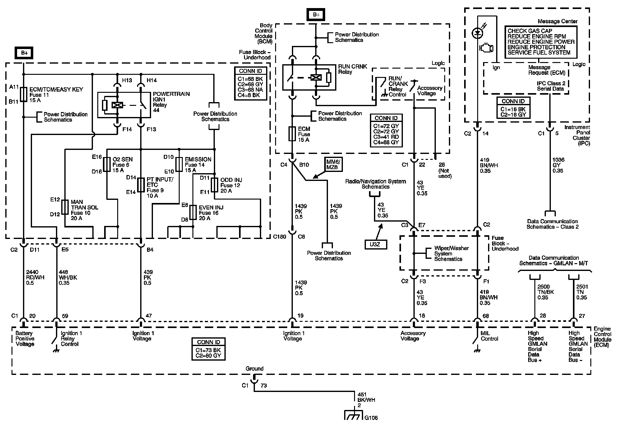
DLC, Ground, MIL, and Power







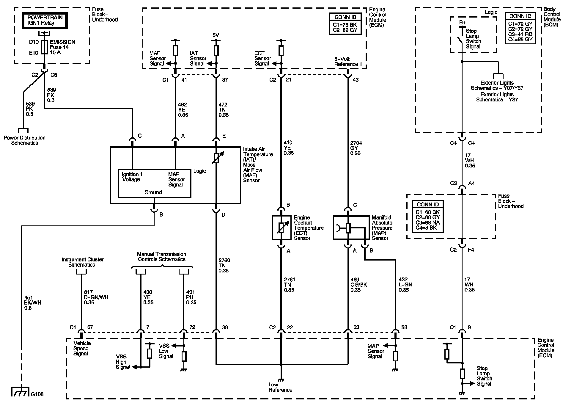
Engine Data Sensors - 5-Volt Reference







Engine Data Sensors - Low Reference







Engine Data Sensors - Pressure, Temperature, MAF, VSS, and Extended Brake Travel







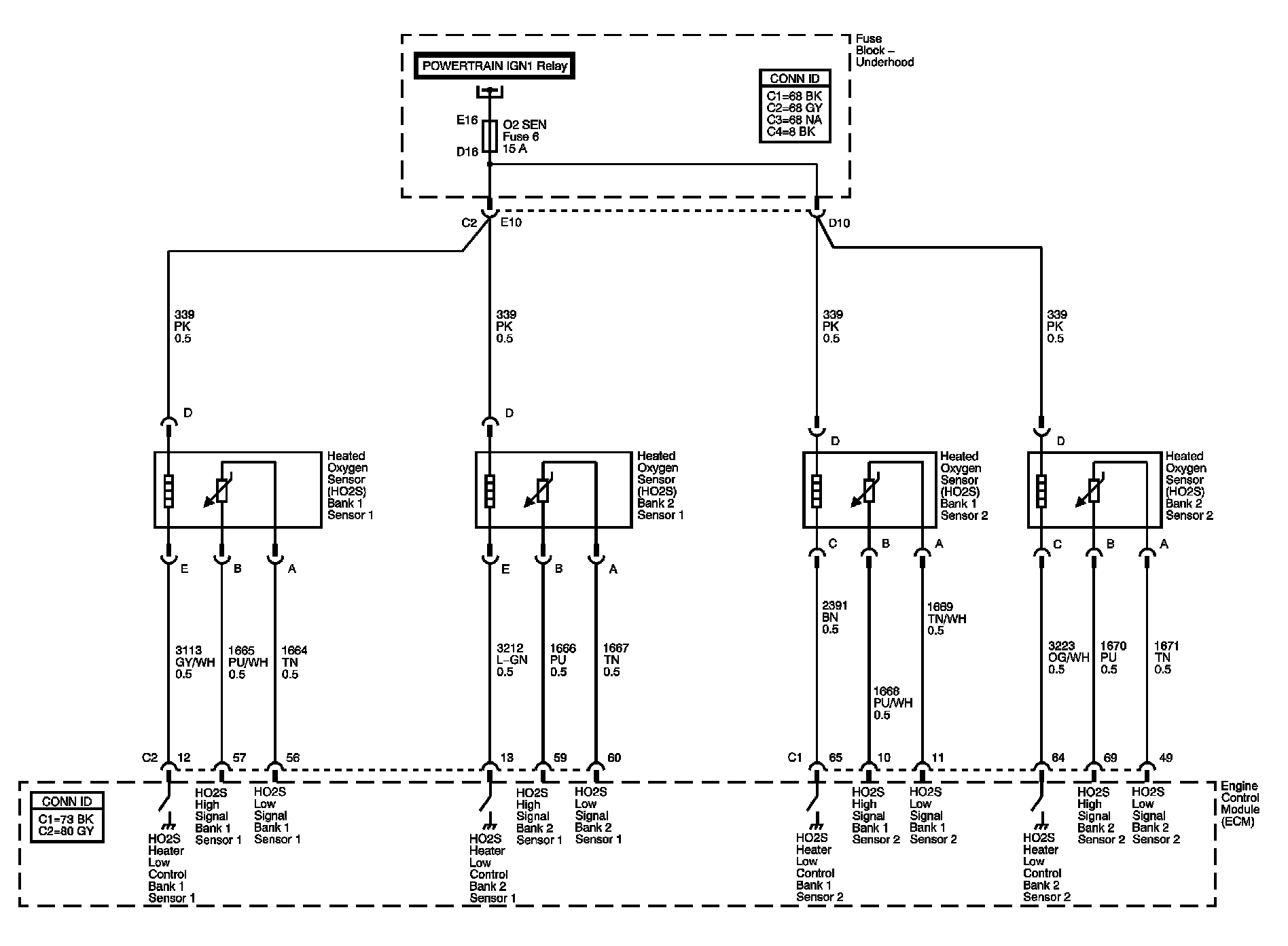
Engine Data Sensors - Oxygen Sensors







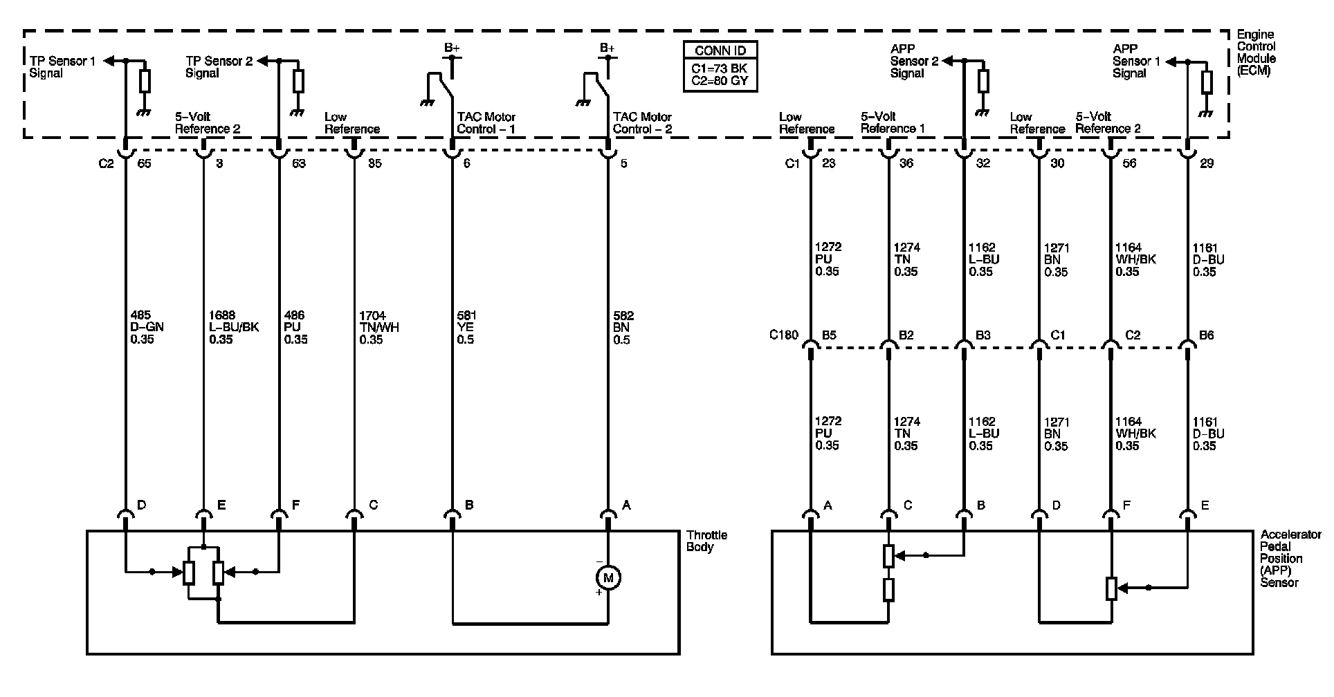
Engine Data Sensors - Electronic Throttle Controls







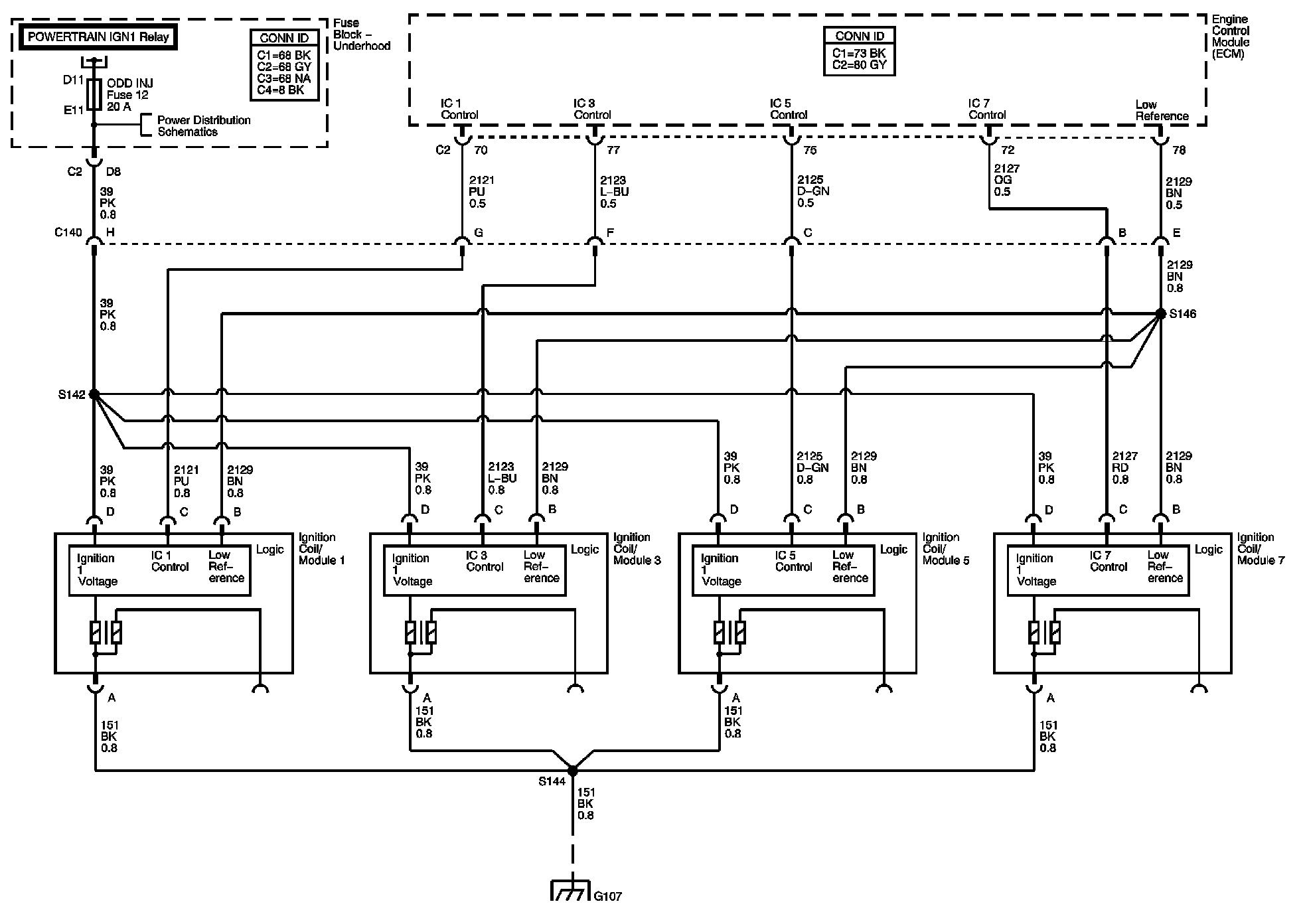
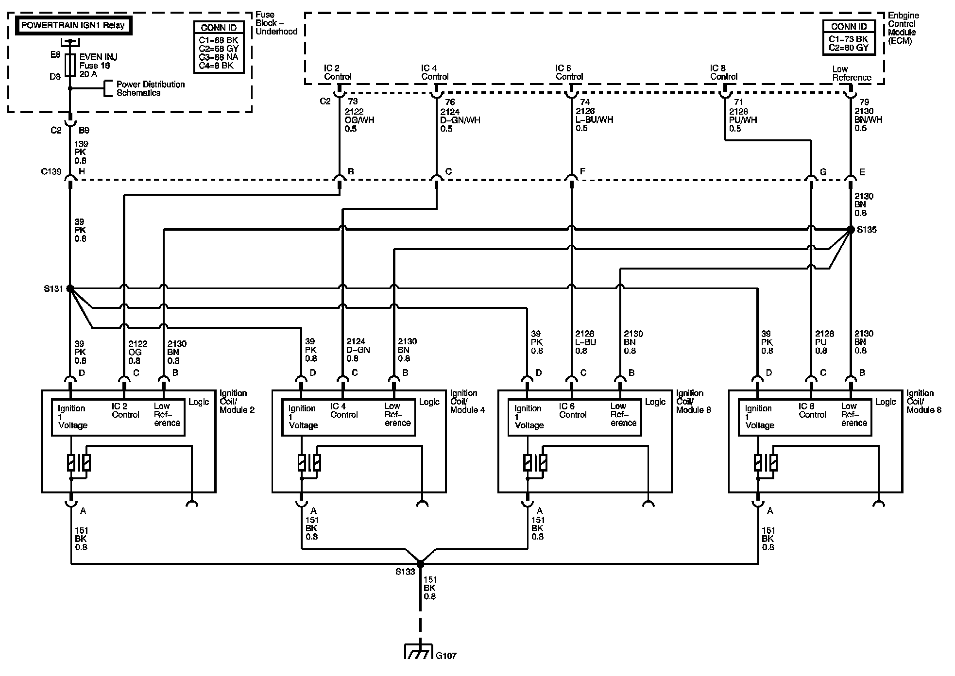
Ignition System - Bank 1







Ignition System - Bank 2







Ignition Controls - Sensors







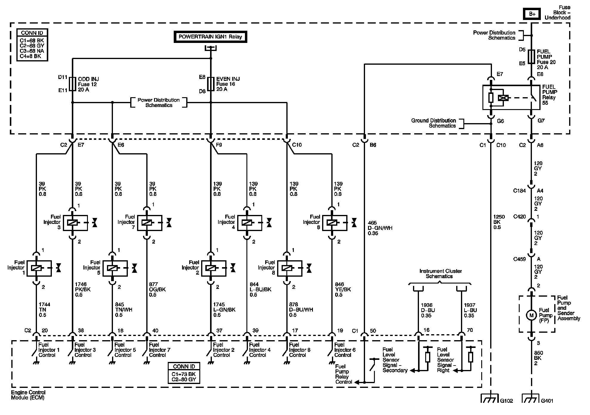
Fuel Pump Controls and Injectors







Fuel Controls - EVAP Controls







Controlled/Monitored Subsystem and Manual Transmission Control References






Locations: The locations for the Connectors, Grounds, Splices, and Grommets shown within these diagrams can be found via their numbers at Vehicle Locations. Locations