Curiosii for ever!
: Car repair manuals for everyone.
Home
>>
Chevrolet
>>
2007
>>
Corvette V8-7.0L
>>
Repair and Diagnosis
>>
Maintenance
>>
Fluids
>>
Fluid - A/T
>>
Service and Repair
>>
Removal and Replacement
Removal and Replacement
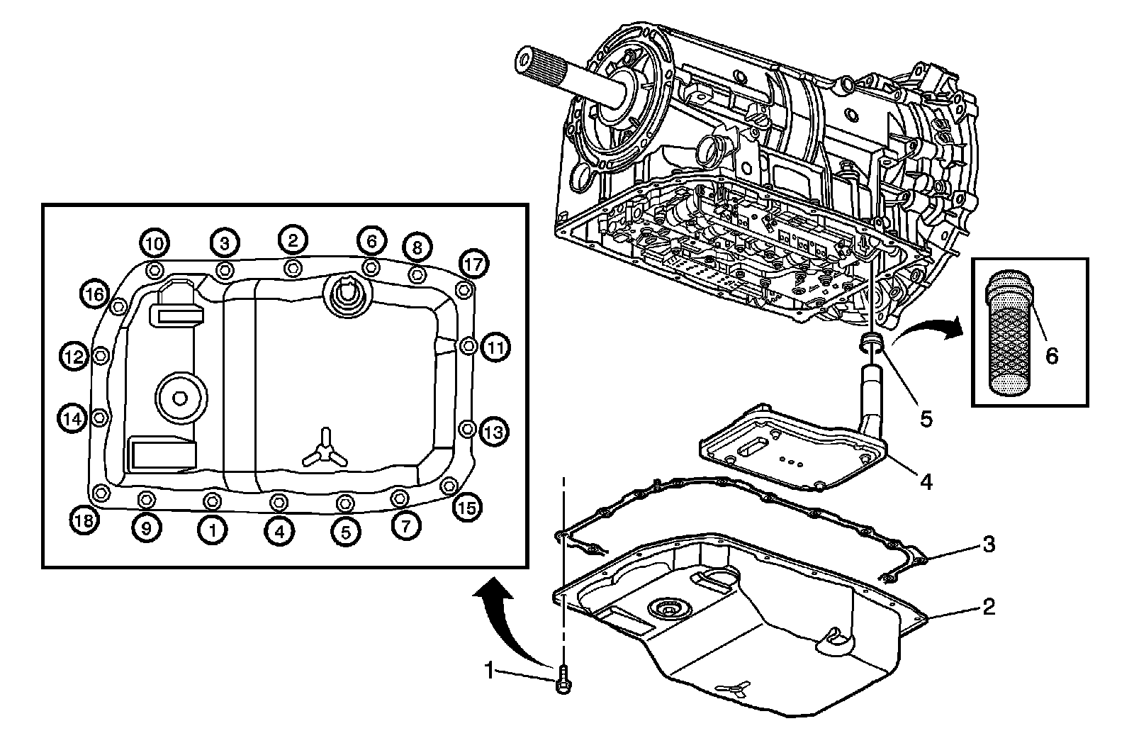
Automatic Transmission Fluid, Fluid Pan and/or Filter Replacement