Curiosii for ever!
: Car repair manuals for everyone.
Home
>>
Chevrolet
>>
2007
>>
Corvette V8-7.0L
>>
Repair and Diagnosis
>>
Diagrams
>>
Electrical Diagrams
>>
Steering
>>
Steering Column
>>
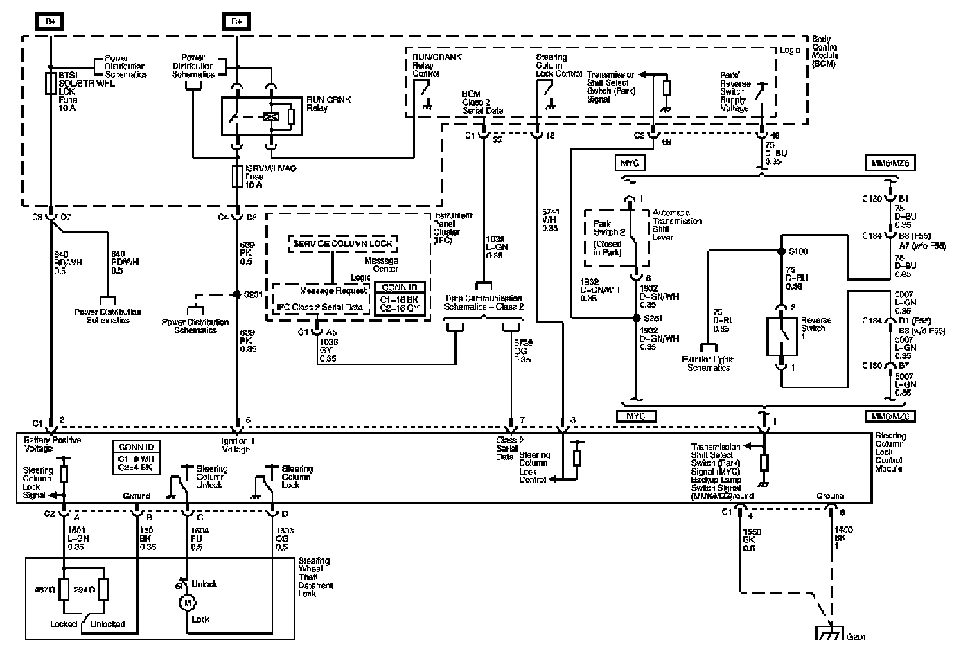
Column Lock Schematics
Column Lock Schematics
Column Lock Schematics
Column Lock Schematics:
Locations:
The locations for the Connectors, Grounds, Splices, and Grommets shown within these diagrams can be found via their numbers at Vehicle Locations.
Locations