Curiosii for ever!: Car repair manuals for everyone.

Body Control Systems



Body Control System Schematics

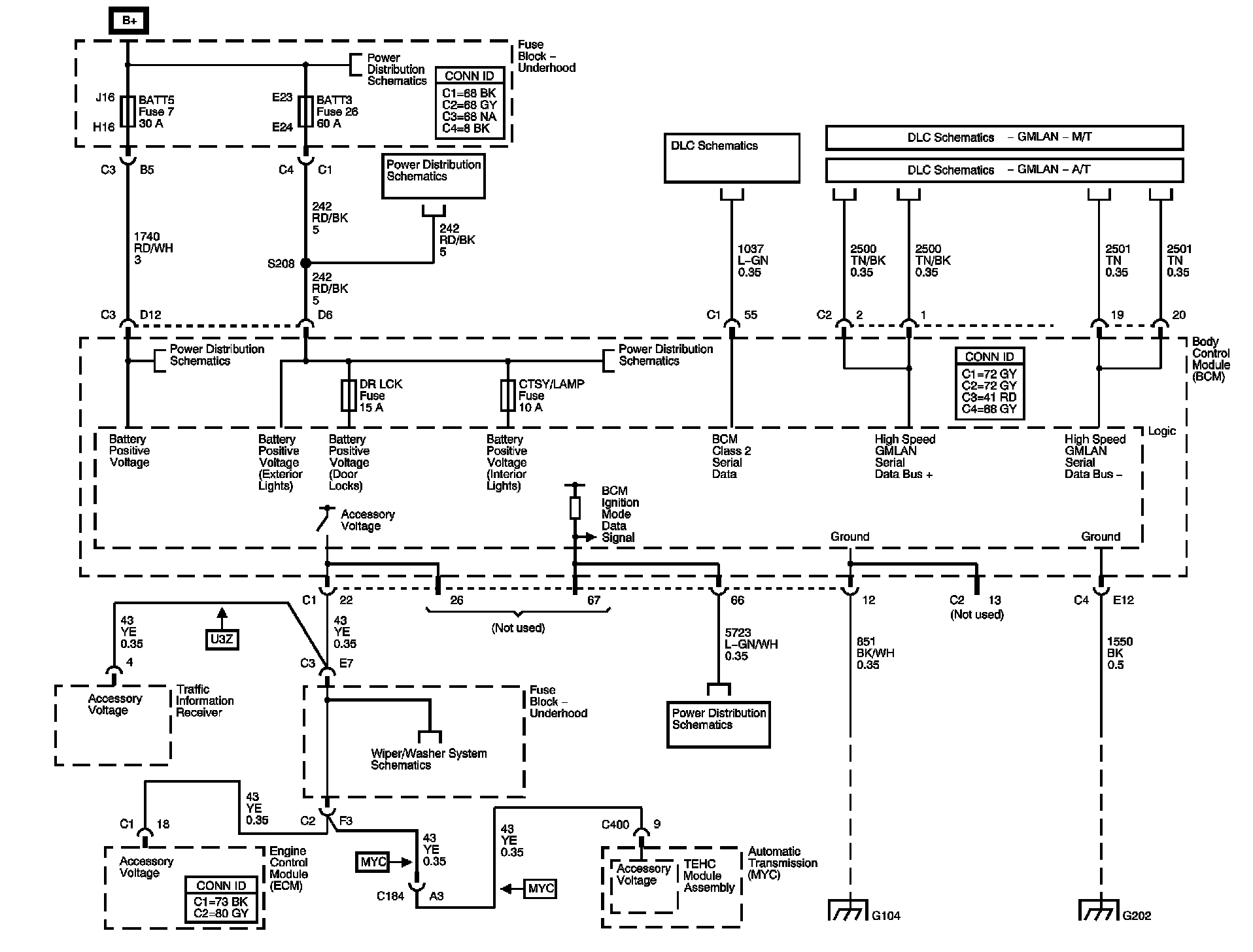
DLC, Ground and Power






Lighting References 1 of 2






Lighting References 2 of 2






Subsystem References 1 of 2






Subsystem References 2 of 2






Locations: The locations for the Connectors, Grounds, Splices, and Grommets shown within these diagrams can be found via their numbers at Vehicle Locations. Locations