Curiosii for ever!: Car repair manuals for everyone.

Manifold Pressure/Vacuum Sensor: Service and Repair



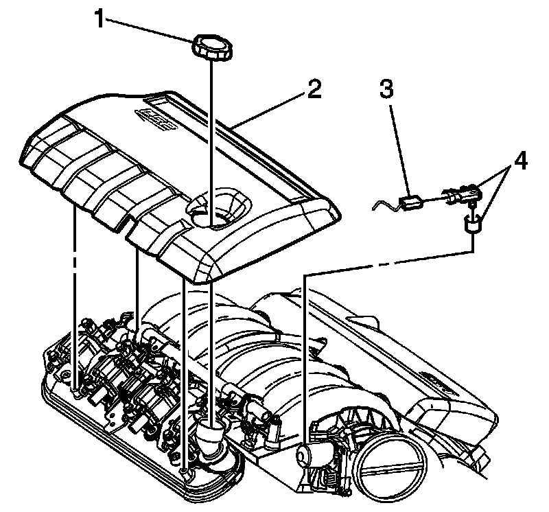
Manifold Absolute Pressure Sensor Replacement

Removal Procedure




1. Remove the oil filler cap (1).
2. Remove the right engine sight shield (2).
3. Remove the manifold absolute pressure (MAP) sensor (4).
4. Disconnect the electrical connector (3) for the MAP sensor.

Installation Procedure




1. Reconnect the MAP sensor electrical connector (3) to the engine wiring harness.
2. Install the MAP sensor (4).
3. Install engine sight shield (2).
4. Install the oil filler cap (1).