Curiosii for ever!: Car repair manuals for everyone.

System Diagram



ENGINE CONTROLS SCHEMATICS

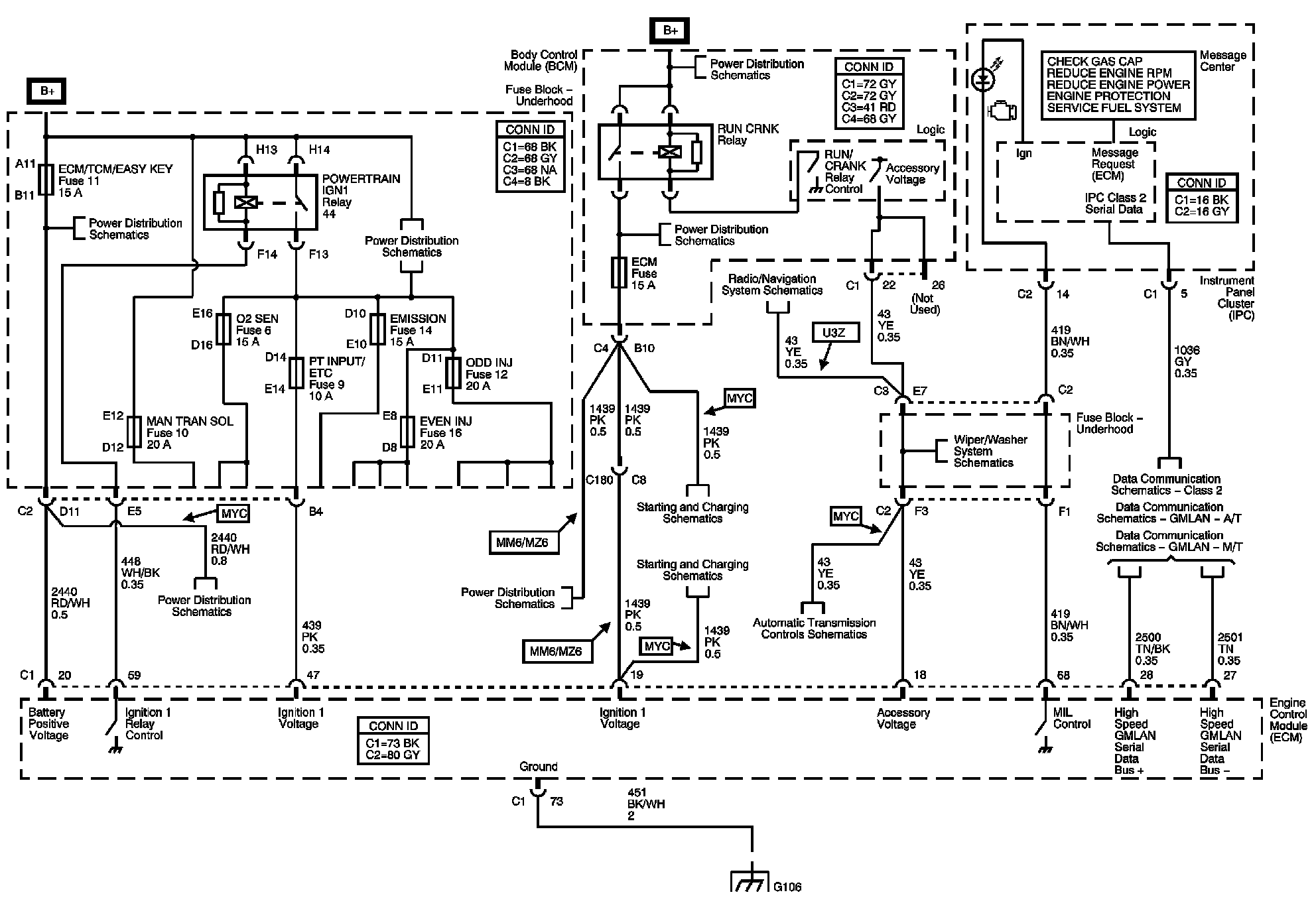
DLC, Ground, MIL and Power







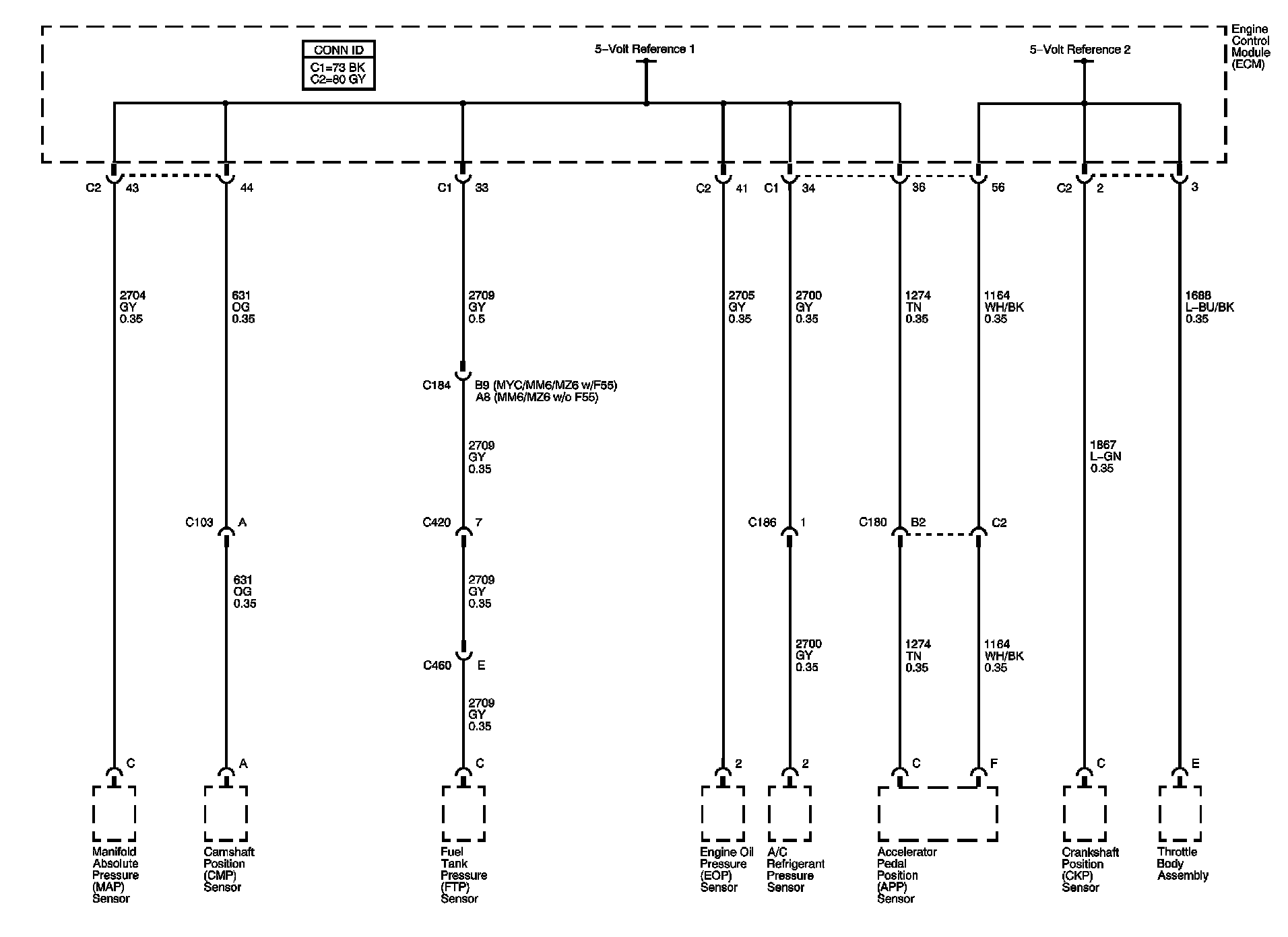
5-Volt Reference Bussing







Low Reference Bussing







Engine Data Sensors - Pressure, Temperature, IAT/MAF, VSS and Brake Travel







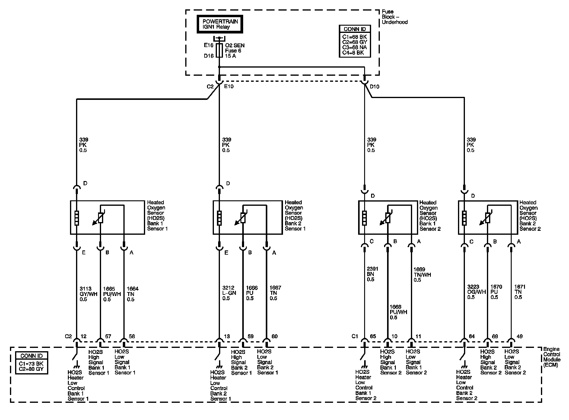
Engine Data Sensors - Oxygen Sensors







Engine Data Sensors - Electronic Throttle Controls







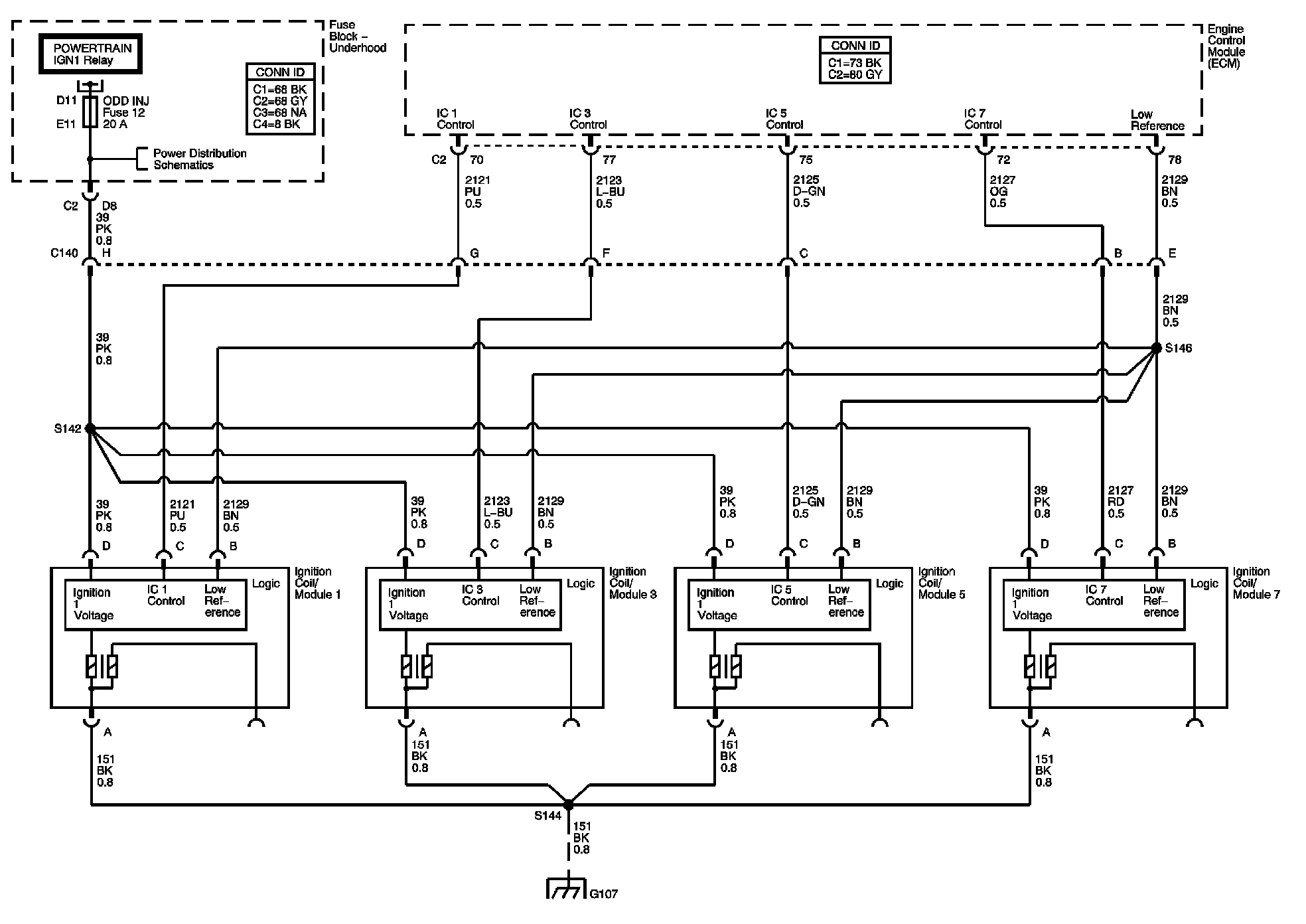
Ignition Controls System - Bank 1







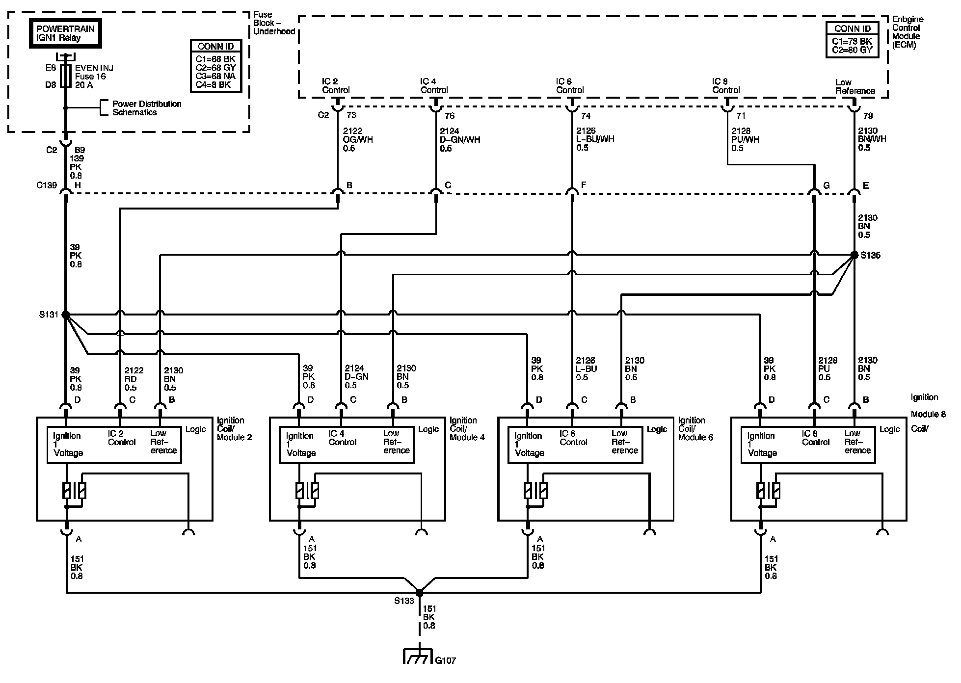
Ignition Controls System - Bank 2







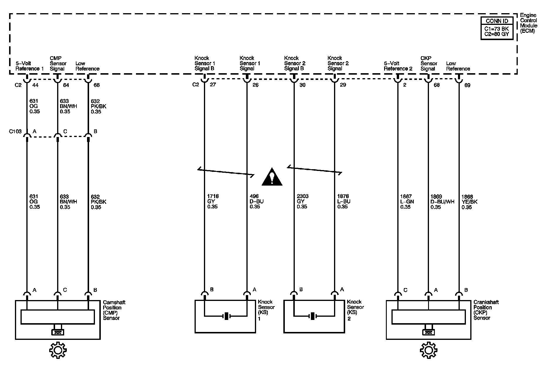
Ignition Controls - Sensors







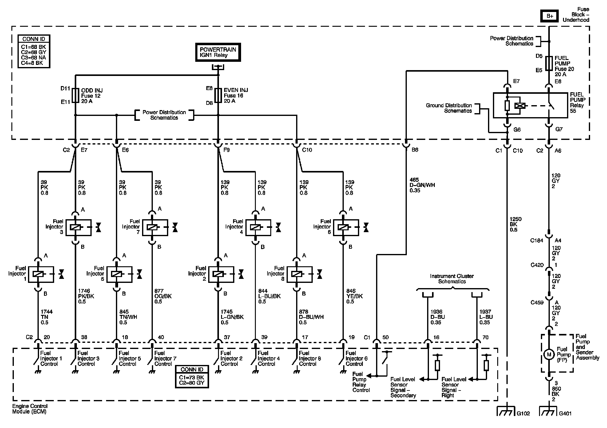
Fuel Controls - Fuel Pump Controls and Injectors







Fuel Controls - EVAP Controls







Controlled/Monitored Subsystem References







Locations: The locations for the Connectors, Grounds, Splices, and Grommets shown within these diagrams can be found via their numbers at Vehicle Locations. Locations