Curiosii for ever!: Car repair manuals for everyone.

Electrical Diagrams



ENGINE CONTROLS SCHEMATICS

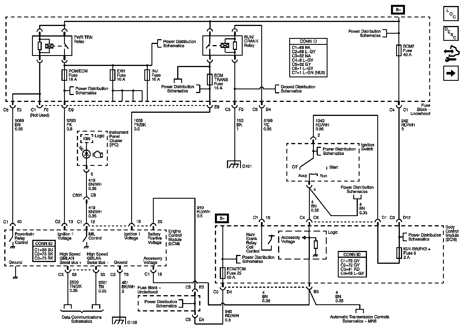
Power, Ground, MIL, Communication







5-Volt and Low Reference Bussing







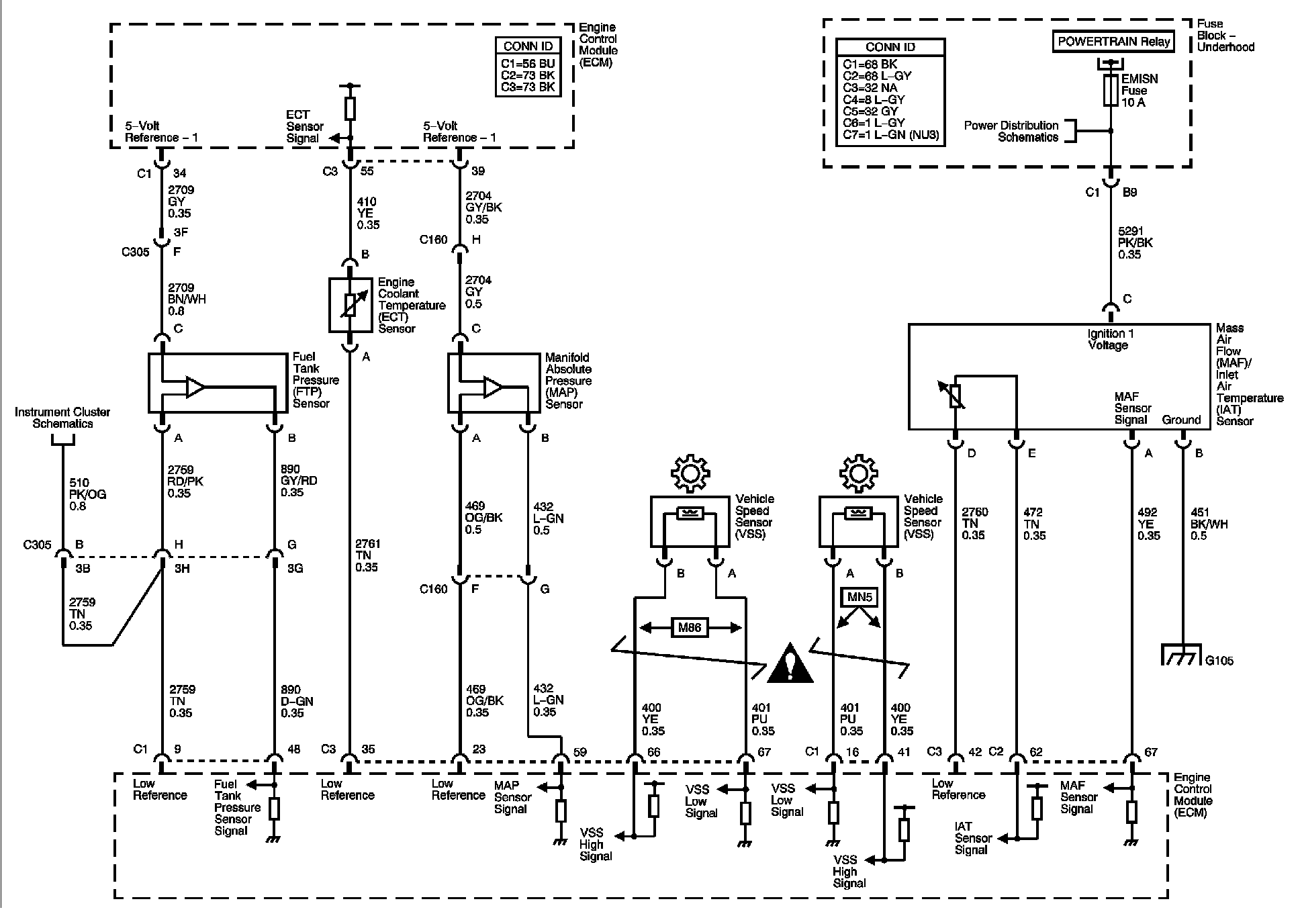
Engine Data Sensors - Pressure, Temperature, MAF, VSS







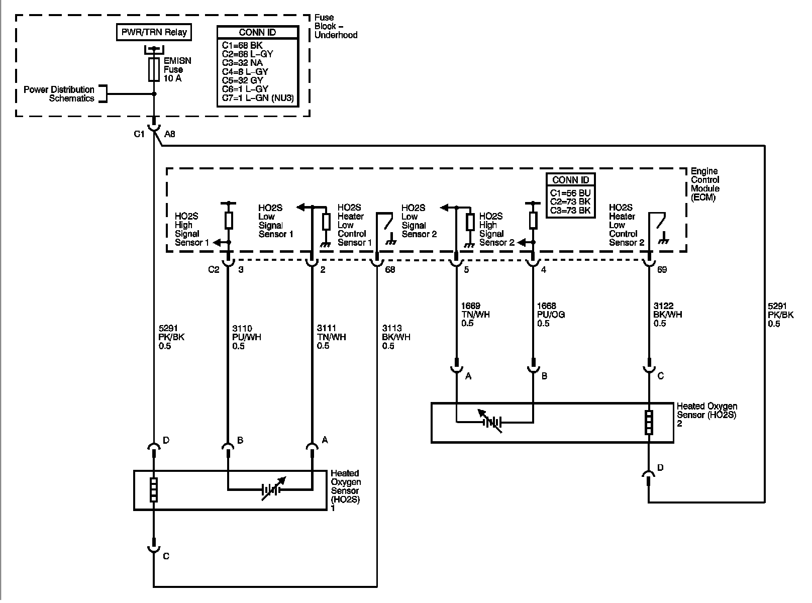
Engine Data Sensors - HO2S







Engine Data Sensors - Throttle Controls







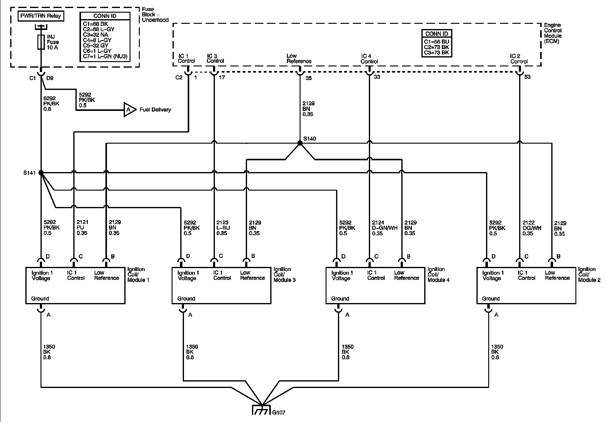
Ignition Controls - Ignition System







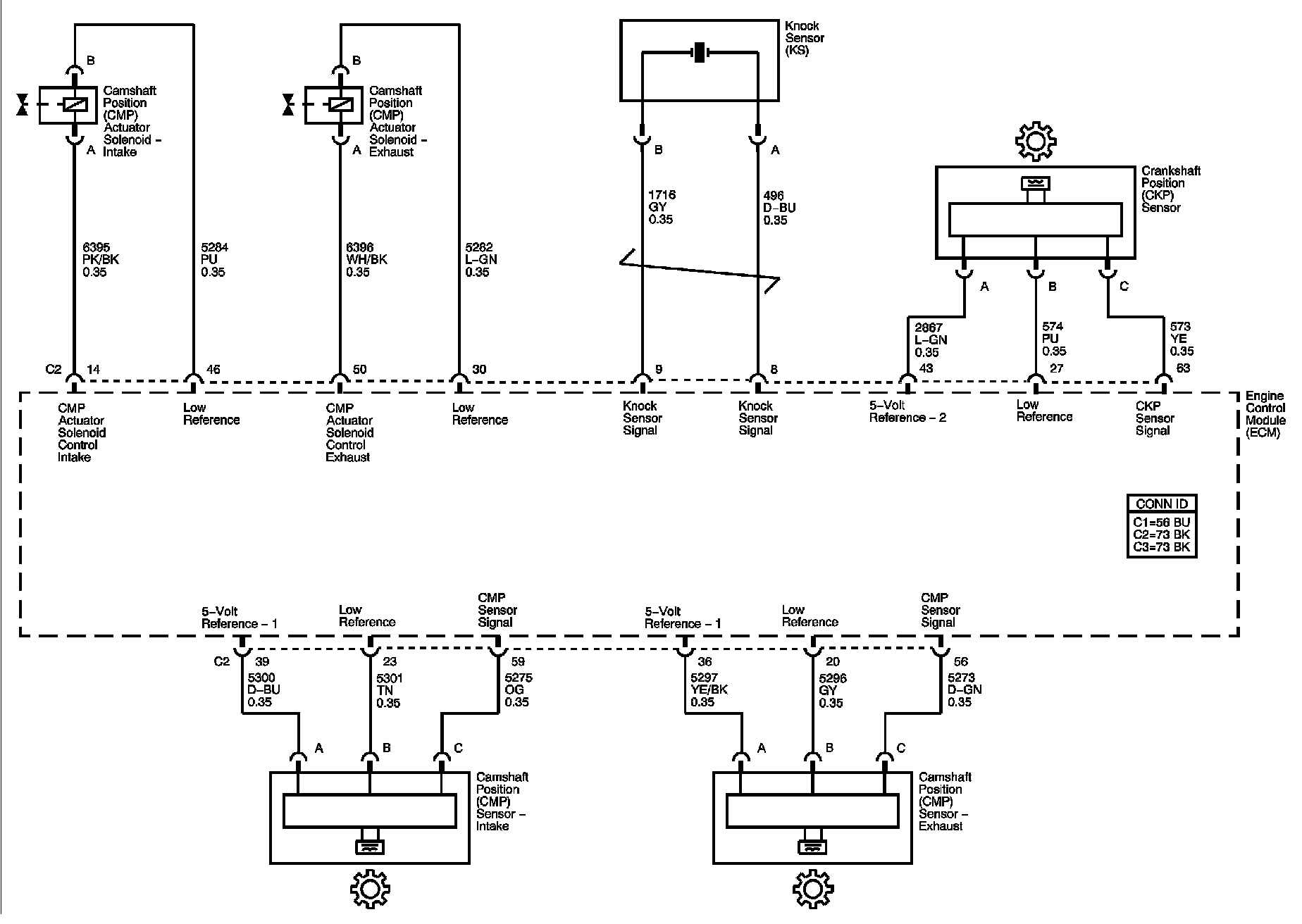
Ignition Controls - Sensors







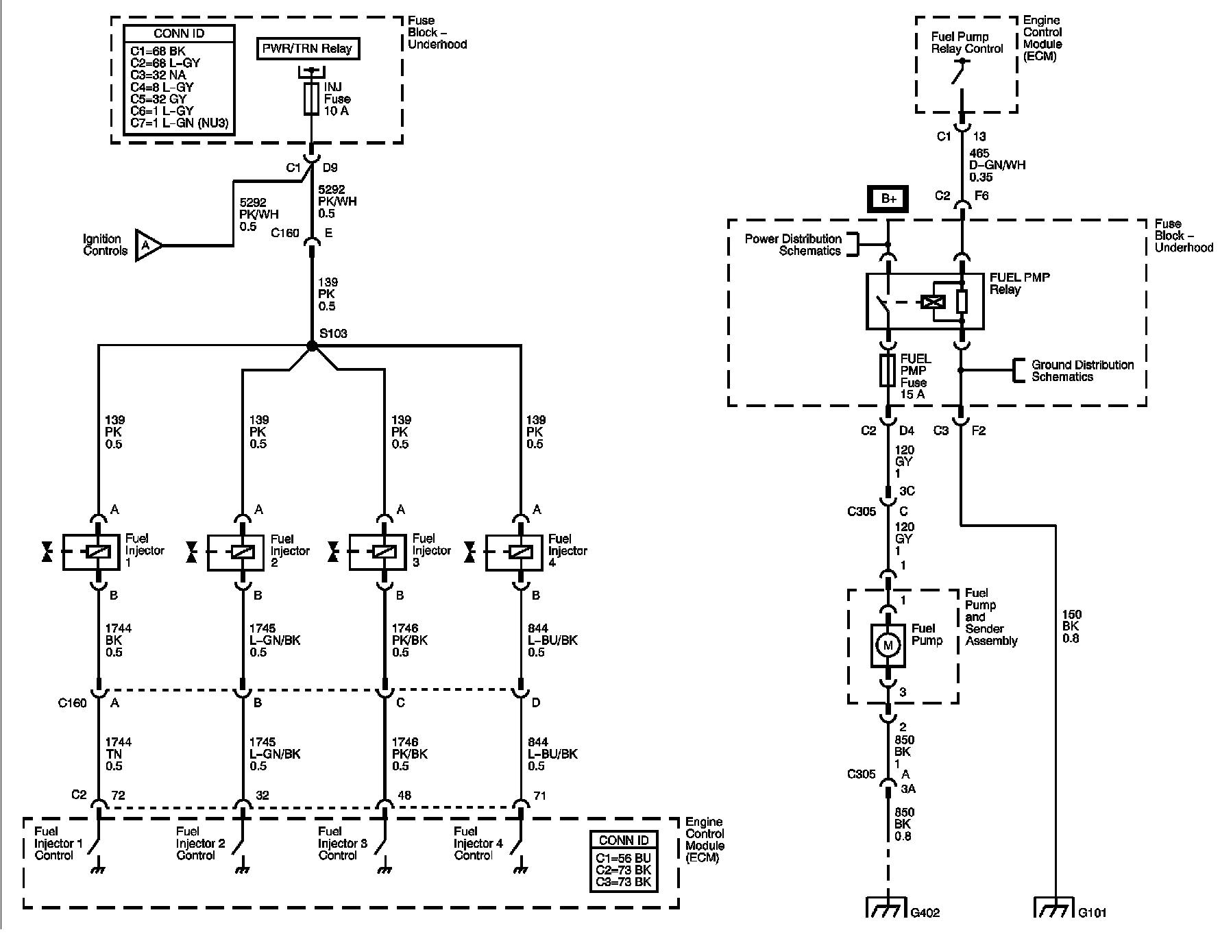
Fuel Controls







EVAP Controls







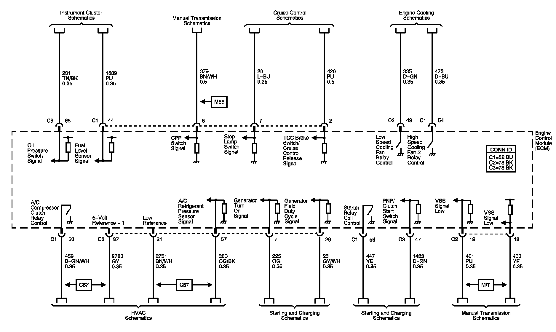
Controlled/Monitored Subsystem References







Locations: The locations for the Connectors, Grounds, Splices, and Grommets shown within these diagrams can be found via their numbers at Vehicle Locations. Locations