Curiosii for ever!: Car repair manuals for everyone.

Electrical Diagrams



ENGINE CONTROLS SCHEMATICS

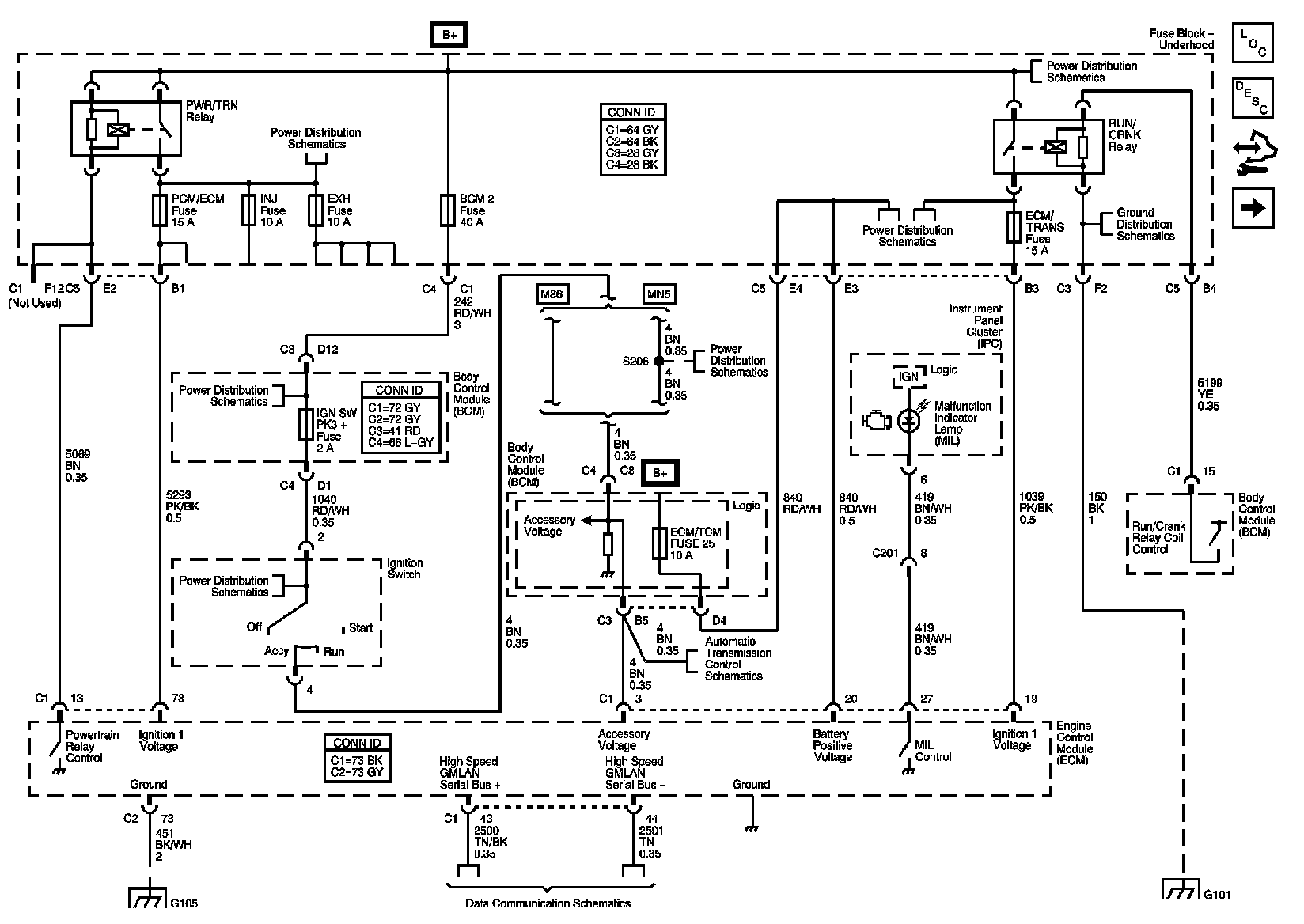
Power, Ground, MIL, Communication







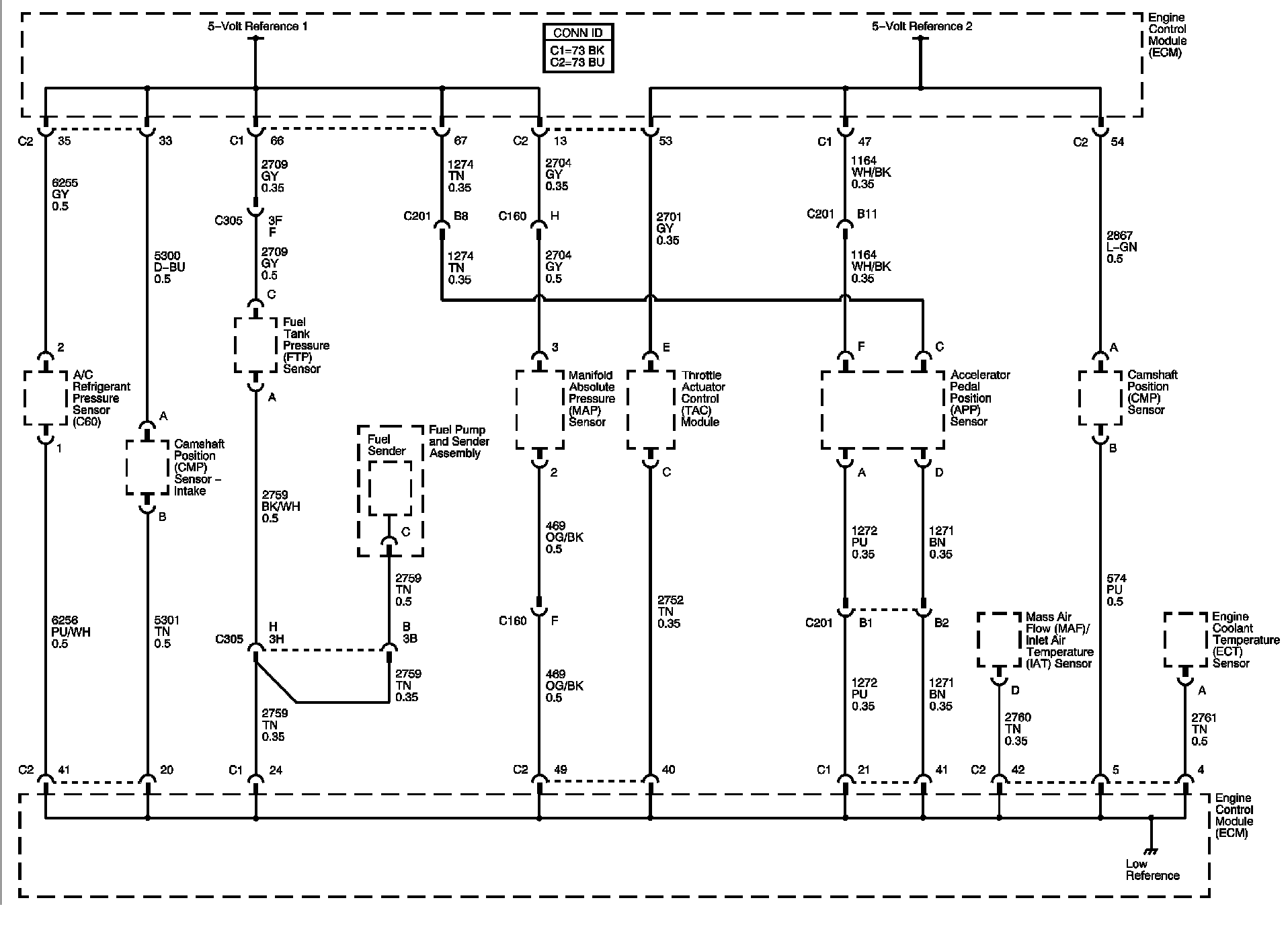
5-Volt and Low Reference Bussing







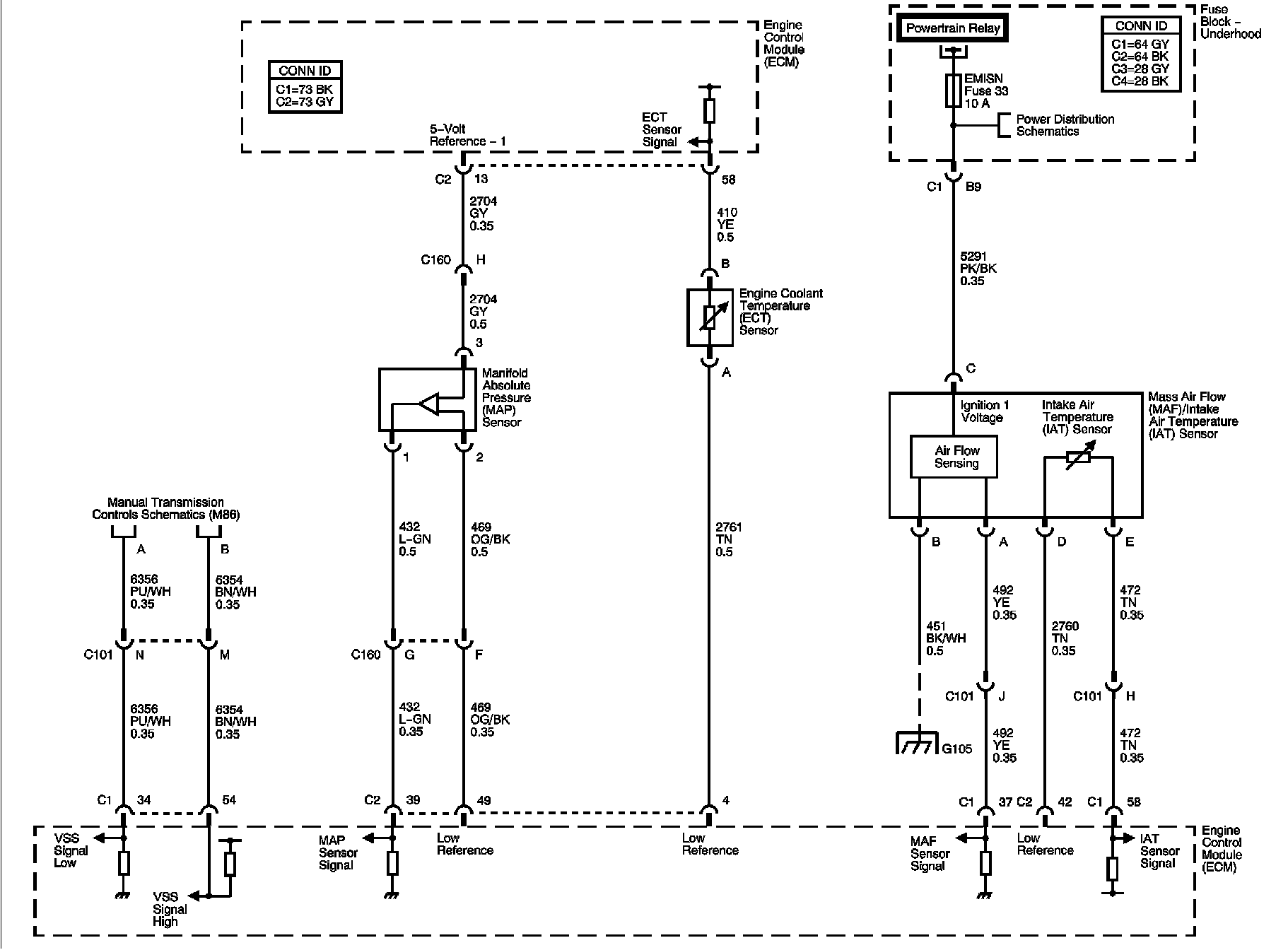
Engine Data Sensors - Pressure, Temperature, MAF/IAT







Engine Data Sensors - HO2S







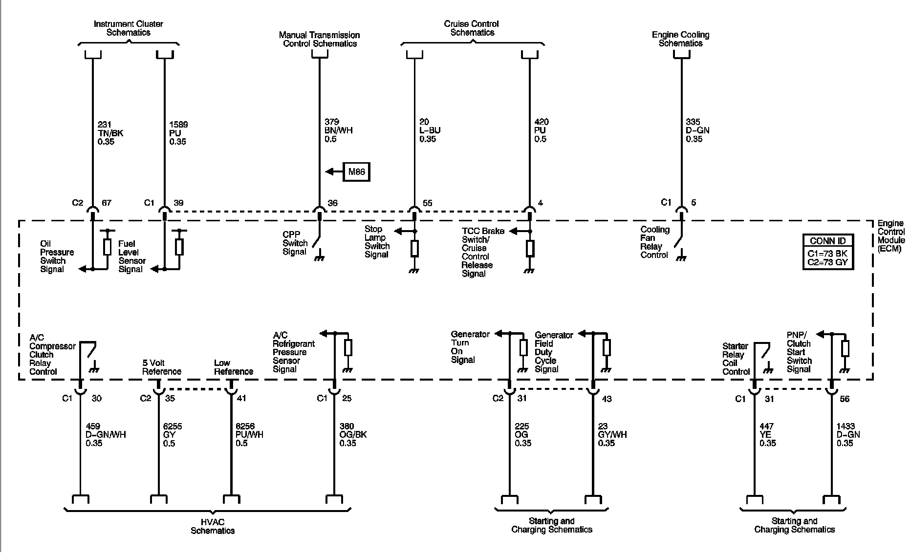
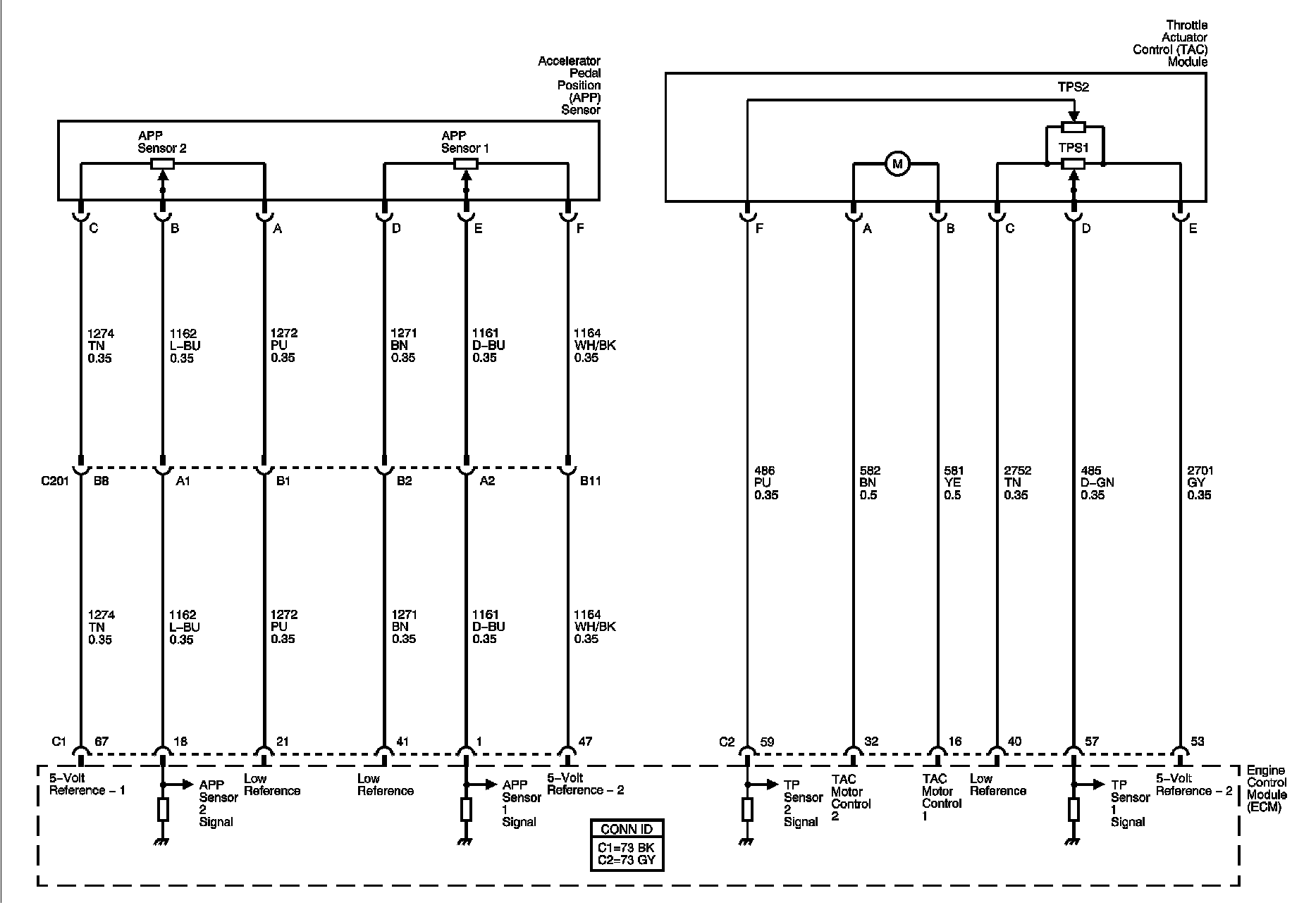
Engine Data Sensors - APP, TAC







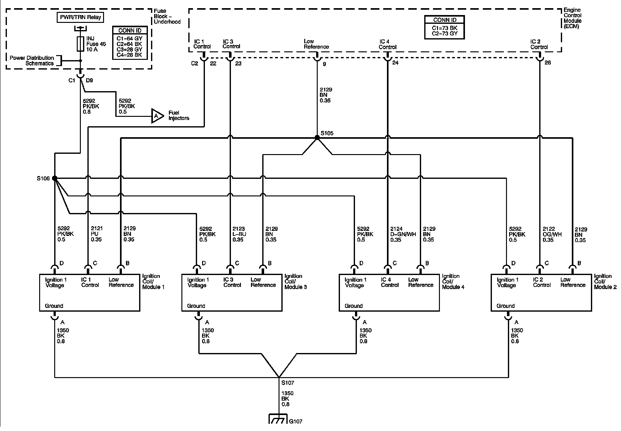
Ignition Controls - Ignition System







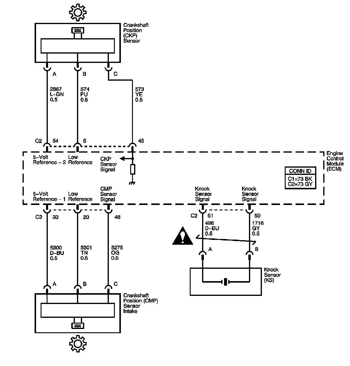
Ignition Controls - Sensors







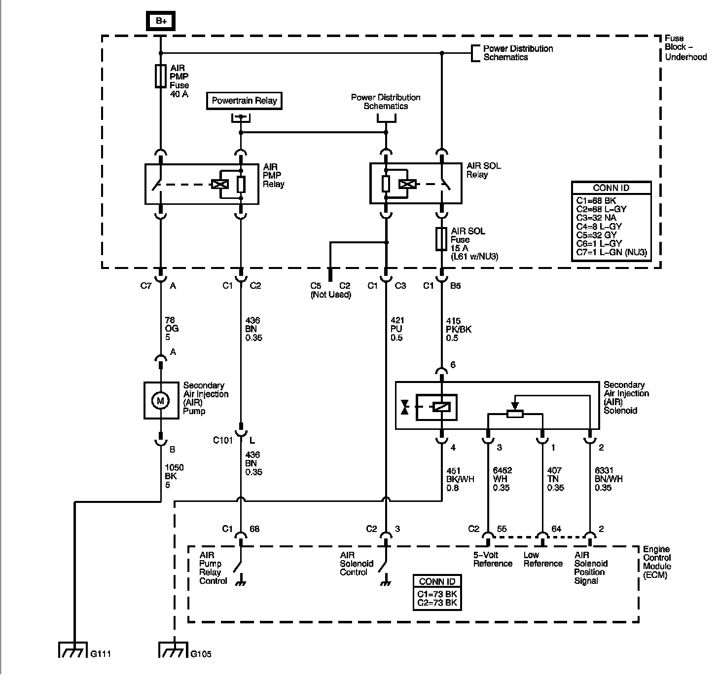
Secondary Air Injection (AIR) System (NU6)







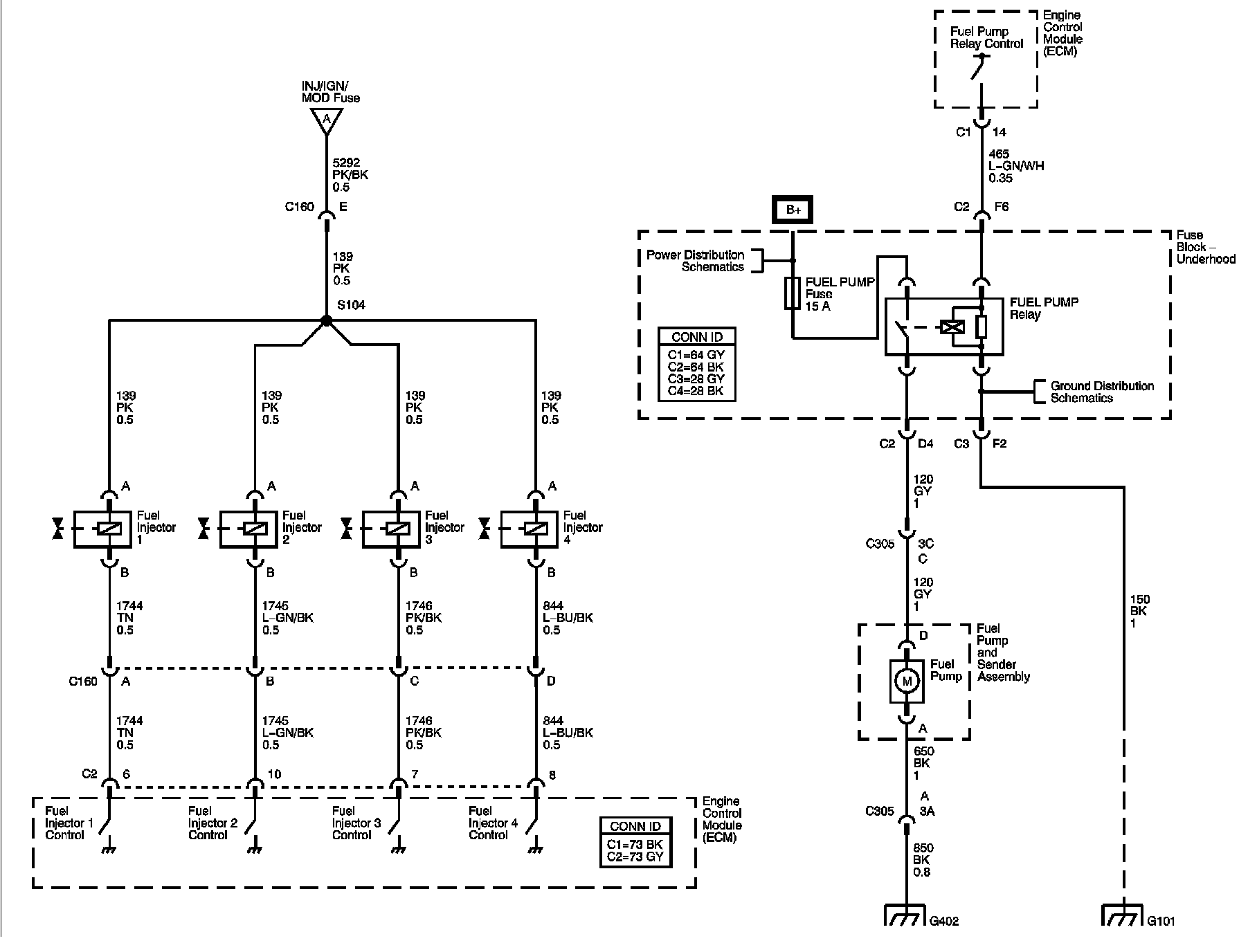
Fuel Controls, Injectors







EVAP Controls







Controlled/Monitored Subsystem References







Locations: The locations for the Connectors, Grounds, Splices, and Grommets shown within these diagrams can be found via their numbers at Vehicle Locations. Locations