Curiosii for ever!: Car repair manuals for everyone.

Brake Light Switch: Service and Repair



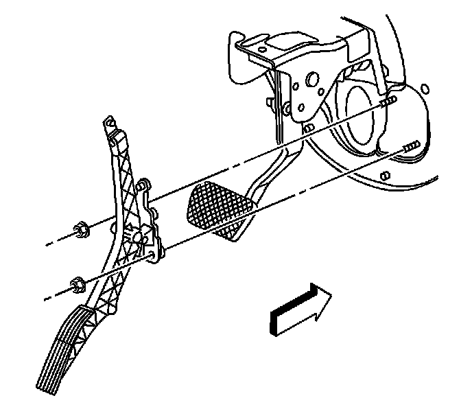
STOP LAMP SWITCH REPLACEMENT

REMOVAL PROCEDURE




1. Remove the accelerator pedal retaining nuts. Move the pedal aside.




2. Remove the stop lamp switch by grasping the switch and turning it counterclockwise while pulling toward the front of the vehicle.
3. Disconnect the stop lamp switch electrical connector.

INSTALLATION PROCEDURE




1. Connect the stop lamp switch electrical connector.
2. Insert the stop lamp switch into the retainer.





3. NOTE: Refer to Fastener Notice.

Install the accelerator pedal to the dash panel. Install the retaining nuts.

Tighten the accelerator pedal retaining nuts to 10 N.m (89 lb in).

4. Adjust the stop lamp switch. Refer to Stop Lamp Switch Adjustment.