Curiosii for ever!
: Car repair manuals for everyone.
Home
>>
Chevrolet
>>
2007
>>
Cobalt L4-2.2L
>>
Repair and Diagnosis
>>
Diagrams
>>
Electrical Diagrams
>>
Cooling System
>>
System Diagram
System Diagram
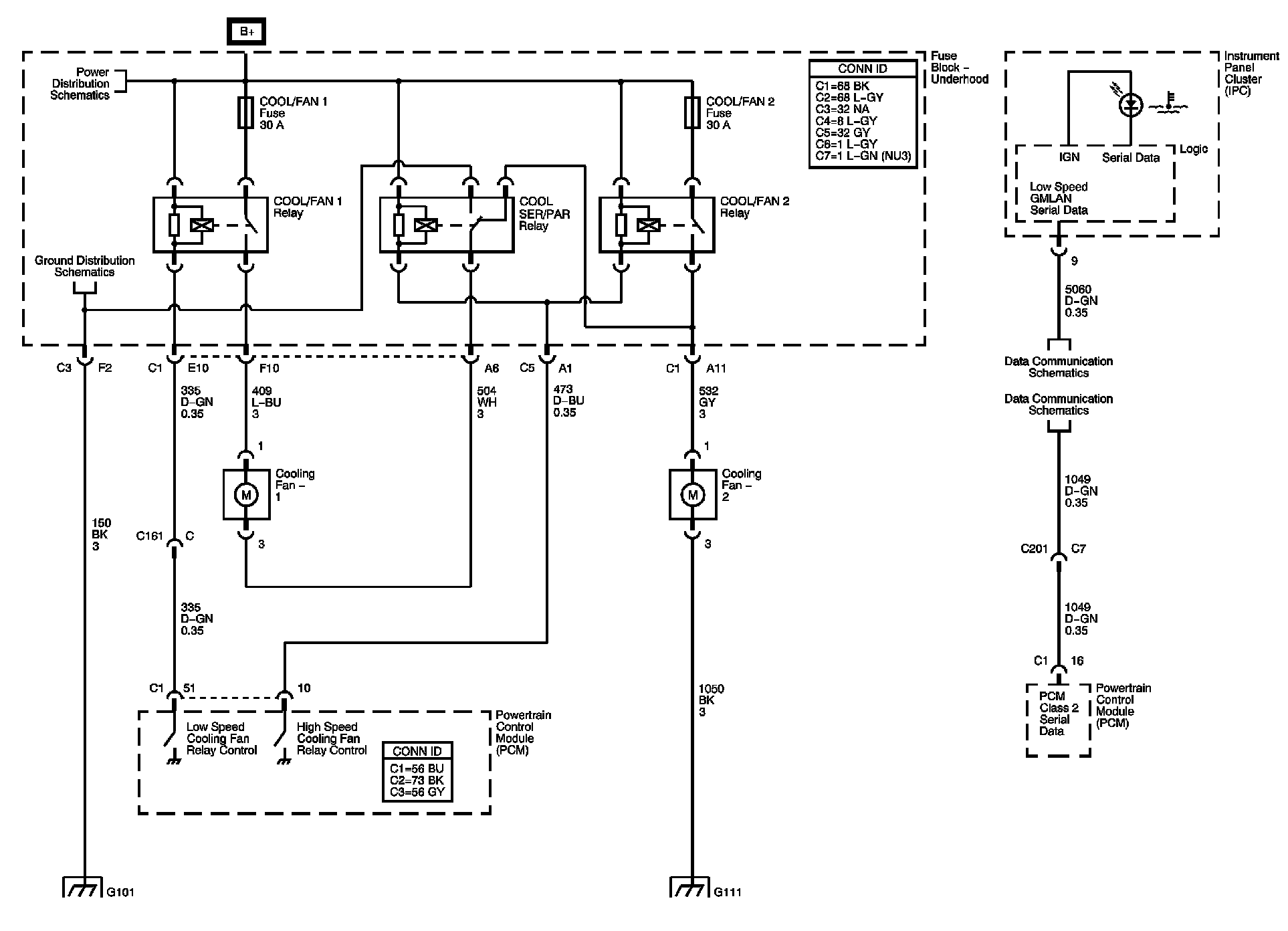
Engine Cooling Schematics
L61
Engine Cooling Schematics 1:
LSJ
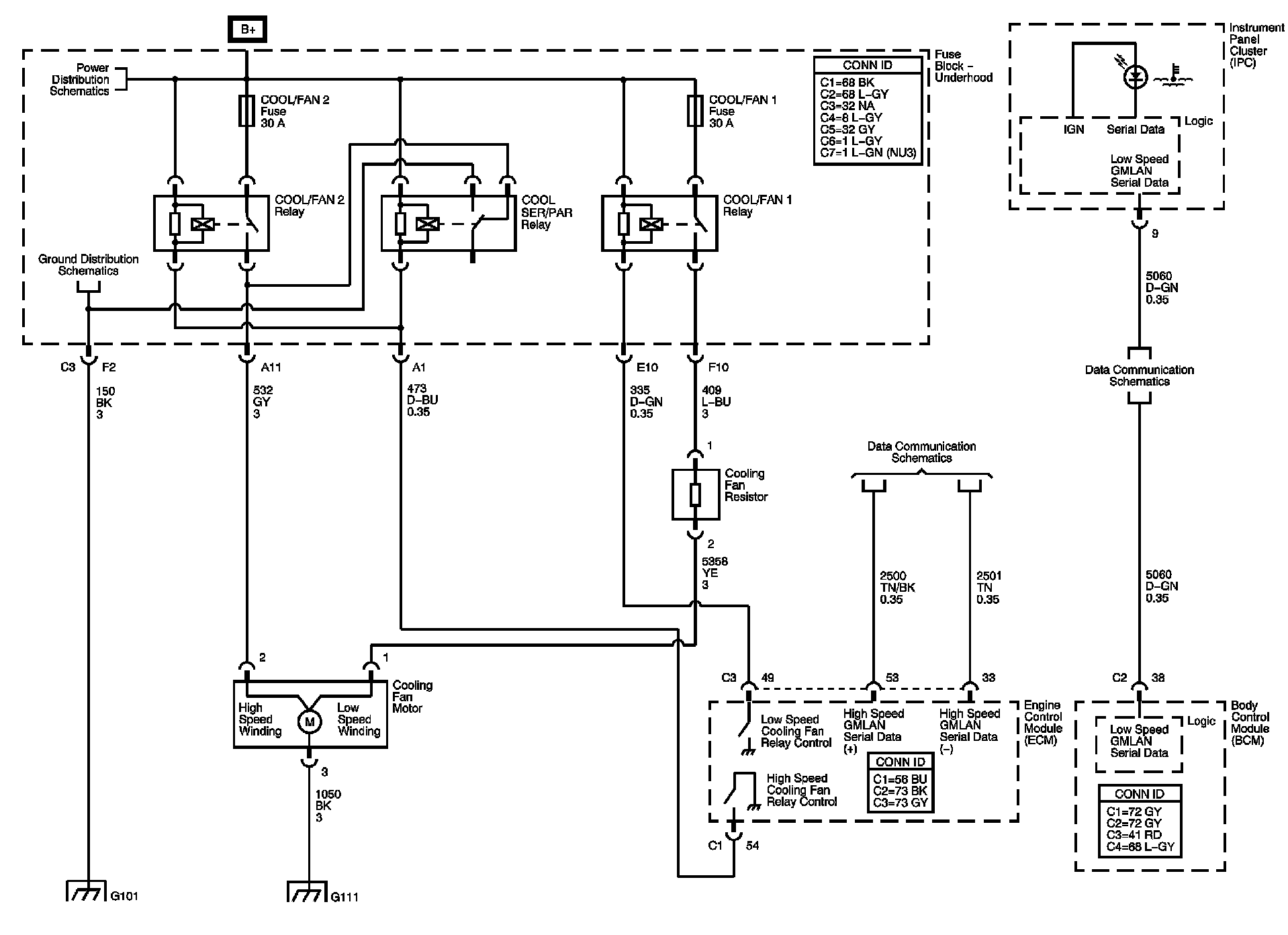
Engine Cooling Schematics 2:
LE5
Engine Cooling Schematics 3: