Curiosii for ever!: Car repair manuals for everyone.

Electrical Diagrams



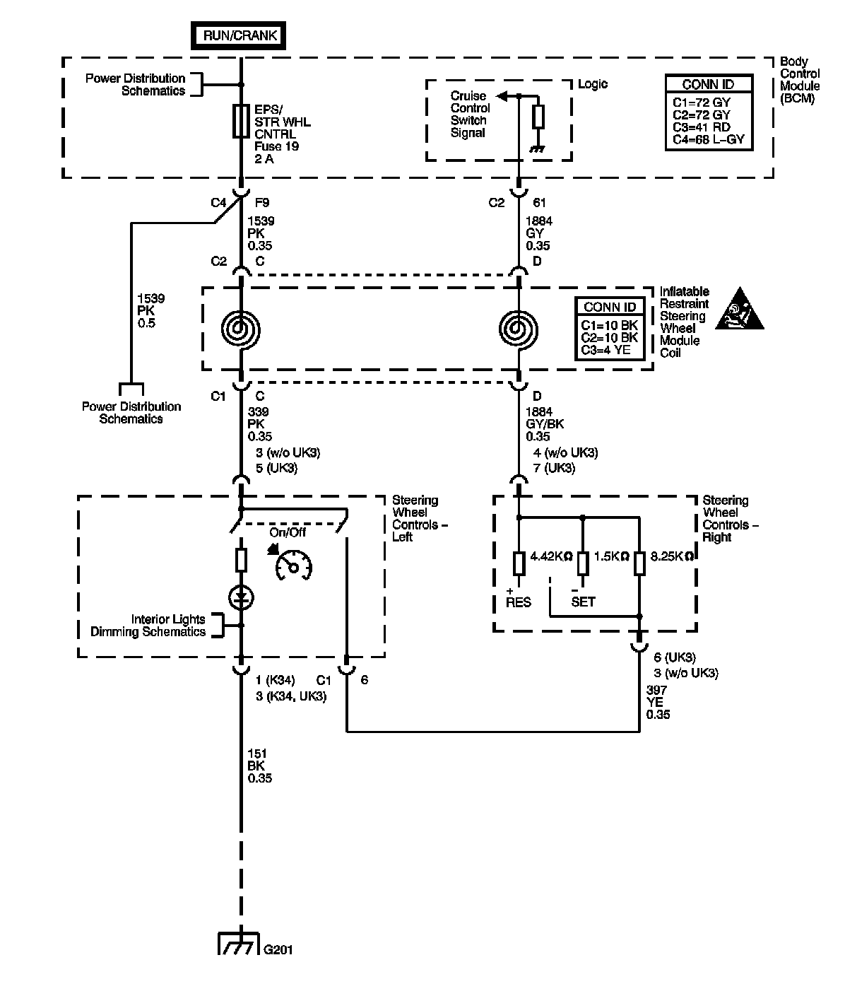
Cruise Control Diagrams

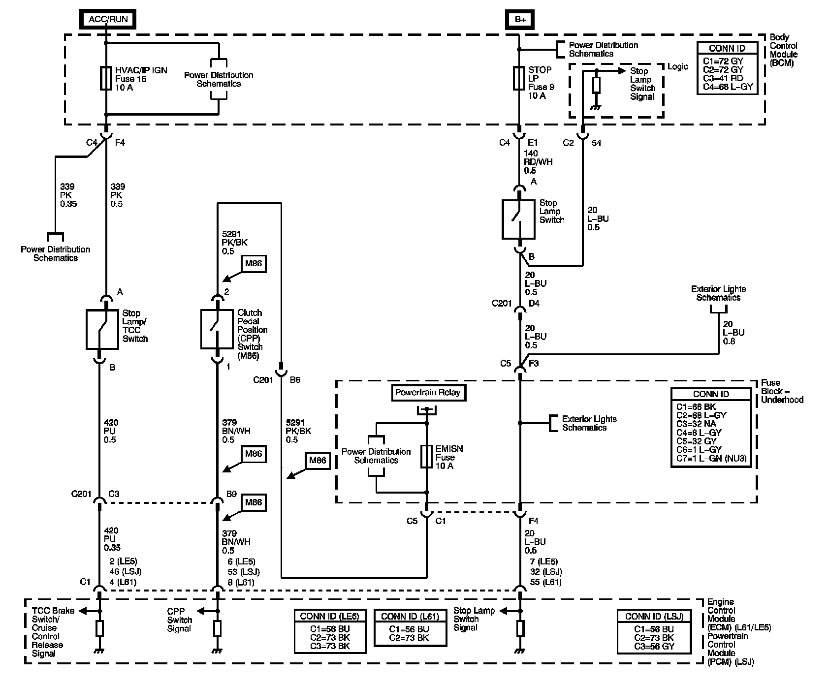
Power, Ground, Communication, Cruise Switches






Clutch Pedal Position Switch, Stop Lamp Switch






Locations: The locations for the Connectors, Grounds, Splices, and Grommets shown within these diagrams can be found via their numbers at Vehicle Locations. Locations