Curiosii for ever!: Car repair manuals for everyone.

Electrical Diagrams



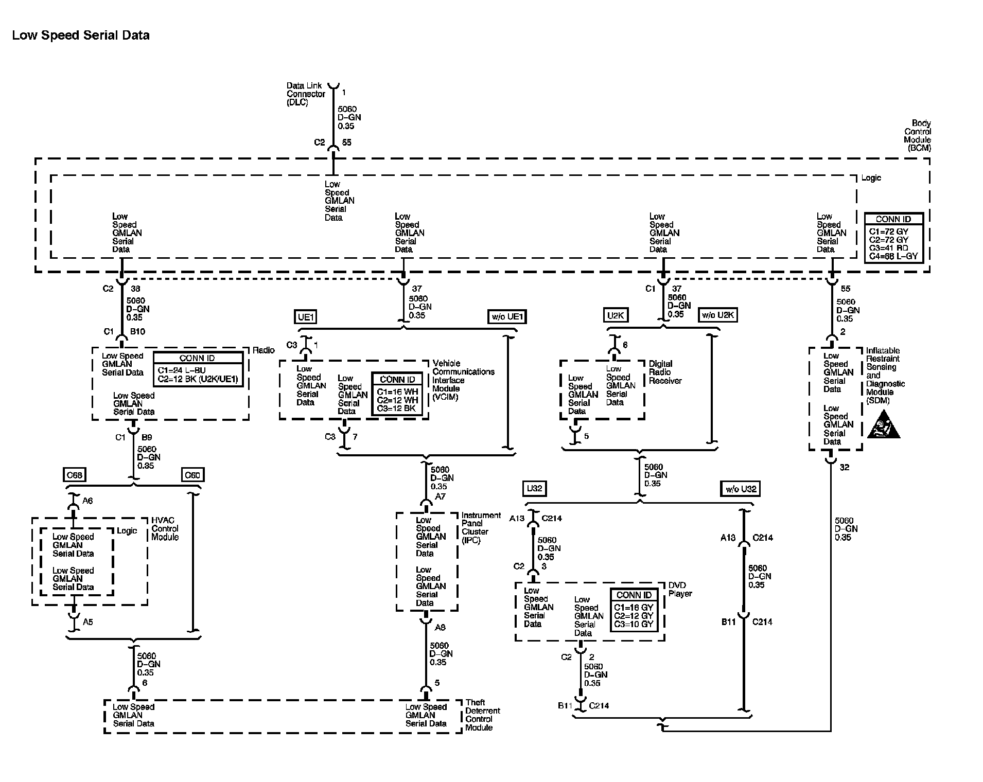
Data Link Connector (DLC) Diagram 1:




Data Link Connector (DLC) Diagram 2:






Location: The location for the connectors, Grounds, Splices, and Grommets shown within these diagrams can be found via their numbers at Vehicle Locations. Locations