Curiosii for ever!
: Car repair manuals for everyone.
Home
>>
Chevrolet
>>
2006
>>
Malibu L4-2.2L VIN F
>>
Repair and Diagnosis
>>
Body and Frame
>>
Seats
>>
Seat Temperature Control Module
>>
Locations
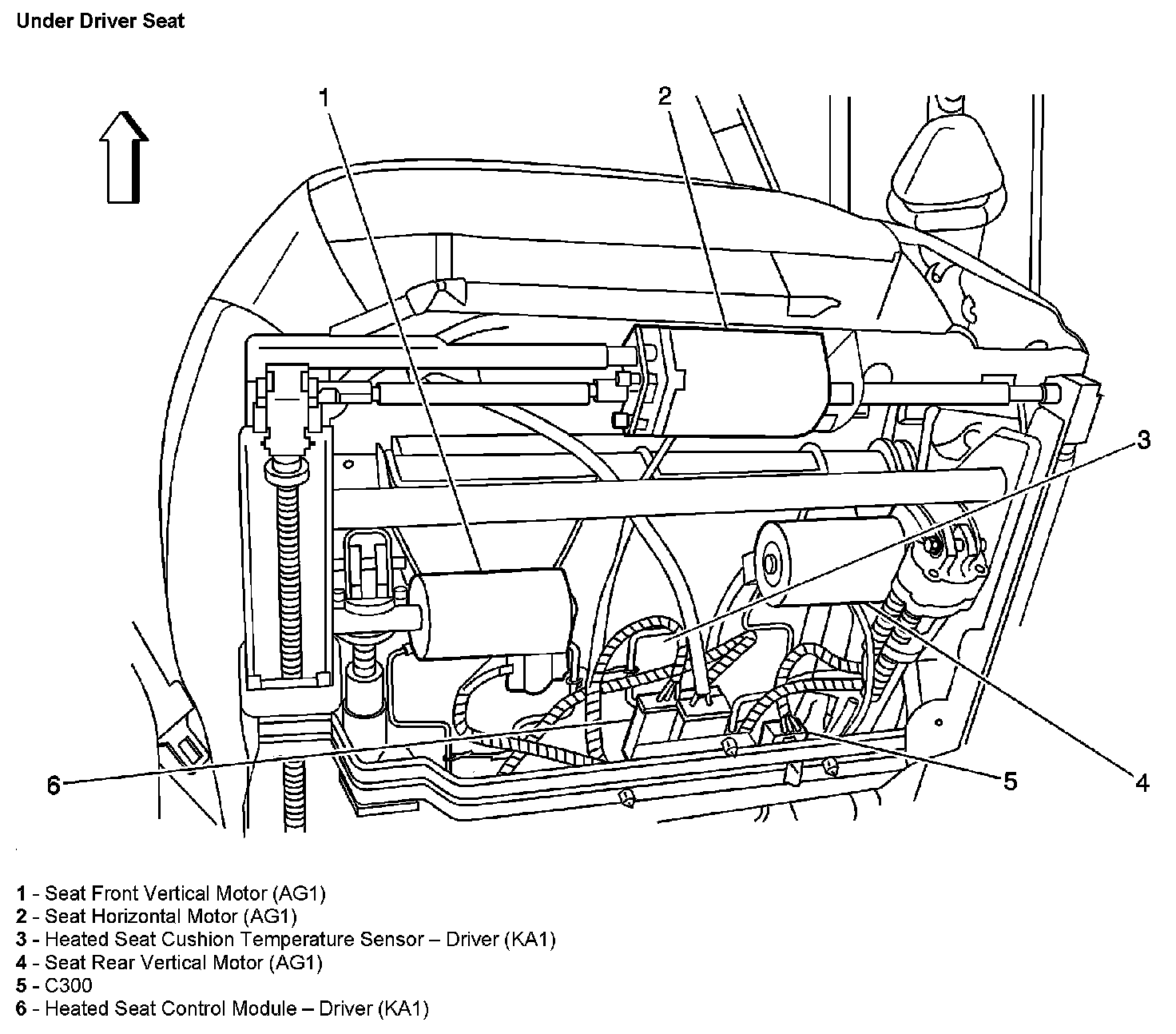
Seat Temperature Control Module: Locations
Under Driver Seat:
Under Front Passenger Seat (With RPO Code KA1):