Curiosii for ever!
: Car repair manuals for everyone.
Home
>>
Chevrolet
>>
2006
>>
Impala V6-3.9L VIN 1
>>
Repair and Diagnosis
>>
Heating and Air Conditioning
>>
Refrigerant Pressure Sensor / Switch
>>
Locations
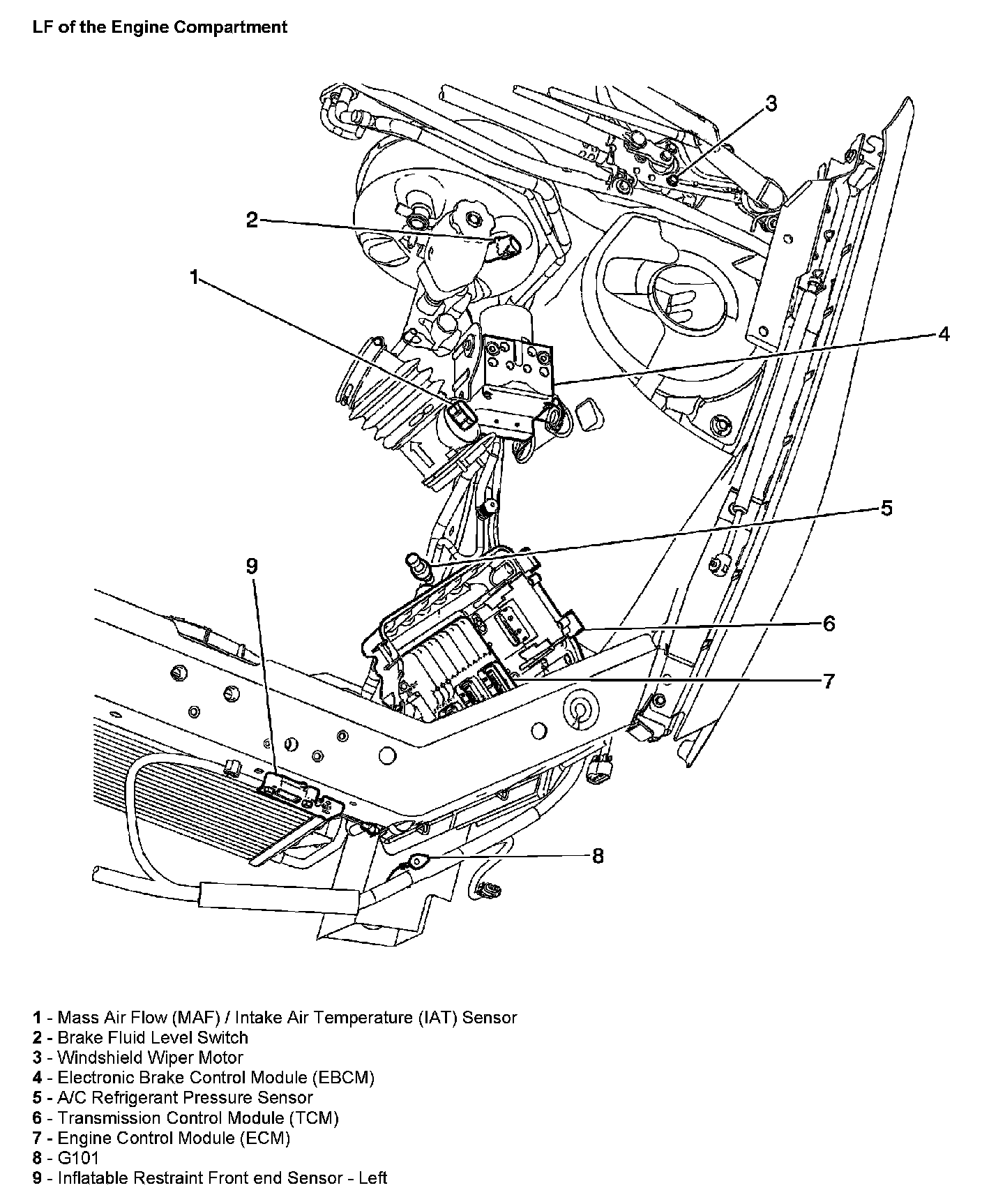
Refrigerant Pressure Sensor / Switch: Locations
LF of the Engine Compartment: