Curiosii for ever!
: Car repair manuals for everyone.
Home
>>
Chevrolet
>>
2006
>>
Impala V6-3.9L VIN 1
>>
Repair and Diagnosis
>>
Heating and Air Conditioning
>>
Heater Core
>>
Service and Repair
>>
Heater Core Replacement
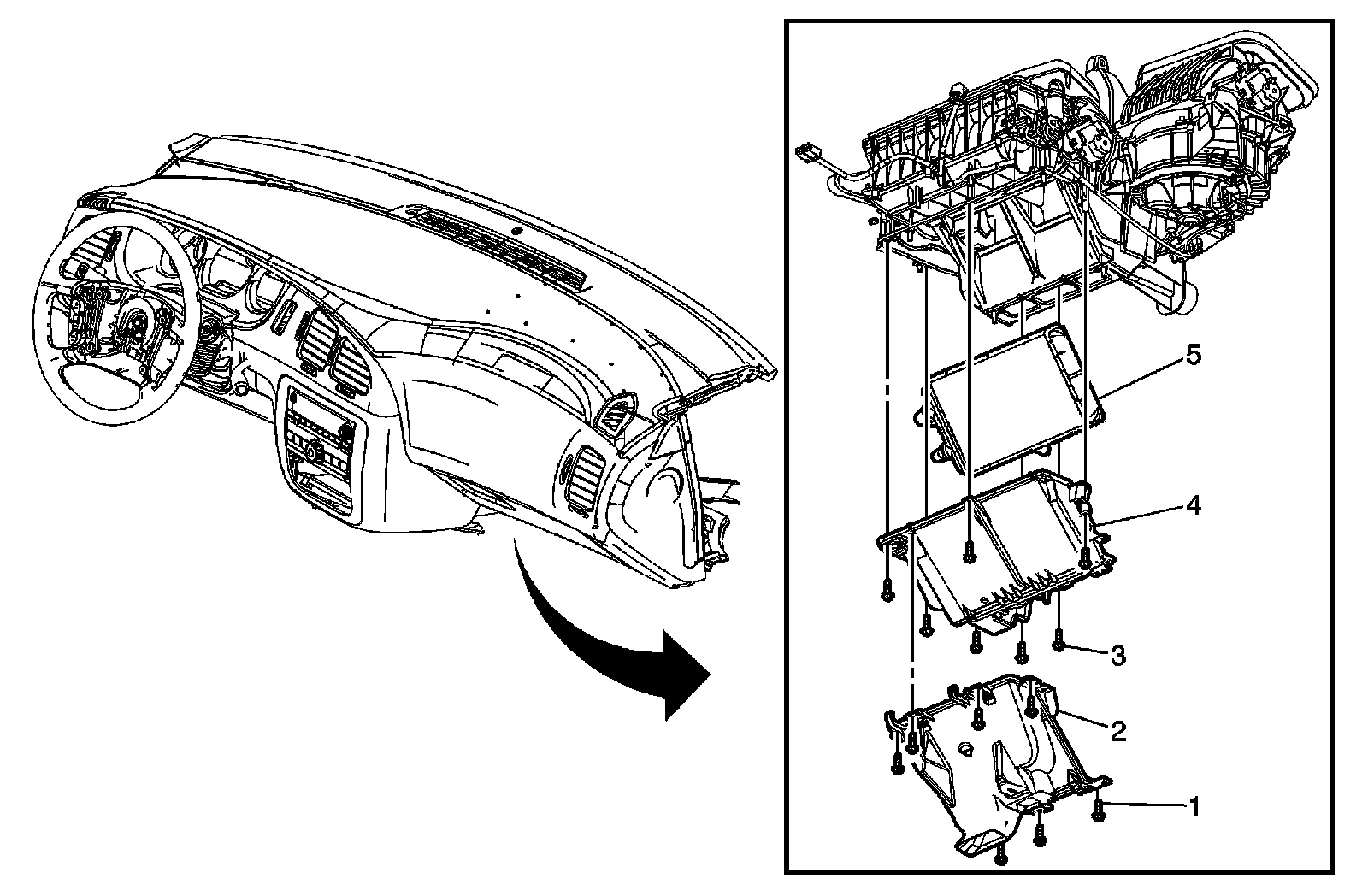
Heater Core Replacement
HEATER CORE
REPLACEMENT