Curiosii for ever!: Car repair manuals for everyone.

Oil Pressure Sensor: Service and Repair



Engine Oil Pressure Sensor and/or Switch Replacement

^ Tools Required
- J 41712 Oil Pressure Sensor Socket

Removal Procedure





1. Remove the left engine sight cover.
2. Clean area around the oil sensor/switch before removing it.
3. Remove the vacuum hose for the power brake booster.





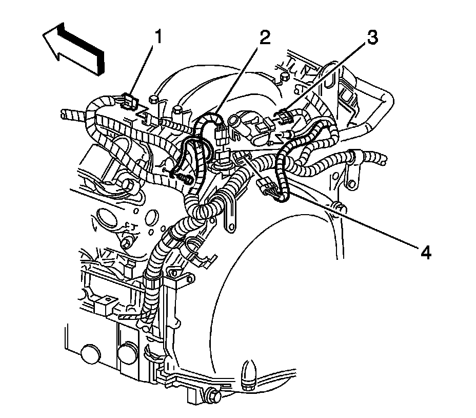
4. Disconnect the electrical connector for the oil pressure sensor/switch (2).





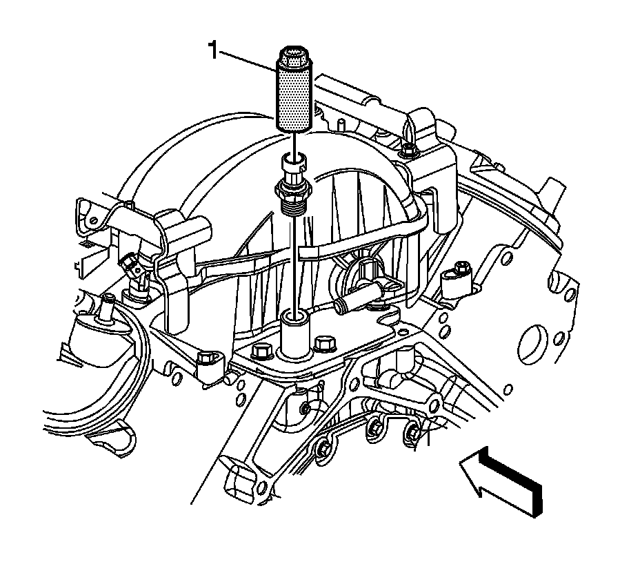
5. Using the J 41712, remove the oil pressure sensor/switch.

Installation Procedure





1. If installing the old sensor, apply threadlocker sealant GM P/N 12346004 (Canadian P/N 10953480), or equivalent.

2. Notice: Refer to Fastener Notice .

Using the J 41712, install the oil pressure sensor/switch.
^ Tighten the engine oil pressure sensor to 20 Nm (15 ft. lbs.).





3. Reconnect the oil pressure sensor/switch electrical connector (2).





4. Install the vacuum hose for the power brake booster.
5. Install the left engine sight cover.