Curiosii for ever!
: Car repair manuals for everyone.
Home
>>
Chevrolet
>>
2005
>>
Monte Carlo V6-3.4L VIN E
>>
Repair and Diagnosis
>>
Power and Ground Distribution
>>
Locations
>>
Engine Views
>>
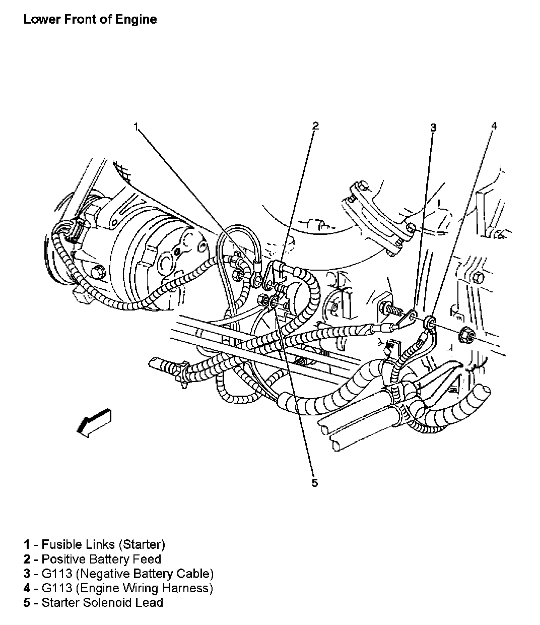
Lower Front of Engine
Lower Front of Engine
Lower Front Of Engine: