Curiosii for ever!
: Car repair manuals for everyone.
Home
>>
Chevrolet
>>
2005
>>
Classic L4-2.2L VIN F
>>
Repair and Diagnosis
>>
Lighting and Horns
>>
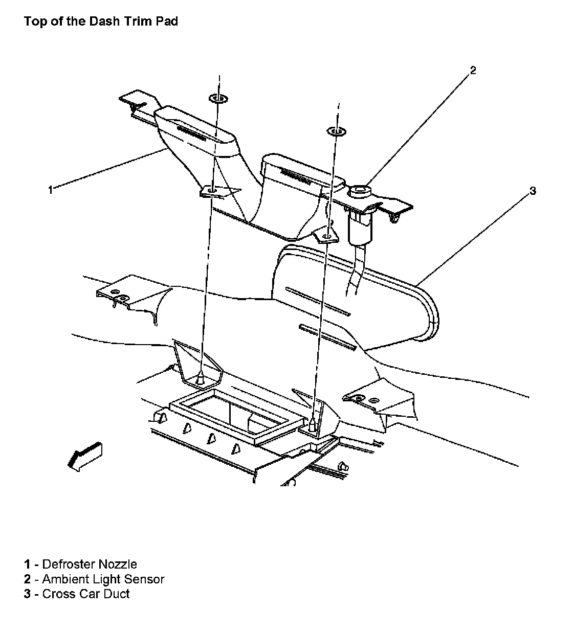
Ambient Light Sensor
>>
Locations
Ambient Light Sensor: Locations
Top Of The Dash Trim Pad: