Curiosii for ever!: Car repair manuals for everyone.

Housing Assembly HVAC: Service and Repair

HVAC MODULE ASSEMBLY REPLACEMENT

TOOLS REQUIRED
- J 39400-A Halogen Leak Detector
- J 38185 Hose Clamp Pliers

REMOVAL PROCEDURE
1. Drain the cooling system.
2. Recover the refrigerant.
3. Remove the bolt connecting the evaporator lines to the evaporator.
4. Remove the evaporator lines from the evaporator.
5. Raise and support the vehicle. Refer to Vehicle Lifting.
6. Use the J 38185 in order to reposition the hose clamps.
7. Disconnect the heater hoses from the heater core.
8. Lower the vehicle.
9. Remove the evaporator case drain tube.
10. Remove the I/P carrier.




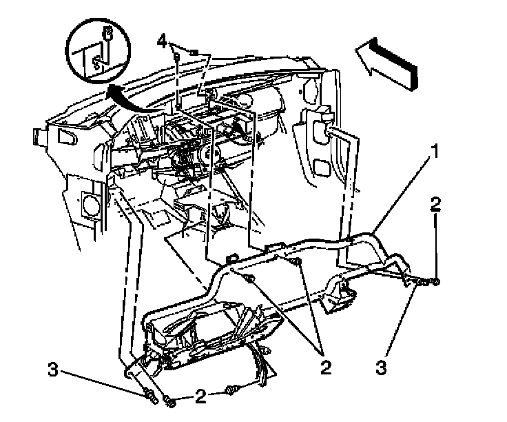
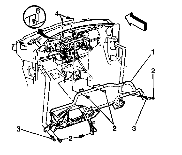
11. Disconnect the wiring harness from the cross vehicle beam (1).
12. Remove the attaching bolts from the right and left side of the HVAC module.
13. Remove the bolts (2) from the cross vehicle beam.
14. Remove the cross vehicle beam (1) from the front of the vehicle.

IMPORTANT: Place the steering column in the straight tilt position using the tilt lever.

15. Remove the floor air outlet.
16. Disconnect the wiring harness from the HVAC module assembly.
17. Disconnect the electrical connections at the following locations:
- The blower motor
- The blower resistor




18. Remove the HVAC module attaching bolts near the heater hoses and the A/C evaporator lines.
Remove the HVAC module assembly screw (2) from the mounting bracket (1).




19. Remove the module from the vehicle.

IMPORTANT: Do not tilt the HVAC module assembly, or coolant may leak out.

INSTALLATION PROCEDURE




1. Install the HVAC module assembly. Align the mounting bracket (1) to the hole. Install the screw (2) to the mounting bracket.

NOTE: Refer to Fastener Notice in Service Precautions.

Tighten
Tighten the bolt to 2 N.m (18 lb in).

2. Install the HVAC module attaching bolts near the heater hoses and the A/C evaporator lines.

Tighten
Tighten the bolts to 2 N.m (18 lb in).




3. Connect the electrical connections at the following locations:
- The blower motor
- The blower resistors
4. Connect the wiring harness to the HVAC module assembly.
5. Install the floor air outlet.




6. Install the cross vehicle beam (1) to the front of the dash.
7. Install the bolts (2) and the studs (3) to the cross vehicle beam (1).

Tighten
Tighten the bolts and the studs to 10 N.m (89 lb in).

8. Install the support bolts on the right and left side of the HVAC module.

Tighten
Tighten the fittings to 2 N.m (18 lb in).

9. Connect the wiring harness to the cross vehicle beam (1).
10. Install the I/P carrier.
11. Raise and support the vehicle.
12. Install the evaporator case drain tube.
13. Connect the heater hoses to the heater core.
14. Use the J 38185 in order to reposition the hose clamps.
15. Lower the vehicle.
16. Connect the evaporator tube to the evaporator.

Tighten
Tighten the fittings to 24 N.m (18 lb ft).

17. Evacuate and recharge the A/C system.
18. Leak test the fittings of the component using J 39400-A.
19. Fill the cooling system.