Curiosii for ever!: Car repair manuals for everyone.

EGR Valve: Service and Repair

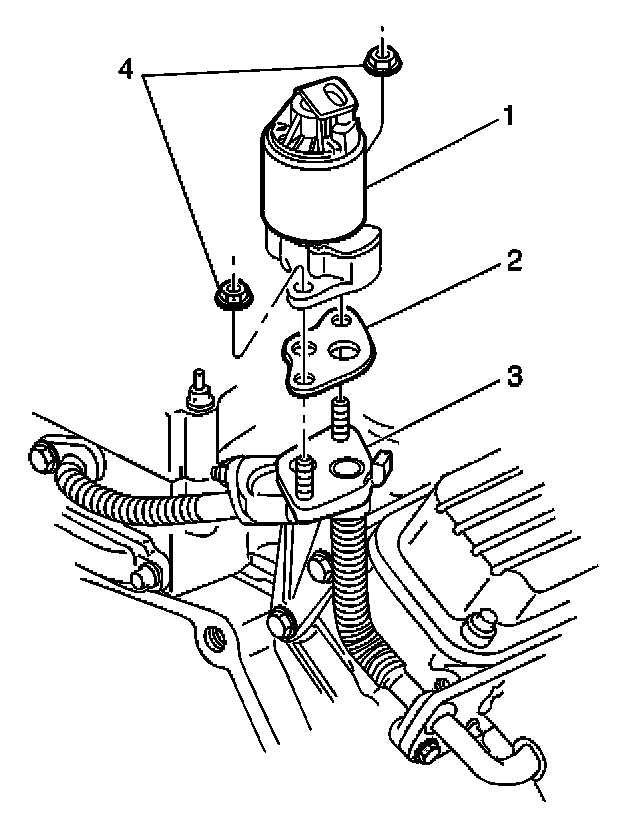
EXHAUST GAS RECIRCULATION (EGR) VALVE REPLACEMENT

REMOVAL PROCEDURE




1. Disconnect the exhaust gas recirculation (EGR) valve electrical connector.
2. Remove the EGR valve nuts (4).
3. Remove the EGR valve (1).
4. Remove the gasket (2) from the EGR valve adapter.
5. Clean the EGR valve gasket mating surfaces.

INSTALLATION PROCEDURE




1. Install a new EGR valve gasket (2).
2. Install the EGR valve (1).

NOTE: Refer to Fastener Notice in Service Precautions.

3. Install the EGR valve nuts (4).

Tighten
Tighten the nuts to 30 N.m (22 lb ft).

4. Connect the EGR valve electrical connector.