Curiosii for ever!: Car repair manuals for everyone.

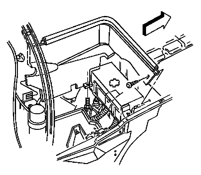
Battery Heat Shield Replacement

REMOVAL PROCEDURE




1. Remove the push-in retainer attaching the air inlet screen and battery heat shield to the plenum panel.




2. Remove the push-in retainer attaching the battery heat shield to the wheelhouse panel.
3. Lift the battery heat shield from the ground stud and remove the shield.

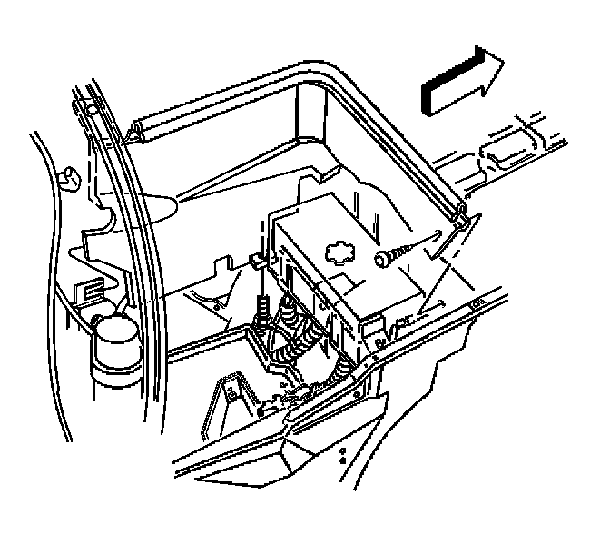
INSTALLATION PROCEDURE




1. Position the heat shield with the rearward edge between the retention fingers.
2. Position the shield onto the ground stud.
3. Install the push-in retainer attaching the heat shield to the wheelhouse panel.




4. Install the push-in retainer attaching the air inlet screen and the battery heat shield to the plenum panel.