Curiosii for ever!: Car repair manuals for everyone.

Air Injection Control Valve: Service and Repair

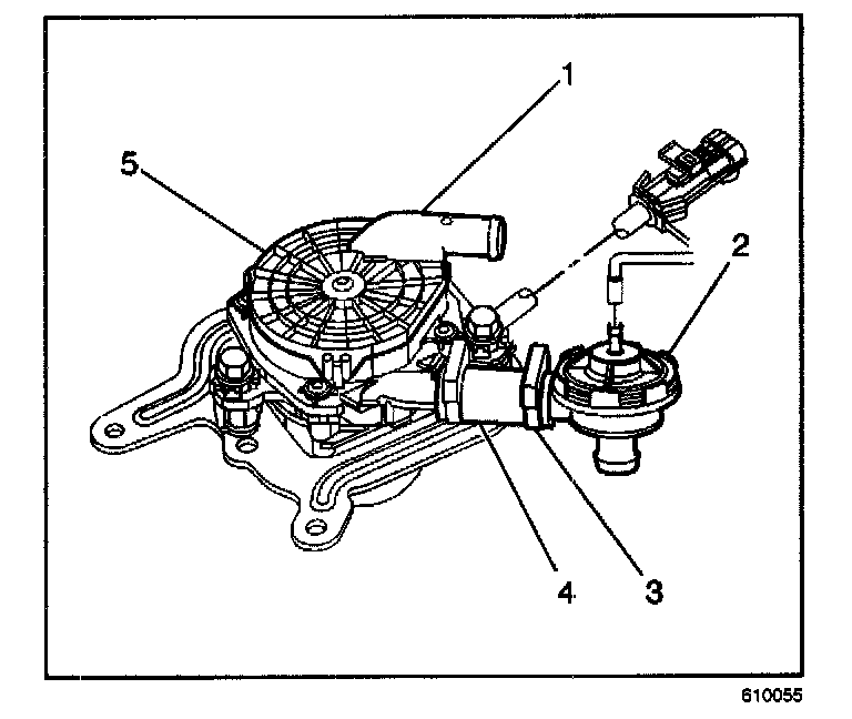
SECONDARY AIR INJECTION (AIR) SHUT-OFF VALVE REPLACEMENT

REMOVAL PROCEDURE
1. Remove the fascia front close out panel.




2. Remove the vacuum hose from the secondary air injection (AIR) shut off valve (2).




3. Remove the clamps (2) from the AIR shut off valve hoses.
4. Remove the AIR hose (1) from the AIR shut off valve outlet port.
5. Remove the AIR shut off valve.

INSTALLATION PROCEDURE




1. Install the AIR pump shut off valve.
2. Install the AIR hose (1) to the AIR shut off valve outlet port.
3. Install the clamps (2) to the AIR shut off valve hoses.




4. Install the vacuum hose to the AIR shut off valve (2).
5. Install the fascia front close out panel.