Curiosii for ever!: Car repair manuals for everyone.

Oil Pressure Sensor: Service and Repair

Engine Oil Pressure Sensor and/or Switch Replacement

Tools Required
^ J41712 Oil Pressure Sensor Socket

Removal Procedure
1. Remove the intake manifold.





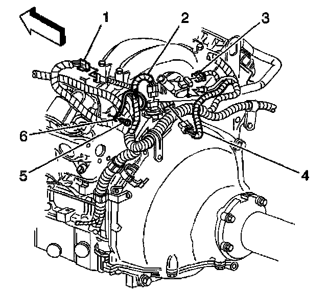
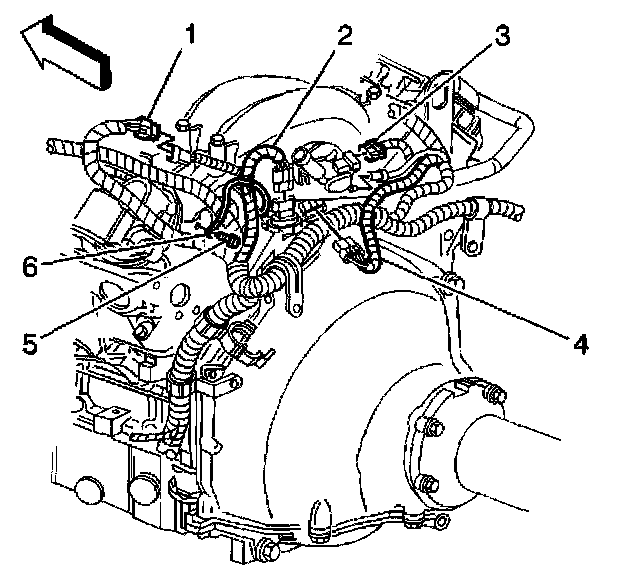
2. Disconnect the oil pressure sensor electrical connector (2).

Important: Clean the area around the sensor before removal. This avoids debris from entering the engine.





3. Use J41712 to remove the oil pressure sensor from the engine block.

Installation Procedure
1. If installing the old sensor, apply thread sealant GM U.S. P/N 12346004, Canada P/N 10953480, or equivalent.

Notice: Refer to Fastener Notice in Service Precautions.





2. Use J41712 to install the oil pressure sensor to the engine block.
Tighten the engine oil pressure sensor to 20 Nm (15 ft. lbs.).





3. Connect the oil pressure sensor electrical connector (2).
4. Install the intake manifold.