Curiosii for ever!
: Car repair manuals for everyone.
Home
>>
Chevrolet
>>
2004
>>
Corvette V8-5.7L VIN G
>>
Repair and Diagnosis
>>
Diagrams
>>
Electrical Diagrams
>>
Memory Positioning Systems
Memory Positioning Systems
Memory Seats Diagram 1:
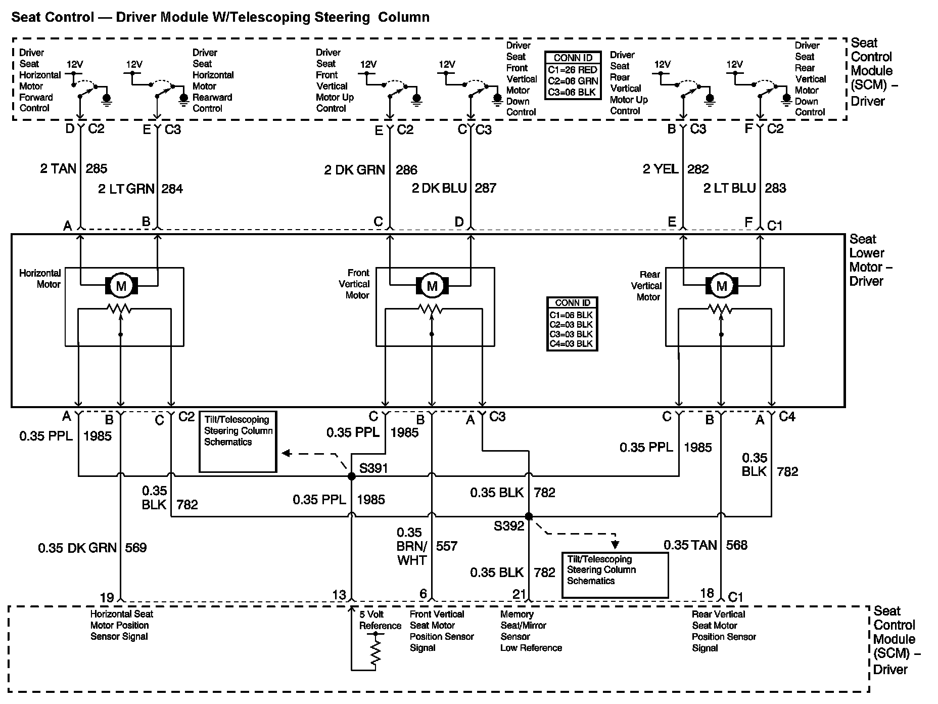
Memory Seats Diagram 2:
Memory Seats Diagram 3: